Los rodamientos montados con brida de 3 pernos son combinaciones de soportes de rodamiento con brida de 3 pernos y rodamientos de bolas de aro interior más anchos.
Los soportes de cojinetes con brida de 3 pernos comunes son FB200 (servicio estándar) y FCT200 (servicio liviano de hierro dúctil).
Las tapas finales de acero prensado son capaces de proteger contra la contaminación externa y el polvo.
La capacidad de autoalineación de los rodamientos de bolas puede compensar una ligera desalineación estática del eje. Los insertos de rodamiento se bloquean en el eje mediante tornillos prisioneros y collares de bloqueo excéntricos, etc.
Los lubricantes que se rellenan dentro de los insertos de rodamientos de bolas esféricos pueden ser grasa estándar, grasa para temperaturas altas y bajas y grasa de calidad alimentaria.

| Número de unidad | Diámetro del eje | Dimensiones (mm) | Tamaño del perno(mm) | Peso(kg) | |||||||||||||
| d | Ho | H | J | j | A2 | A1 | A | N | L | P | B | S | Z | ||||
| (in) | (mm) | ||||||||||||||||
| UCFb201 | 12 | 110 | 42 | 32 | 27 | 15 | 13 | 25.5 | 10 | 62 | 52 | 31 | 12.7 | 33.3 | M8 | 0.62 | |
| UCFb201-8 | 1/2 | 110 | 42 | 32 | 27 | 15 | 13 | 25.5 | 10 | 62 | 52 | 31 | 12.7 | 33.3 | M8 | 0.62 | |
| UCFB202 | 15 | 110 | 42 | 32 | 27 | 15 | 13 | 25.5 | 10 | 62 | 52 | 31 | 12.7 | 33.3 | M8 | 0.58 | |
| UCFB202-9 | 9/16 | 110 | 42 | 32 | 27 | 15 | 13 | 25.5 | 10 | 62 | 52 | 31 | 12.7 | 33.3 | M8 | 0.58 | |
| UCFB202-10 | 5/8 | 110 | 42 | 32 | 27 | 15 | 13 | 25.5 | 10 | 62 | 52 | 31 | 12.7 | 33.3 | M8 | 0.58 | |
| UCFB203 | 17 | 110 | 42 | 32 | 27 | 15 | 13 | 25.5 | 10 | 60 | 52 | 31 | 12.7 | 33.3 | M8 | 0.57 | |
| UCFB203-11 | 16/11 | 110 | 42 | 32 | 27 | 15 | 13 | 25.5 | 10 | 60 | 52 | 31 | 12.7 | 33.3 | M8 | 0.57 | |
| UCFB204 | 20 | 110 | 42 | 32 | 27 | 15 | 13 | 25.5 | 10 | 62 | 52 | 31 | 12.7 | 33.3 | M8 | 0.62 | |
| UCFB204-12 | 3/4 | 110 | 42 | 32 | 27 | 15 | 13 | 25.5 | 10 | 62 | 52 | 31 | 12.7 | 33.3 | M8 | 0.62 | |
| UCFB205 | 25 | 116 | 45 | 34 | 27 | 16 | 13 | 27 | 10 | 68 | 56 | 34.1 | 14.3 | 35.7 | M8 | 0.69 | |
| UCFB205-14 | 7/8 | 116 | 45 | 34 | 27 | 16 | 13 | 27 | 10 | 68 | 56 | 34.1 | 14.3 | 35.7 | M8 | 0.69 | |
| UCFB205-15 | 15/16 | 116 | 45 | 34 | 27 | 16 | 13 | 27 | 10 | 68 | 56 | 34.1 | 14.3 | 35.7 | M8 | 0.69 | |
| UCFB205-16 | 1/1 | 116 | 45 | 34 | 27 | 16 | 13 | 27 | 10 | 68 | 56 | 34.1 | 14.3 | 35.7 | M8 | 0.69 | |
| UCFB206 | 30 | 130 | 50 | 40 | 29 | 18 | 13 | 31 | 10 | 78 | 65 | 38.1 | 15.9 | 40.2 | M8 | 0.93 | |
| UCFB206-17 | 1/16 | 130 | 50 | 40 | 29 | 18 | 13 | 31 | 10 | 78 | 65 | 38.1 | 15.9 | 40.2 | M8 | 0.93 | |
| UCFB206-18 | 1/8 | 130 | 50 | 40 | 29 | 18 | 13 | 31 | 10 | 78 | 65 | 38.1 | 15.9 | 40.2 | M8 | 0.93 | |
| UCFB206-19 | 3/16 | 130 | 50 | 40 | 29 | 18 | 13 | 31 | 10 | 78 | 65 | 38.1 | 15.9 | 40.2 | M8 | 0.93 | |
| UCFB206-20 | 1/4 | 130 | 50 | 40 | 29 | 18 | 13 | 31 | 10 | 78 | 65 | 38.1 | 15.9 | 40.2 | M8 | 0.93 | |
| UCFB207 | 35 | 144 | 55 | 46 | 32 | 19 | 15 | 34 | 10 | 90 | 70 | 42.9 | 17.5 | 44.4 | M8 | 1.3 | |
| UCFB207-20 | 1/4 | 144 | 55 | 46 | 32 | 19 | 15 | 34 | 10 | 90 | 70 | 42.9 | 17.5 | 44.4 | M8 | 1.3 | |
| UCFB207-21 | 5/16 | 144 | 55 | 46 | 32 | 19 | 15 | 34 | 10 | 90 | 70 | 42.9 | 17.5 | 44.4 | M8 | 1.3 | |
| UCFB207-22 | 3/8 | 144 | 55 | 46 | 32 | 19 | 15 | 34 | 10 | 90 | 70 | 42.9 | 17.5 | 44.4 | M8 | 1.3 | |
| UCFB207-23 | 7/16 | 144 | 55 | 46 | 32 | 19 | 15 | 34 | 10 | 90 | 70 | 42.9 | 17.5 | 44.4 | M8 | 1.3 | |
| UCFB208 | 40 | 164 | 60 | 50 | 41 | 21 | 16 | 36 | 12 | 100 | 78 | 49.2 | 19 | 51.2 | M10 | 1.8 | |
| UCFB208-24 | 1/2 | 164 | 60 | 50 | 41 | 21 | 16 | 36 | 12 | 100 | 78 | 49.2 | 19 | 51.2 | M10 | 1.8 | |
| UCFB208-25 | 9/16 | 164 | 60 | 50 | 41 | 21 | 16 | 36 | 12 | 100 | 78 | 49.2 | 19 | 51.2 | M10 | 1.8 | |
| UCFB209 | 45 | 174 | 65 | 54 | 43 | 22 | 18 | 38 | 12 | 106 | 80 | 49.2 | 19 | 52.2 | M10 | 2 | |
| UCFB209-26 | 5/8 | 174 | 65 | 54 | 43 | 22 | 18 | 38 | 12 | 106 | 80 | 49.2 | 19 | 52.2 | M10 | 2 | |
| UCFB209-27 | 16/11 | 174 | 65 | 54 | 43 | 22 | 18 | 38 | 12 | 106 | 80 | 49.2 | 19 | 52.2 | M10 | 2 | |
| UCFB209-28 | 3/4 | 174 | 65 | 54 | 43 | 22 | 18 | 38 | 12 | 106 | 80 | 49.2 | 19 | 52.2 | M10 | 2 | |
| UCFB210 | 50 | 184 | 68 | 58 | 46 | 22 | 18 | 40 | 12 | 112 | 86 | 51.6 | 19 | 54.6 | M10 | 2.3 | |
| UCFB210-30 | 7/8 | 184 | 68 | 58 | 46 | 22 | 18 | 40 | 12 | 112 | 86 | 51.6 | 19 | 54.6 | M10 | 2.3 | |
| UCFB210-31 | 1-15/16 | 184 | 68 | 58 | 46 | 22 | 18 | 40 | 12 | 112 | 86 | 51.6 | 19 | 54.6 | M10 | 2.3 | |
| UCFB210-32 | 1/2 | 184 | 68 | 58 | 46 | 22 | 18 | 40 | 12 | 112 | 86 | 51.6 | 19 | 54.6 | M10 | 2.3 | |

| Número de unidad | Diámetro del eje | Dimensiones (mm) | Tamaño del perno(mm) | Peso(kg) | |||||||||||||
| d | Ho | H | J | j | A2 | A1 | A | N | L | P | B | S | Z | ||||
| (in) | (mm) | ||||||||||||||||
| UCFb201A | 12 | 107.95 | 42.86 | 38.1 | 22.22 | 15.88 | 7.94 | 25.4 | 9.92 | 63.5 | 60.33 | 31 | 12.7 | 34.18 | M8 | 0.62 | |
| UCFb201-8A | 1/2 | 107.95 | 42.86 | 38.1 | 22.22 | 15.88 | 7.94 | 25.4 | 9.92 | 63.5 | 60.33 | 31 | 12.7 | 34.18 | M8 | 0.62 | |
| UCFB202A | 15 | 107.95 | 42.86 | 38.1 | 22.22 | 15.88 | 7.94 | 25,4 | 9.92 | 63.5 | 60.33 | 31 | 12.7 | 34.18 | miM | 0.58 | |
| UCFB202-9A | 9/16 | 107.95 | 42.86 | 38.1 | 22.22 | 15.88 | 7.94 | 25,4 | 9.92 | 63.5 | 60.33 | 31 | 12.7 | 34.18 | miM | 0.58 | |
| UCFB202-10A | 5/8 | 107.95 | 42.86 | 38.1 | 22.22 | 15.88 | 7.94 | 25,4 | 9.92 | 63.5 | 60.33 | 31 | 12.7 | 34.18 | miM | 0.58 | |
| UCFB203A | 17 | 107.95 | 42.86 | 38.1 | 22.22 | 15.88 | 7.94 | 25.4 | 9.92 | 63.5 | 60.33 | 31 | 12.7 | 34.18 | M8 | 0.57 | |
| UCFB203-11A | 16/11 | 107.95 | 42.86 | 38.1 | 22.22 | 15.88 | 7.94 | 25.4 | 9.92 | 63.5 | 60.33 | 31 | 12.7 | 34.18 | M8 | 0.57 | |
| UCFB204A | 20 | 107.95 | 42.86 | 38.1 | 22.22 | 15.88 | 7.94 | 25.4 | 9.92 | 63.5 | 60.33 | 31 | 12.7 | 34.18 | M8 | 0.62 | |
| UCFB204-12A | 3/4 | 107.95 | 42.86 | 38.1 | 22.22 | 15.88 | 7.94 | 25.4 | 9.92 | 63.5 | 60.33 | 31 | 12.7 | 34.18 | M8 | 0.62 | |
| UCFB205A | 25 | 120.65 | 46.04 | 41.27 | 28.58 | 17.07 | 9.53 | 28.57 | 9.92 | 69.85 | 63.5 | 34.1 | 14.3 | 36.87 | M8 | 0.69 | |
| UCFB205-14A | 7/8 | 120.65 | 46.04 | 41.27 | 28.58 | 17.07 | 9.53 | 28.57 | 9.92 | 69.85 | 63.5 | 34.1 | 14.3 | 36.87 | M8 | 0.69 | |
| UCFB205-15A | 15/16 | 120.65 | 46.04 | 41.27 | 28.58 | 17.07 | 9.53 | 28.57 | 9.92 | 69.85 | 63.5 | 34.1 | 14.3 | 36.87 | M8 | 0.69 | |
| UCFB205-16A | 1/1 | 120.65 | 46.04 | 41.27 | 28.58 | 17.07 | 9.53 | 28.57 | 9.92 | 69.85 | 63.5 | 34.1 | 14.3 | 36.87 | M8 | 0.69 | |
| UCFB206A | 30 | 136.53 | 52.39 | 47.63 | 31.75 | 18.65 | 12.7 | 31.75 | 9.92 | 82.55 | 69.85 | 38.1 | 15.9 | 40.85 | M8 | 0.93 | |
| UCFB206-17A | 1/16 | 136.53 | 52.39 | 47.63 | 31.75 | 18.65 | 12.7 | 31.75 | 9.92 | 82.55 | 69.85 | 38.1 | 15.9 | 40.85 | M8 | 0.93 | |
| UCFB206-18A | 1/8 | 136.53 | 52.39 | 47.63 | 31.75 | 18.65 | 12.7 | 31.75 | 9.92 | 82.55 | 69.85 | 38.1 | 15.9 | 40.85 | M8 | 0.93 | |
| UCFB206-19A | 3/16 | 136.53 | 52.39 | 47.63 | 31.75 | 18.65 | 12.7 | 31.75 | 9.92 | 82.55 | 69.85 | 38.1 | 15.9 | 40.85 | M8 | 0.93 | |
| UCFB206-20A | 1/4 | 136.53 | 52.39 | 47.63 | 31.75 | 18.65 | 12.7 | 31.75 | 9.92 | 82.55 | 69.85 | 38.1 | 15.9 | 40.85 | M8 | 0.93 | |
| UCFB207A | 35 | 155.58 | 60.33 | 50.8 | 31.75 | 21.03 | 12.7 | 36.51 | 13.1 | 95.25 | 82.55 | 42.9 | 17.5 | 46.43 | M8 | 1.3 | |
| UCFB207-20A | 1/4 | 155.58 | 60.33 | 50.8 | 31.75 | 21.03 | 12.7 | 36.51 | 13.1 | 95.25 | 82.55 | 42.9 | 17.5 | 46.43 | M8 | 1.3 | |
| UCFB207-21A | 5/16 | 155.58 | 60.33 | 50.8 | 31.75 | 21.03 | 12.7 | 36.51 | 13.1 | 95.25 | 82.55 | 42.9 | 17.5 | 46.43 | M8 | 1.3 | |
| UCFB207-22A | 3/8 | 155.58 | 60.33 | 50.8 | 31.75 | 21.03 | 12.7 | 36.51 | 13.1 | 95.25 | 82.55 | 42.9 | 17.5 | 46.43 | M8 | 1.3 | |
| UCFB207-23A | 7/16 | 155.58 | 60.33 | 50.8 | 31.75 | 21.03 | 12.7 | 36.51 | 13.1 | 95.25 | 82.55 | 42.9 | 17.5 | 46.43 | M8 | 1.3 | |
| UCFB208A | 40 | 164.31 | 60.33 | 50.01 | 41.27 | 21.03 | 15.88 | 35.72 | 11.91 | 100.01 | 77.79 | 49.2 | 19 | 51.23 | M10 | 1.8 | |
| UCFB208-24A | 1/2 | 164.31 | 60.33 | 50.01 | 41.27 | 21.03 | 15.88 | 35.72 | 11.91 | 100.01 | 77.79 | 49.2 | 19 | 51.23 | M10 | 1.8 | |
| UCFB208-25A | 9/16 | 164.31 | 60.33 | 50.01 | 41.27 | 21.03 | 15.88 | 35.72 | 11.91 | 100.01 | 77.79 | 49.2 | 19 | 51.23 | M10 | 1.8 | |

| Número de unidad | Diámetro del eje | Dimensiones (mm) | Tamaño del perno (mm) | Peso (kg) |
|||||||||||||
| d | Ho | H | J | j | A2 | A1 | A | N | L | P | B1 | S | Z | ||||
| (in) | (mm) | ||||||||||||||||
| UEFB204 | 20 | 110 | 42 | 32 | 27 | 15 | 13 | 25.5 | 10 | 62 | 52 | 33 | 12.7 | 35.3 | M8 | 0.692 | |
| UEFB204-12 | 3/4 | ||||||||||||||||
| UEFB205 | 25 | 116 | 45 | 34 | 27 | 16 | 13 | 27 | 10 | 68 | 56 | 35.4 | 14.3 | 37.1 | M8 | 0.87 | |
| UEFB205-14 | 7/8 | ||||||||||||||||
| UEFB205-15 | 15/16 | ||||||||||||||||
| UEFB205-16 | 1/1 | ||||||||||||||||
| UEFB206 | 30 | 130 | 50 | 40 | 29 | 18 | 13 | 31 | 10 | 78 | 65 | 39.8 | 15.9 | 41.9 | M8 | 1.13 | |
| UEFB206-17 | 1/16 | ||||||||||||||||
| UEFB206-18 | 1/8 | ||||||||||||||||
| UEFB206-19 | 3/16 | ||||||||||||||||
| UEFB206-20 | 1/4 | ||||||||||||||||
| UEFB207 | 35 | 144 | 55 | 46 | 32 | 19 | 15 | 34 | 10 | 90 | 70 | 43.9 | 17.5 | 45.4 | M8 | 1.5 | |
| UEFB207-20 | 1/4 | ||||||||||||||||
| UEFB207-21 | 5/16 | ||||||||||||||||
| UEFB207-22 | 3/8 | ||||||||||||||||
| UEFB207-23 | 7/16 | ||||||||||||||||
| UEFB208 | 40 | 164 | 60 | 50 | 41 | 21 | 16 | 36 | 12 | 100 | 78 | 50.2 | 19 | 52.2 | M10 | 2.07 | |
| UEFB208-24 | 1/2 | ||||||||||||||||
| UEFB208-25 | 9/16 | ||||||||||||||||
| UEFB209 | 45 | 174 | 65 | 54 | 43 | 22 | 18 | 38 | 12 | 106 | 80 | 50.2 | 19 | 53.2 | M10 | 2.43 | |
| UEFB209-26 | 5/8 | ||||||||||||||||
| UEFB209-27 | 16/11 | ||||||||||||||||
| UEFB209-28 | 3/4 | ||||||||||||||||
| UEFB210 | 50 | 184 | 68 | 58 | 46 | 22 | 18 | 40 | 12 | 112 | 86 | 52.6 | 19 | 55.6 | M10 | 2.8 | |
| UEFB210-30 | 7/8 | ||||||||||||||||
| UEFB210-31 | 1-15/16 | ||||||||||||||||
| UEFB210-32 | 1/2 | ||||||||||||||||

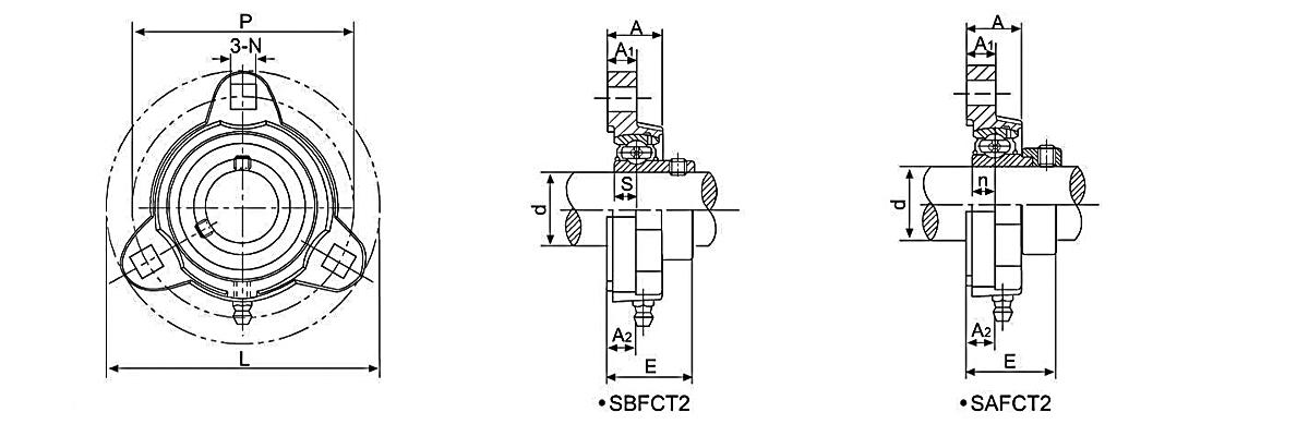
| Número de unidad | Diámetro del eje | Dimensiones (mm) | Tamaño del perno | Número de rodamiento | Alojamiento NO. | Peso(kg) | |||||||||
| d | L | P | A1 | A | A2 | N | s | E | |||||||
| (in) | (mm) | (mm) | (in) | ||||||||||||
| SBFCT201 | 12 | 81 | 63.5 | 10.7 | 19.1 | 10.7 | 7.1 | 6 | 26.7 | M6 | 1/4 | SB201 | FCT203 | 0.21 | |
| SBFCT201-8 | 1/2 | 81 | 63.5 | 10.7 | 19.1 | 10.7 | 7.1 | 6 | 26.7 | M6 | 1/4 | SB201-8 | FCT203 | 0.21 | |
| SBFCT202 | 15 | 81 | 63.5 | 10.7 | 19.1 | 10.7 | 7.1 | 6 | 26.7 | M6 | 1/4 | SB202 | FCT203 | 0.21 | |
| SBFCT202-10 | 5/8 | 81 | 63.5 | 10.7 | 19.1 | 10.7 | 7.1 | 6 | 26.7 | M6 | 1/4 | SB202-10 | FCT203 | 0.21 | |
| SBFCT203 | 17 | 81 | 63.5 | 10.7 | 19.1 | 10.7 | 7.1 | 6 | 26.7 | M6 | 1/4 | SB203 | FCT203 | 0.21 | |
| SBFCT203-11 | 16/11 | 81 | 63.5 | 10.7 | 19.1 | 10.7 | 7.1 | 6 | 26.7 | M6 | 1/4 | SB203-11 | FCT203 | 0.21 | |
| SBFCT204-12 | 3/4 | 90.5 | 71.4 | 11.1 | 19.8 | 11.1 | 8.7 | 7 | 29.1 | M8 | 5/16 | SB204-12 | FCT204 | 0.32 | |
| SBFCT204 | 20 | 90.5 | 71.4 | 11.1 | 19.8 | 11.1 | 8.7 | 7 | 29.1 | M8 | 5/16 | SB204 | FCT204 | 0.32 | |
| SBFCT205-14 | 7/8 | 95.2 | 76.2 | 10.3 | 19.8 | 10.3 | 8.7 | 7.5 | 29.8 | M8 | 5/16 | SB205-14 | FCT205 | 0.36 | |
| SBFCT205-15 | 15/16 | 95.2 | 76.2 | 10.3 | 19.8 | 10.3 | 8.7 | 7.5 | 29.8 | M8 | 5/16 | SB205-15 | FCT205 | 0.36 | |
| SBFCT205 | 25 | 95.2 | 76.2 | 10.3 | 19.8 | 10.3 | 8.7 | 7.5 | 29.8 | M8 | 5/16 | SB205 | FCT205 | 0.36 | |
| SBFCT205-16 | 1/1 | 95.2 | 76.2 | 10.3 | 19.8 | 10.3 | 8.7 | 7.5 | 29.8 | M8 | 5/16 | SB205-16 | FCT205 | 0.36 | |
| SBFCT206-18 | 1/8 | 113 | 90.5 | 12 | 22 | 12 | 10.3 | 8 | 34 | M10 | 3/8 | SB206-18 | FCT206 | 0.57 | |
| SBFCT206 | 30 | 113 | 90.5 | 12 | 22 | 12 | 10.3 | 8 | 34 | M10 | 3/8 | SB206 | FCT206 | 0.57 | |
| SBFCT206-19 | 3/16 | 113 | 90.5 | 12 | 22 | 12 | 10.3 | 8 | 34 | M10 | 3/8 | SB2206-19 | FCT206 | 0.57 | |
| SBFCT206-20 | 1/4 | 113 | 90.5 | 12 | 22 | 12 | 10.3 | 8 | 34 | M10 | 3/8 | SB206-20 | FCT206 | 0.57 | |
| SBFCT207-20 | 1/4 | 122.5 | 100 | 12.7 | 23.8 | 12.7 | 10.3 | 8.5 | 36.2 | M10 | 3/8 | SB207-20 | FCT207 | 0.71 | |
| SBFCT207-21 | 5/16 | 122.5 | 100 | 12.7 | 23.8 | 12.7 | 10.3 | 8.5 | 36.2 | M10 | 3/8 | SB207-21 | FCT207 | 0.71 | |
| SBFCT207-22 | 3/8 | 122.5 | 100 | 12.7 | 23.8 | 12.7 | 10.3 | 8.5 | 36.2 | M10 | 3/8 | SB207-22 | FCT207 | 0.71 | |
| SBFCT207 | 35 | 122.5 | 100 | 12.7 | 23.8 | 12.7 | 10.3 | 8.5 | 36.2 | M10 | 3/8 | SB2207 | FCT207 | 0.71 | |
| SBFCT207-23 | 7/16 | 122.5 | 100 | 12.7 | 23.8 | 12.7 | 10.3 | 8.5 | 36.2 | M10 | 3/8 | SB207-23 | FCT207 | 0.71 | |
| Número de unidad | Diámetro del eje | Dimensiones (mm) | Tamaño del perno | Número de rodamiento | Alojamiento NO. | Peso(kg) | |||||||||
| d | L | P | A1 | A | A2 | s | n | E | |||||||
| (in) | (mm) | (mm) | (in) | ||||||||||||
| SAFCT201 | 12 | 81 | 63.5 | 10.7 | 19.1 | 10.7 | 7.1 | 6.5 | 32.8 | IV16 | 1/4 | SA201 | FCT203 | 0.26 | |
| SAFCT201-8 | 1/2 | 81 | 63.5 | 10.7 | 19.1 | 10.7 | 7.1 | 6.5 | 32.8 | IV16 | 1/4 | SA201-8 | FCT203 | 0.26 | |
| SAFCT202 | 15 | 81 | 63.5 | 10.7 | 19.1 | 10.7 | 7.1 | 6.5 | 32.8 | IV16 | 1/4 | SA202 | FCT203 | 0.26 | |
| SAFCT202-10 | 5/8 | 81 | 63.5 | 10.7 | 19.1 | 10.7 | 7.1 | 6.5 | 32.8 | IV16 | 1/4 | SA202-10 | FCT203 | 0.26 | |
| SAFCT203 | 17 | 81 | 63.5 | 10.7 | 19.1 | 10.7 | 7.1 | 6.5 | 32.8 | IV16 | 1/4 | SA203 | FCT203 | 0.26 | |
| SAFCT203-11 | 16/11 | 81 | 63.5 | 10.7 | 19.1 | 10.7 | 7.1 | 6.5 | 32.8 | IV16 | 1/4 | SA203-11 | FCT203 | 0.26 | |
| SAFCT204-12 | 3/4 | 90.5 | 71.4 | 11.1 | 19.8 | 11.1 | 8.7 | 7.5 | 34.5 | M8 | 5/16 | SA204-12 | FCT204 | 0.34 | |
| SAFCT204 | 20 | 90.5 | 71.4 | 11.1 | 19.8 | 11.1 | 8.7 | 7.5 | 34.5 | M8 | 5/16 | SA204 | FCT204 | 0.34 | |
| SAFCT205-14 | 7/8 | 95.2 | 76.2 | 10.3 | 19.8 | 10.3 | 8.7 | 7.5 | 33.7 | M8 | 5/16 | SA205-14 | FCT205 | 0.39 | |
| SAFCT205-15 | 15/16 | 95.2 | 76.2 | 10.3 | 19.8 | 10.3 | 8.7 | 7.5 | 33.7 | M8 | 5/16 | SA205-15 | FCT205 | 0.39 | |
| SAFCT205 | 25 | 95.2 | 76.2 | 10.3 | 19.8 | 10.3 | 8.7 | 7.5 | 33.7 | M8 | 5/16 | SA205 | FCT205 | 0.39 | |
| SAFCT205-16 | 1/1 | 95.2 | 76.2 | 10.3 | 19.8 | 10.3 | 8.7 | 7.5 | 33.7 | M8 | 5/16 | SA205-16 | FCT205 | 0.39 | |
| SAFCT206-18 | 1/8 | 113 | 90.5 | 12 | 22 | 12 | 10.3 | 9 | 38.7 | M10 | 3/8 | SA206-18 | FCT206 | 0.61 | |
| SAFCT206 | 30 | 113 | 90.5 | 12 | 22 | 12 | 10.3 | 9 | 38.7 | M10 | 3/8 | SA206 | FCT206 | 0.61 | |
| SAFCT206-19 | 3/16 | 113 | 90.5 | 12 | 22 | 12 | 10.3 | 9 | 38.7 | M10 | 3/8 | SA206-19 | FCT206 | 0.61 | |
| SAFCT206-20 | 1/4 | 113 | 90.5 | 12 | 22 | 12 | 10.3 | 9 | 38.7 | M10 | 3/8 | SA206-20 | FCT206 | 0.61 | |
| SAFCT207-20 | 1/4 | 122.5 | 100 | 12.7 | 23.8 | 12.7 | 10.3 | 9.5 | 42.1 | M10 | 3/8 | SA207-20 | FCT207 | 0.82 | |
| SAFCT207-21 | 5/16 | 122.5 | 100 | 12.7 | 23.8 | 12.7 | 10.3 | 9.5 | 42.1 | M10 | 3/8 | SA207-21 | FCT207 | 0.82 | |
| SAFCT207-22 | 3/8 | 122.5 | 100 | 12.7 | 23.8 | 12.7 | 10.3 | 9.5 | 42.1 | M10 | 3/8 | SA207-22 | FCT207 | 0.82 | |
| SAFCT207 | 35 | 122.5 | 100 | 12.7 | 23.8 | 12.7 | 10.3 | 9.5 | 42.1 | M10 | 3/8 | SA207 | FCT207 | 0.82 | |
| SAFCT207-23 | 7/16 | 122.5 | 100 | 12.7 | 23.8 | 12.7 | 10.3 | 9.5 | 42.1 | M10 | 3/8 | SA207-23 | FCT207 | 0.82 | |
0+
años
Experiencia en la industria
0+
Diversidad de modelos
0+
Número de empleados
0
$
Valor anual de las exportaciones
Horario de la exposición: 8-11 de julio de 2024 Lugar de la exposición: Ekaterimburgo, Rusia Número de stand: IS37 Ciclo de exposición: Una vez al añoOrganizador: Ministerio de Industria y...
La aplicación de rodamientos en la industria metalúrgica incluye principalmente las siguientes áreas: 1. Maquinaria de laminación: La maquinaria de laminación en la industria metalúrgica es un e...
El motor es el núcleo del funcionamiento de los equipos industriales y el rodamiento es el componente mecánico clave del motor. El rodamiento soporta todas las cargas y tensiones que se...
Asimismo, es una plataforma esencial para fomentar la cooperación integral, profesional e internacional en sectores como herramientas mecánicas, automoción, maquinaria agrícola, maquinaria de ingenier...