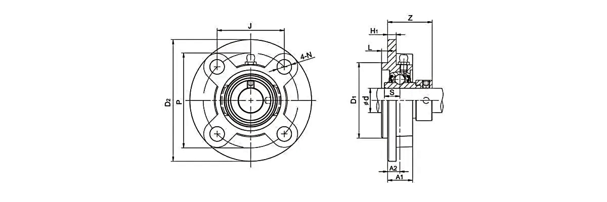
Las unidades de rodamientos de cartucho con brida son unidades de soportes rígidos de hierro fundido con cartucho de brida pilotada e insertos de rodamiento de aro interior más anchos.
Unidades de rodamientos de cartucho con brida, servicio estándar UCFC, rodamiento de Anillo interior más ancho, bloqueo de tornillo de fijación, carcasa de hierro gris fundido Unidades de rodamientos de cartucho con brida
Son unidades de soportes rígidos de fundición con cartucho de brida pilotada e insertos de rodamiento de aro interior más anchos.
Pintura estándar en verde (otros colores están disponibles para elegir).
Para esta serie están disponibles trabajos estándar (FC200) y trabajos medianos (FCX).
Las tapas de los extremos de acero estampado son capaces de proteger contra la contaminación externa y el polvo.
La capacidad de autoalineación de los rodamientos de bolas puede compensar una ligera desalineación estática del eje. Los insertos de rodamiento se bloquean en el eje mediante tornillos de fijación, collares de bloqueo excéntricos, manguitos adaptadores y collares de bloqueo concéntricos, etc.
Los lubricantes que se rellenan dentro de los insertos de rodamientos de bolas esféricos pueden ser grasa estándar, grasa para temperaturas altas y bajas y grasa de calidad alimentaria.

| Número de unidad | Diámetro deL eje | Dimensiones (mm) | Tamaño del perno (mm) | Peso (kg) | ||||||||||||
| d | D2 | P | J | A2 | N | L | H1 | A1 | D1 | B | S | Z | ||||
| (in) | (mm) | |||||||||||||||
| UCWFC201 | 12 | 90 | 70 | 49.5 | 10 | 10 | 4 | 5 | 19 | 55 | 27.4 | 11.5 | 25.9 | M8 | 0.64 | |
| UCWFC201-8 | 1/2 | 90 | 70 | 49.5 | 10 | 10 | 4 | 5 | 19 | 55 | 27.4 | 11.5 | 25.9 | M8 | 0.64 | |
| UCWFC202 | 15 | 90 | 70 | 49.5 | 10 | 10 | 4 | 5 | 19 | 55 | 27.4 | 11.5 | 25.9 | M8 | 0.6 | |
| UCWFC202-9 | 9/16 | 90 | 70 | 49.5 | 10 | 10 | 4 | 5 | 19 | 55 | 27.4 | 11.5 | 25.9 | M8 | 0.6 | |
| UCWFC202-10 | 5/8 | 90 | 70 | 49.5 | 10 | 10 | 4 | 5 | 19 | 55 | 27.4 | 11.5 | 25.9 | M8 | 0.6 | |
| UCWFC203 | 17 | 90 | 70 | 49.5 | 10 | 10 | 4 | 5 | 19 | 55 | 27.4 | 11.5 | 25.9 | M8 | 0.58 | |
| UCWFC203-11 | 16/11 | 90 | 70 | 49.5 | 10 | 10 | 4 | 5 | 19 | 55 | 27.4 | 11.5 | 25.9 | M8 | 0.58 | |
| FCC204 | 20 | 100 | 78 | 55.1 | 10 | 12 | 5 | 7 | 20.5 | 62 | 31 | 12.7 | 28.3 | M10 | 0.75 | |
| FCC204-12 | 3/4 | 100 | 78 | 55.1 | 10 | 12 | 5 | 7 | 20.5 | 62 | 31 | 12.7 | 28.3 | M10 | 0.75 | |
| FCC205 | 25 | 115 | 90 | 63.6 | 10 | 12 | 6 | 7 | 21 | 70 | 34.1 | 14.3 | 29.8 | M10 | 1 | |
| FCC205-14 | 7/8 | 115 | 90 | 63.6 | 10 | 12 | 6 | 7 | 21 | 70 | 34.1 | 14.3 | 29.8 | M10 | 1 | |
| FCC205-15 | 15/16 | 115 | 90 | 63.6 | 10 | 12 | 6 | 7 | 21 | 70 | 34.1 | 14.3 | 29.8 | M10 | 1 | |
| FCC205-16 | 1/1 | 115 | 90 | 63.6 | 10 | 12 | 6 | 7 | 21 | 70 | 34.1 | 14.3 | 29.8 | M10 | 1 | |
| FCC206 | 30 | 125 | 100 | 70.7 | 10 | 12 | 8 | 8 | 23 | 80 | 38.1 | 15.9 | 32.2 | M10 | 1.3 | |
| FCC206-17 | 1/16 | 125 | 100 | 70.7 | 10 | 12 | 8 | 8 | 23 | 80 | 38.1 | 15.9 | 32.2 | M10 | 1.3 | |
| FCC206-18 | 1/8 | 125 | 100 | 70.7 | 10 | 12 | 8 | 8 | 23 | 80 | 38.1 | 15.9 | 32.2 | M10 | 1.3 | |
| FCC206-19 | 3/16 | 125 | 100 | 70.7 | 10 | 12 | 8 | 8 | 23 | 80 | 38.1 | 15.9 | 32.2 | M10 | 1.3 | |
| FCC206-20 | 1/4 | 125 | 100 | 70.7 | 10 | 12 | 8 | 8 | 23 | 80 | 38.1 | 15.9 | 32.2 | M10 | 1.3 | |
| FCC207 | 35 | 135 | 110 | 77.8 | 11 | 14 | 8 | 9 | 26 | 90 | 42.9 | 17.5 | 36.4 | M12 | 1.75 | |
| FCC207-20 | 1/4 | 135 | 110 | 77.8 | 11 | 14 | 8 | 9 | 26 | 90 | 42.9 | 17.5 | 36.4 | M12 | 1.75 | |
| FCC207-21 | 5/16 | 135 | 110 | 77.8 | 11 | 14 | 8 | 9 | 26 | 90 | 42.9 | 17.5 | 36.4 | M12 | 1.75 | |
| FCC207-22 | 3/8 | 135 | 110 | 77.8 | 11 | 14 | 8 | 9 | 26 | 90 | 42.9 | 17.5 | 36.4 | M12 | 1.75 | |
| FCC207-23 | 7/16 | 135 | 110 | 77.8 | 11 | 14 | 8 | 9 | 26 | 90 | 42.9 | 17.5 | 36.4 | M12 | 1.75 | |
| FCC208 | 40 | 145 | 120 | 84.8 | 11 | 14 | 10 | 9 | 26 | 100 | 49.2 | 19 | 41.2 | M12 | 2 | |
| FCC208-24 | 1/2 | 145 | 120 | 84.8 | 11 | 14 | 10 | 9 | 26 | 100 | 49.2 | 19 | 41.2 | M12 | 2 | |
| FCC208-25 | 9/16 | 145 | 120 | 84.8 | 11 | 14 | 10 | 9 | 26 | 100 | 49.2 | 19 | 41.2 | M12 | 2 | |
| FCC209 | 45 | 160 | 132 | 93.3 | 10 | 16 | 12 | 14 | 26 | 105 | 49.2 | 19 | 40.2 | M14 | 2.5 | |
| FCC209-26 | 5/8 | 160 | 132 | 93.3 | 10 | 16 | 12 | 14 | 26 | 105 | 49.2 | 19 | 40.2 | M14 | 2.5 | |
| FCC209-27 | 16/11 | 160 | 132 | 93.3 | 10 | 16 | 12 | 14 | 26 | 105 | 49.2 | 19 | 40.2 | M14 | 2.5 | |
| FCC209-28 | 3/4 | 160 | 132 | 93.3 | 10 | 16 | 12 | 14 | 26 | 105 | 49.2 | 19 | 40.2 | M14 | 2.5 | |
| FCC210 | 50 | 165 | 138 | 97.6 | 10 | 16 | 12 | 14 | 28 | 110 | 51.6 | 19 | 42.6 | M14 | 2.95 | |
| FCC210-30 | 7/8 | 165 | 138 | 97.6 | 10 | 16 | 12 | 14 | 28 | 110 | 51.6 | 19 | 42.6 | M14 | 2.95 | |
| FCC210-31 | 1-15/16 | 165 | 138 | 97.6 | 10 | 16 | 12 | 14 | 28 | 110 | 51.6 | 19 | 42.6 | M14 | 2.95 | |
| FCC210-32 | 1/2 | 165 | 138 | 97.6 | 10 | 16 | 12 | 14 | 28 | 110 | 51.6 | 19 | 42.6 | M14 | 2.95 | |
| FCC211 | 55 | 185 | 150 | 106.1 | 13 | 19 | 12 | 15 | 30 | 125 | 55.6 | 22.2 | 46.4 | M16 | 4 | |
| FCC211-32 | 1/2 | 185 | 150 | 106.1 | 13 | 19 | 12 | 15 | 30 | 125 | 55.6 | 22.2 | 46.4 | M16 | 4 | |
| FCC211-34 | 1/8 | 185 | 150 | 106.1 | 13 | 19 | 12 | 15 | 30 | 125 | 55.6 | 22.2 | 46.4 | M16 | 4 | |
| FCC211-35 | 3/16 | 185 | 150 | 106.1 | 13 | 19 | 12 | 15 | 30 | 125 | 55.6 | 22.2 | 46.4 | M16 | 4 | |
| FCC212 | 60 | 195 | 160 | 113.1 | 17 | 19 | 12 | 15 | 35 | 135 | 65.1 | 25.4 | 56.7 | M16 | 4.9 | |
| FCC212-36 | 1/4 | 195 | 160 | 113.1 | 17 | 19 | 12 | 15 | 35 | 135 | 65.1 | 25.4 | 56.7 | M16 | 4.9 | |
| FCC212-38 | 3/8 | 195 | 160 | 113.1 | 17 | 19 | 12 | 15 | 35 | 135 | 65.1 | 25.4 | 56.7 | M16 | 4.9 | |
| FCC212-39 | 7/16 | 195 | 160 | 113.1 | 17 | 19 | 12 | 15 | 35 | 135 | 65.1 | 25.4 | 56.7 | M16 | 4.9 | |
| FCC213 | 65 | 205 | 170 | 120.2 | 16 | 19 | 14 | 15 | 36 | 145 | 65.1 | 25.4 | 55.7 | M16 | 5.35 | |
| FCC213-40 | 1/2 | 205 | 170 | 120.2 | 16 | 19 | 14 | 15 | 36 | 145 | 65.1 | 25.4 | 55.7 | M16 | 5.35 | |
| FCC214 | 70 | 215 | 177 | 125.1 | 17 | 19 | 14 | 18 | 38 | 150 | 74.6 | 30.2 | 61.4 | M16 | 6.9 | |
| FCC214-44 | 3/4 | 215 | 177 | 125.1 | 17 | 19 | 14 | 18 | 38 | 150 | 74.6 | 30.2 | 61.4 | M16 | 6.9 | |
| FCC215 | 75 | 220 | 184 | 130.1 | 18 | 19 | 16 | 18 | 39 | 160 | 77.8 | 33.3 | 62.5 | M16 | 7.5 | |
| FCC215-47 | 2-15/16 | 220 | 184 | 130.1 | 18 | 19 | 16 | 18 | 39 | 160 | 77.8 | 33.3 | 62.5 | M16 | 7.5 | |
| FCC215-48 | 1/3 | 220 | 184 | 130.1 | 18 | 19 | 16 | 18 | 39 | 160 | 77.8 | 33.3 | 62.5 | M16 | 7.5 | |
| FCC216 | 80 | 240 | 200 | 141.4 | 18 | 23 | 16 | 18 | 42 | 170 | 82.6 | 33.3 | 67.3 | M20 | 8.7 | |
| FCC217 | 85 | 250 | 208 | 147.1 | 18 | 23 | 18 | 20 | 45 | 180 | 85.7 | 34.1 | 69.6 | M20 | 10.3 | |
| FCC217-52 | 1/4 | 250 | 208 | 147.1 | 18 | 23 | 18 | 20 | 45 | 180 | 85.7 | 34.1 | 69.6 | M20 | 10.3 | |
| FCC218 | 90 | 265 | 220 | 155.5 | 22 | 23 | 18 | 20 | 50 | 190 | 96 | 39.7 | 78.3 | M20 | 13.5 | |
| FCC218-56 | 1/2 | 265 | 220 | 155.5 | 22 | 23 | 18 | 20 | 50 | 190 | 96 | 39.7 | 78.3 | M20 | 13.5 | |

| Número de unidad | Diámetro deL eje | Dimensiones (mm) | Tamaño del perno (mm) | Peso (kg) | |||||||||||
| d | D2 | P | J | A2 | N | L | H1 | A1 | D1 | S | Z | ||||
| (in) | (mm) | ||||||||||||||
| NAFC201S | 12 | 90 | 70 | 49.5 | 10 | 10 | 4 | 5 | 19 | 55 | 13.9 | 33.4 | M8 | 0.6 | |
| NAFC201-8S | 1/2 | 90 | 70 | 49.5 | 10 | 10 | 4 | 5 | 19 | 55 | 13.9 | 33.4 | M8 | 0.6 | |
| NAFC202S | 15 | 90 | 70 | 49.5 | 10 | 10 | 4 | 5 | 19 | 55 | 13.9 | 33.4 | M8 | 0.6 | |
| NAFC202-10S | 5/8 | 90 | 70 | 49.5 | 10 | 10 | 4 | 5 | 19 | 55 | 13.9 | 33.4 | M8 | 0.6 | |
| NAFC203S | 17 | 90 | 70 | 49.5 | 10 | 10 | 4 | 5 | 19 | 55 | 13.9 | 33.4 | M8 | 0.6 | |
| NAFC203-11S | 16/11 | 90 | 70 | 49.5 | 10 | 10 | 4 | 5 | 19 | 55 | 13.9 | 33.4 | M8 | 0.6 | |
| NAFC201 | 12 | 100 | 78 | 55.1 | 10 | 12 | 5 | 7 | 20.5 | 62 | 17.1 | 36.5 | M10 | 0.83 | |
| NAFC201-8 | 1/2 | 100 | 78 | 55.1 | 10 | 12 | 5 | 7 | 20.5 | 62 | 17.1 | 36.5 | M10 | 0.83 | |
| NAFC202 | 15 | 100 | 78 | 55.1 | 10 | 12 | 5 | 7 | 20.5 | 62 | 17.1 | 36.5 | M10 | 0.83 | |
| NAFC202-10 | 5/8 | 100 | 78 | 55.1 | 10 | 12 | 5 | 7 | 20.5 | 62 | 17.1 | 36.5 | M10 | 0.83 | |
| NAFC203 | 17 | 100 | 78 | 55.1 | 10 | 12 | 5 | 7 | 20.5 | 62 | 17.1 | 36.5 | M10 | 0.83 | |
| NAFC203-11 | 16/11 | 100 | 78 | 55.1 | 10 | 12 | 5 | 7 | 20.5 | 62 | 17.1 | 36.5 | M10 | 0.83 | |
| NAFC204 | 20 | 100 | 78 | 55.1 | 10 | 12 | 5 | 7 | 20.5 | 62 | 17.1 | 36.5 | M10 | 0.83 | |
| NAFC204-12 | 3/4 | 100 | 78 | 55.1 | 10 | 12 | 5 | 7 | 20.5 | 62 | 17.1 | 36.5 | M10 | 0.83 | |
| NAFC205 | 25 | 115 | 90 | 63.6 | 10 | 12 | 6 | 7 | 21 | 70 | 17.5 | 36.9 | M10 | 1 | |
| NAFC205-14 | 7/8 | 115 | 90 | 63.6 | 10 | 12 | 6 | 7 | 21 | 70 | 17.5 | 36.9 | M10 | 1 | |
| NAFC205-15 | 15/16 | 115 | 90 | 63.6 | 10 | 12 | 6 | 7 | 21 | 70 | 17.5 | 36.9 | M10 | 1 | |
| NAFC205-16 | 1/1 | 115 | 90 | 63.6 | 10 | 12 | 6 | 7 | 21 | 70 | 17.5 | 36.9 | M10 | 1 | |
| NAFC206 | 30 | 125 | 100 | 70.7 | 10 | 12 | 8 | 8 | 23 | 80 | 18.3 | 40.1 | M10 | 1.5 | |
| NAFC206-18 | 1/8 | 125 | 100 | 70.7 | 10 | 12 | 8 | 8 | 23 | 80 | 18.3 | 40.1 | M10 | 1.5 | |
| NAFC206-19 | 3/16 | 125 | 100 | 70.7 | 10 | 12 | 8 | 8 | 23 | 80 | 18.3 | 40.1 | M10 | 1.5 | |
| NAFC206-20 | 1/4 | 125 | 100 | 70.7 | 10 | 12 | 8 | 8 | 23 | 80 | 18.3 | 40.1 | M10 | 1.5 | |
| NAFC207 | 35 | 135 | 110 | 77.8 | 11 | 14 | 8 | 9 | 26 | 90 | 18.8 | 43.3 | M12 | 1.8 | |
| NAFC207-20 | 1/4 | 135 | 110 | 77.8 | 11 | 14 | 8 | 9 | 26 | 90 | 18.8 | 43.3 | M12 | 1.8 | |
| NAFC207-21 | 5/16 | 135 | 110 | 77.8 | 11 | 14 | 8 | 9 | 26 | 90 | 18.8 | 43.3 | M12 | 1.8 | |
| NAFC207-22 | 3/8 | 135 | 110 | 77.8 | 11 | 14 | 8 | 9 | 26 | 90 | 18.8 | 43.3 | M12 | 1.8 | |
| NAFC207-23 | 7/16 | 135 | 110 | 77.8 | 11 | 14 | 8 | 9 | 26 | 90 | 18.8 | 43.3 | M12 | 1.8 | |
| NAFC208 | 40 | 145 | 120 | 84.8 | 11 | 14 | 10 | 9 | 26 | 100 | 21.4 | 45.9 | M12 | 2.2 | |
| NAFC208-24 | 1/2 | 145 | 120 | 84.8 | 11 | 14 | 10 | 9 | 26 | 100 | 21.4 | 45.9 | M12 | 2.2 | |
| NAFC208-25 | 9/16 | 145 | 120 | 84.8 | 11 | 14 | 10 | 9 | 26 | 100 | 21.4 | 45.9 | M12 | 2.2 | |
| NAFC209 | 45 | 160 | 132 | 93.3 | 10 | 16 | 12 | 14 | 26 | 105 | 21.4 | 44.9 | M14 | 2.8 | |
| NAFC209-26 | 5/8 | 160 | 132 | 93.3 | 10 | 16 | 12 | 14 | 26 | 105 | 21.4 | 44.9 | M14 | 2.8 | |
| NAFC209-27 | 16/11 | 160 | 132 | 93.3 | 10 | 16 | 12 | 14 | 26 | 105 | 21.4 | 44.9 | M14 | 2.8 | |
| NAFC209-28 | 3/4 | 160 | 132 | 93.3 | 10 | 16 | 12 | 14 | 26 | 105 | 21.4 | 44.9 | M14 | 2.8 | |
| NAFC210 | 50 | 165 | 138 | 97.6 | 10 | 16 | 12 | 14 | 28 | 110 | 24.6 | 48.1 | M14 | 3.3 | |
| NAFC210-30 | 7/8 | 165 | 138 | 97.6 | 10 | 16 | 12 | 14 | 28 | 110 | 24.6 | 48.1 | M14 | 3.3 | |
| NAFC210-31 | 1-15/16 | 165 | 138 | 97.6 | 10 | 16 | 12 | 14 | 28 | 110 | 24.6 | 48.1 | M14 | 3.3 | |
| NAFC211 | 55 | 185 | 150 | 106.1 | 13 | 19 | 12 | 15 | 30 | 125 | 27.8 | 56.6 | M16 | 4.5 | |
| NAFC211-32 | 1/2 | 185 | 150 | 106.1 | 13 | 19 | 12 | 15 | 30 | 125 | 27.8 | 56.6 | M16 | 4.5 | |
| NAFC211-34 | 1/8 | 185 | 150 | 106.1 | 13 | 19 | 12 | 15 | 30 | 125 | 27.8 | 56.6 | M16 | 4.5 | |
| NAFC211-35 | 3/16 | 185 | 150 | 106.1 | 13 | 19 | 12 | 15 | 30 | 125 | 27.8 | 56.6 | M16 | 4.5 | |
| NAFC212 | 60 | 195 | 160 | 113.1 | 17 | 19 | 12 | 15 | 35 | 135 | 31 | 63.8 | M16 | 5.7 | |
| NAFC212-36 | 1/4 | 195 | 160 | 113.1 | 17 | 19 | 12 | 15 | 35 | 135 | 31 | 63.8 | M16 | 5.7 | |
| NAFC212-38 | 3/8 | 195 | 160 | 113.1 | 17 | 19 | 12 | 15 | 35 | 135 | 31 | 63.8 | M16 | 5.7 | |
| NAFC212-39 | 7/16 | 195 | 160 | 113.1 | 17 | 19 | 12 | 15 | 35 | 135 | 31 | 63.8 | M16 | 5.7 | |
| NAFC213 | 65 | 205 | 170 | 120.2 | 16 | 19 | 14 | 15 | 36 | 145 | 34.3 | 67.6 | M16 | 6.5 | |
| NAFC213-40 | 1/2 | 205 | 170 | 120.2 | 16 | 19 | 14 | 15 | 36 | 145 | 34.3 | 67.6 | M16 | 6.5 | |
| NAFC214 | 70 | 215 | 177 | 125.1 | 17 | 19 | 14 | 18 | 38 | 150 | 34.3 | 68.6 | M16 | 7.2 | |
| NAFC214-44 | 3/4 | 215 | 177 | 125.1 | 17 | 19 | 14 | 18 | 38 | 150 | 34.3 | 68.6 | M16 | 7.2 | |
| NAFC215 | 75 | 220 | 184 | 130.1 | 18 | 19 | 16 | 18 | 39 | 160 | 37.3 | 72.8 | M16 | 8 | |
| NAFC215-48 | 1/3 | 220 | 184 | 130.1 | 18 | 19 | 16 | 18 | 39 | 160 | 37.3 | 72.8 | M16 | 8 | |

| Número de unidad | Diámetro deL eje | Dimensiones (mm) | Tamaño del perno (mm) | Peso (kg) | ||||||||||||
| d | D2 | P | J | A2 | N | L | H1 | A1 | D1 | B1 | S | Z | ||||
| (in) | (mm) | |||||||||||||||
| UEFC204 | 20 | 100 | 78 | 55.1 | 10 | 12 | 5 | 7 | 20.5 | 62 | 33 | 12.7 | 30.3 | M10 | 0.75 | |
| UEFC204-12 | 3/4 | 100 | 78 | 55.1 | 10 | 12 | 5 | 7 | 20.5 | 62 | 33 | 12.7 | 30.3 | M10 | 0.75 | |
| UEFC205 | 25 | 115 | 90 | 63.6 | 10 | 12 | 6 | 7 | 21 | 70 | 35.4 | 14.3 | 31.1 | M10 | 1.06 | |
| UEFC205-14 | 7/8 | 115 | 90 | 63.6 | 10 | 12 | 6 | 7 | 21 | 70 | 35.4 | 14.3 | 31.1 | M10 | 1.06 | |
| UEFC205-15 | 15/16 | 115 | 90 | 63.6 | 10 | 12 | 6 | 7 | 21 | 70 | 35.4 | 14.3 | 31.1 | M10 | 1.06 | |
| UEFC205-16 | 1/1 | 115 | 90 | 63.6 | 10 | 12 | 6 | 7 | 21 | 70 | 35.4 | 14.3 | 31.1 | M10 | 1.06 | |
| UEFC206 | 30 | 125 | 100 | 70.7 | 10 | 12 | 8 | 8 | 23 | 80 | 39.8 | 15.9 | 33.9 | M10 | 1.54 | |
| UEFC206-17 | 1/16 | 125 | 100 | 70.7 | 10 | 12 | 8 | 8 | 23 | 80 | 39.8 | 15.9 | 33.9 | M10 | 1.54 | |
| UEFC206-18 | 1/8 | 125 | 100 | 70.7 | 10 | 12 | 8 | 8 | 23 | 80 | 39.8 | 15.9 | 33.9 | M10 | 1.54 | |
| UEFC206-19 | 3/16 | 125 | 100 | 70.7 | 10 | 12 | 8 | 8 | 23 | 80 | 39.8 | 15.9 | 33.9 | M10 | 1.54 | |
| UEFC206-20 | 1/4 | 125 | 100 | 70.7 | 10 | 12 | 8 | 8 | 23 | 80 | 39.8 | 15.9 | 33.9 | M10 | 1.54 | |
| UEFC207 | 35 | 135 | 110 | 77.8 | 11 | 14 | 8 | 9 | 26 | 90 | 43.9 | 17.5 | 37.4 | M12 | 1.82 | |
| UEFC207-20 | 1/4 | 135 | 110 | 77.8 | 11 | 14 | 8 | 9 | 26 | 90 | 43.9 | 17.5 | 37.4 | M12 | 1.82 | |
| UEFC207-21 | 5/16 | 135 | 110 | 77.8 | 11 | 14 | 8 | 9 | 26 | 90 | 43.9 | 17.5 | 37.4 | M12 | 1.82 | |
| UEFC207-22 | 3/8 | 135 | 110 | 77.8 | 11 | 14 | 8 | 9 | 26 | 90 | 43.9 | 17.5 | 37.4 | M12 | 1.82 | |
| UEFC207-23 | 7/16 | 135 | 110 | 77.8 | 11 | 14 | 8 | 9 | 26 | 90 | 43.9 | 17.5 | 37.4 | M12 | 1.82 | |
| UEFC208 | 40 | 145 | 120 | 84.8 | 11 | 14 | 10 | 9 | 26 | 100 | 50.2 | 19 | 42.2 | M12 | 2.23 | |
| UEFC208-24 | 1/2 | 145 | 120 | 84.8 | 11 | 14 | 10 | 9 | 26 | 100 | 50.2 | 19 | 42.2 | M12 | 2.23 | |
| UEFC208-25 | 9/16 | 145 | 120 | 84.8 | 11 | 14 | 10 | 9 | 26 | 100 | 50.2 | 19 | 42.2 | M12 | 2.23 | |
| UEFC209 | 45 | 160 | 132 | 93.3 | 10 | 16 | 12 | 14 | 26 | 105 | 50.2 | 19 | 41.2 | M14 | 2.72 | |
| UEFC209-26 | 5/8 | 160 | 132 | 93.3 | 10 | 16 | 12 | 14 | 26 | 105 | 50.2 | 19 | 41.2 | M14 | 2.72 | |
| UEFC209-27 | 16/11 | 160 | 132 | 93.3 | 10 | 16 | 12 | 14 | 26 | 105 | 50.2 | 19 | 41.2 | M14 | 2.72 | |
| UEFC209-28 | 3/4 | 160 | 132 | 93.3 | 10 | 16 | 12 | 14 | 26 | 105 | 50.2 | 19 | 41.2 | M14 | 2.72 | |
| UEFC210 | 50 | 165 | 138 | 97.6 | 10 | 16 | 12 | 14 | 28 | 110 | 52.6 | 19 | 43.6 | M14 | 3.24 | |
| UEFC210-30 | 7/8 | 165 | 138 | 97.6 | 10 | 16 | 12 | 14 | 28 | 110 | 52.6 | 19 | 43.6 | M14 | 3.24 | |
| UEFC210-31 | 1-15/16 | 165 | 138 | 97.6 | 10 | 16 | 12 | 14 | 28 | 110 | 52.6 | 19 | 43.6 | M14 | 3.24 | |
| UEFC210-32 | 1/2 | 165 | 138 | 97.6 | 10 | 16 | 12 | 14 | 28 | 110 | 52.6 | 19 | 43.6 | M14 | 3.24 | |
| UEFC211 | 55 | 185 | 150 | 106.1 | 13 | 19 | 12 | 15 | 30 | 125 | 56.6 | 22.2 | 47.4 | M16 | 4.32 | |
| UEFC211-32 | 1/2 | 185 | 150 | 106.1 | 13 | 19 | 12 | 15 | 30 | 125 | 56.6 | 22.2 | 47.4 | M16 | 4.32 | |
| UEFC211-34 | 1/8 | 185 | 150 | 106.1 | 13 | 19 | 12 | 15 | 30 | 125 | 56.6 | 22.2 | 47.4 | M16 | 4.32 | |
| UEFC211-35 | 3/16 | 185 | 150 | 106.1 | 13 | 19 | 12 | 15 | 30 | 125 | 56.6 | 22.2 | 47.4 | M16 | 4.32 | |
| UEFC212 | 60 | 195 | 160 | 113.1 | 17 | 19 | 12 | 15 | 35 | 135 | 66.6 | 25.4 | 58.2 | M16 | 5.33 | |
| UEFC212-36 | 1/4 | 195 | 160 | 113.1 | 17 | 19 | 12 | 15 | 35 | 135 | 66.6 | 25.4 | 58.2 | M16 | 5.33 | |
| UEFC212-38 | 3/8 | 195 | 160 | 113.1 | 17 | 19 | 12 | 15 | 35 | 135 | 66.6 | 25.4 | 58.2 | M16 | 5.33 | |
| UEFC212-39 | 7/16 | 195 | 160 | 113.1 | 17 | 19 | 12 | 15 | 35 | 135 | 66.6 | 25.4 | 58.2 | M16 | 5.33 | |

| Número de unidad | Diámetro deL eje | Dimensiones (mm) | Tamaño del perno (mm) | Peso (kg) |
|||||||||||
| d | D2 | P | J | A2 | N | L | H1 | A1 | D1 | T1 | Z | ||||
| (in) | (mm) | ||||||||||||||
| UKFC205 H2305 | 20 | 115 | 90 | 63.6 | 10 | 12 | 6 | 7 | 21 | 70 | 18.5 | 28.5 | M10 | 0.98 | |
| UKFC205 HE2305 | 3/4 | 115 | 90 | 63.6 | 10 | 12 | 6 | 7 | 21 | 70 | 18.5 | 28.5 | M10 | 0.98 | |
| UKFC206 H2306 | 25 | 125 | 100 | 70.7 | 10 | 12 | 8 | 8 | 23 | 80 | 20.5 | 30.5 | M10 | 1.2 | |
| Reino Unido FC206 HS2306 | 7/8 | 125 | 100 | 70.7 | 10 | 12 | 8 | 8 | 23 | 80 | 20.5 | 30.5 | M10 | 1.2 | |
| Reino UnidoFC206 HA2306 | 15/16 | 125 | 100 | 70.7 | 10 | 12 | 8 | 8 | 23 | 80 | 20.5 | 30.5 | M10 | 1.2 | |
| UKFC206 HE2306 | 1/1 | 125 | 100 | 70.7 | 10 | 12 | 8 | 8 | 23 | 80 | 20.5 | 30.5 | M10 | 1.2 | |
| UKFC207 H2307 | 30 | 135 | 110 | 77.8 | 11 | 14 | 8 | 9 | 26 | 90 | 22.5 | 33.5 | M12 | 1.7 | |
| Reino Unido FC207 HS2307 | 1/8 | 135 | 110 | 77.8 | 11 | 14 | 8 | 9 | 26 | 90 | 22.5 | 33.5 | M12 | 1.7 | |
| UKFC207 HA2307 | 3/16 | 135 | 110 | 77.8 | 11 | 14 | 8 | 9 | 26 | 90 | 22.5 | 33.5 | M12 | 1.7 | |
| UKFC208 H2308 | 35 | 145 | 120 | 84.8 | 11 | 14 | 10 | 9 | 26 | 100 | 24.5 | 35.5 | M12 | 2 | |
| UKFC208 HE2308 | 1/4 | 145 | 120 | 84.8 | 11 | 14 | 10 | 9 | 26 | 100 | 24.5 | 35.5 | M12 | 2 | |
| Reino Unido FC208 HS2308 | 3/8 | 145 | 120 | 84.8 | 11 | 14 | 10 | 9 | 26 | 100 | 24.5 | 35.5 | M12 | 2 | |
| UKFC209 H2309 | 40 | 160 | 132 | 93.3 | 10 | 16 | 12 | 10 | 26 | 105 | 26 | 36 | M14 | 2.7 | |
| UKFC209 HA2309 | 7/16 | 160 | 132 | 93.3 | 10 | 16 | 12 | 10 | 26 | 105 | 26 | 36 | M14 | 2.7 | |
| UKFC209 HE2309 | 1/2 | 160 | 132 | 93.3 | 10 | 16 | 12 | 10 | 26 | 105 | 26 | 36 | M14 | 2.7 | |
| UKFC210 H2310 | 45 | 165 | 138 | 97.6 | 10 | 16 | 12 | 14 | 28 | 110 | 27.5 | 37.5 | M14 | 3 | |
| Reino Unido FC210 HS2310 | 5/8 | 165 | 138 | 97.6 | 10 | 16 | 12 | 14 | 28 | 110 | 27.5 | 37.5 | M14 | 3 | |
| UKFC210 HA2310 | 16/11 | 165 | 138 | 97.6 | 10 | 16 | 12 | 14 | 28 | 110 | 27.5 | 37.5 | M14 | 3 | |
| UKFC210 HE2310 | 3/4 | 165 | 138 | 97.6 | 10 | 16 | 12 | 14 | 28 | 110 | 27.5 | 37.5 | M14 | 3 | |
| Reino Unido FC211 H2311 | 50 | 185 | 150 | 106.1 | 13 | 19 | 12 | 15 | 30 | 125 | 28.5 | 41.5 | M16 | 4.2 | |
| Reino Unido FC211 HS2311 | 7/8 | 185 | 150 | 106.1 | 13 | 19 | 12 | 15 | 30 | 125 | 28.5 | 41.5 | M16 | 4.2 | |
| Reino UnidoFC211 HA2311 | 1-15/16 | 185 | 150 | 106.1 | 13 | 19 | 12 | 15 | 30 | 125 | 28.5 | 41.5 | M16 | 4.2 | |
| UKFC211 HE2311 | 1/2 | 185 | 150 | 106.1 | 13 | 19 | 12 | 15 | 30 | 125 | 28.5 | 41.5 | M16 | 4.2 | |
| Reino UnidoFC212 H2312 | 55 | 195 | 160 | 113.1 | 17 | 19 | 12 | 15 | 35 | 135 | 31 | 48 | M16 | 4.9 | |
| UKFC212 HS2312 | 1/8 | 195 | 160 | 113.1 | 17 | 19 | 12 | 15 | 35 | 135 | 31 | 48 | M16 | 4.9 | |
| Reino Unido FC213 H2313 | 60 | 205 | 170 | 120.2 | 16 | 19 | 14 | 15 | 36 | 145 | 32 | 48 | M16 | 5.6 | |
| Reino UnidoFC213 HA2313 | 3/16 | 205 | 170 | 120.2 | 16 | 19 | 14 | 15 | 36 | 145 | 32 | 48 | M16 | 5.6 | |
| UKFC213 HE2313 | 1/4 | 205 | 170 | 120.2 | 16 | 19 | 14 | 15 | 36 | 145 | 32 | 48 | M16 | 5.6 | |
| Reino Unido FC213 HS2313 | 3/8 | 205 | 170 | 120.2 | 16 | 19 | 14 | 15 | 36 | 145 | 32 | 48 | M16 | 5.6 | |
| Reino Unido FC215 H2315 | 65 | 220 | 184 | 130.1 | 18 | 19 | 16 | 17 | 39 | 160 | 35.5 | 53.5 | M16 | 7.5 | |
| Reino UnidoFC215 HA2315 | 7/16 | 220 | 184 | 130.1 | 18 | 19 | 16 | 17 | 39 | 160 | 35.5 | 53.5 | M16 | 7.5 | |
| UKFC215 HE2315 | 1/2 | 220 | 184 | 130.1 | 18 | 19 | 16 | 17 | 39 | 160 | 35.5 | 53.5 | M16 | 7.5 | |
| Reino Unido FC216 H2316 | 70 | 240 | 200 | 141.4 | 18 | 23 | 16 | 18 | 42 | 170 | 39 | 57 | M20 | 8.9 | |
| Reino UnidoFC216 HA2316 | 16/11 | 240 | 200 | 141.4 | 18 | 23 | 16 | 18 | 42 | 170 | 39 | 57 | M20 | 8.9 | |
| UKFC216 HE2316 | 3/4 | 240 | 200 | 141.4 | 18 | 23 | 16 | 18 | 42 | 170 | 39 | 57 | M20 | 8.9 | |
| Reino Unido FC217 H2317 | 75 | 250 | 208 | 147.1 | 18 | 23 | 18 | 20 | 45 | 180 | 40 | 58 | M20 | 10.4 | |
| Reino UnidoFC217 HA2317 | 2-15/16 | 250 | 208 | 147.1 | 18 | 23 | 18 | 20 | 45 | 180 | 40 | 58 | M20 | 10.4 | |
| UKFC217 HE2317 | 1/3 | 250 | 208 | 147.1 | 18 | 23 | 18 | 20 | 45 | 180 | 40 | 58 | M20 | 10.4 | |
| Reino Unido FC218 H2318 | 80 | 265 | 220 | 155.5 | 22 | 23 | 18 | 20 | 50 | 190 | 42 | 64 | M20 | 13.3 | |

| Número de unidad | Diámetro deL eje | Dimensiones (mm) | boLt Size | Peso (kg) | |||||||||||||
| d | D2 | P | J | A2 | N | L | H1 | A1 | D1 | B | S | Z | (mm) | (in) | |||
| (in) | (mm) | ||||||||||||||||
| UCFCX05 | 25 | 111 | 92 | 65 | 10 | 9.5 | 6 | 9.5 | 24 | 76 | 38.1 | 15.9 | 32.2 | M8 | 5/16 | 1.2 | |
| UCFCX05-13 | 13/16 | 111 | 92 | 65 | 10 | 9.5 | 6 | 9.5 | 24 | 76 | 38.1 | 15.9 | 32.2 | M8 | 5/16 | 1.2 | |
| UCFCX05-14 | 7/8 | 111 | 92 | 65 | 10 | 9.5 | 6 | 9.5 | 24 | 76 | 38.1 | 15.9 | 32.2 | M8 | 5/16 | 1.2 | |
| UCFCX05-15 | 15/16 | 111 | 92 | 65 | 10 | 9.5 | 6 | 9.5 | 24 | 76 | 38.1 | 15.9 | 32.2 | M8 | 5/16 | 1.2 | |
| UCFCX05-16 | 1/1 | 111 | 92 | 65 | 10 | 9.5 | 6 | 9.5 | 24 | 76 | 38.1 | 15.9 | 32.2 | M8 | 5/16 | 1.2 | |
| UCFCX06 | 30 | 127 | 105 | 74.2 | 8 | 12 | 9.5 | 9.5 | 22.5 | 85 | 42.9 | 17.5 | 33.4 | M10 | 3/8 | 1.5 | |
| UCFCX06-17 | 1/16 | 127 | 105 | 74.2 | 8 | 12 | 9.5 | 9.5 | 22.5 | 85 | 42.9 | 17.5 | 33.4 | M10 | 3/8 | 1.5 | |
| UCFCX06-18 | 1/8 | 127 | 105 | 74.2 | 8 | 12 | 9.5 | 9.5 | 22.5 | 85 | 42.9 | 17.5 | 33.4 | M10 | 3/8 | 1.5 | |
| UCFCX06-19 | 3/16 | 127 | 105 | 74.2 | 8 | 12 | 9.5 | 9.5 | 22.5 | 85 | 42.9 | 17.5 | 33.4 | M10 | 3/8 | 1.5 | |
| UCFCX06-20 | 1/4 | 127 | 105 | 74.2 | 8 | 12 | 9.5 | 9.5 | 22.5 | 85 | 42.9 | 17.5 | 33.4 | M10 | 3/8 | 1.5 | |
| UCFCX07 | 35 | 133 | 111 | 78.5 | 9 | 12 | 11 | 11 | 26 | 92 | 49.2 | 19 | 39.2 | M10 | 3/8 | 1.9 | |
| UCFCX07-21 | 5/16 | 133 | 111 | 78.5 | 9 | 12 | 11 | 11 | 26 | 92 | 49.2 | 19 | 39.2 | M10 | 3/8 | 1.9 | |
| UCFCX07-22 | 3/8 | 133 | 111 | 78.5 | 9 | 12 | 11 | 11 | 26 | 92 | 49.2 | 19 | 39.2 | M10 | 3/8 | 1.9 | |
| UCFCX07-23 | 7/16 | 133 | 111 | 78.5 | 9 | 12 | 11 | 11 | 26 | 92 | 49.2 | 19 | 39.2 | M10 | 3/8 | 1.9 | |
| UCFCX08 | 40 | 133 | 111 | 78.5 | 9 | 12 | 11 | 11 | 26 | 92 | 49.2 | 19 | 39.2 | M10 | 3/8 | 2 | |
| UCFCX08-24 | 1/2 | 133 | 111 | 78.5 | 9 | 12 | 11 | 11 | 26 | 92 | 49.2 | 19 | 39.2 | M10 | 3/8 | 2 | |
| UCFCX08-25 | 9/16 | 133 | 111 | 78.5 | 9 | 12 | 11 | 11 | 26 | 92 | 49.2 | 19 | 39.2 | M10 | 3/8 | 2 | |
| UCFCX09 | 45 | 155 | 130 | 91.9 | 8 | 14 | 12 | 11 | 25 | 108 | 51.6 | 19 | 40.6 | M12 | 7/16 | 2.6 | |
| UCFCX09-26 | 5/8 | 155 | 130 | 91.9 | 8 | 14 | 12 | 11 | 25 | 108 | 51.6 | 19 | 40.6 | M12 | 7/16 | 2.6 | |
| UCFCX09-27 | 16/11 | 155 | 130 | 91.9 | 8 | 14 | 12 | 11 | 25 | 108 | 51.6 | 19 | 40.6 | M12 | 7/16 | 2.6 | |
| UCFCX09-28 | 3/4 | 155 | 130 | 91.9 | 8 | 14 | 12 | 11 | 25 | 108 | 51.6 | 19 | 40.6 | M12 | 7/16 | 2.6 | |
| UCFCX09-29 | 1-13/16 | 155 | 130 | 91.9 | 8 | 14 | 12 | 11 | 25 | 108 | 51.6 | 19 | 40.6 | M12 | 7/16 | 2.6 | |
| UCFCX10 | 50 | 162 | 136 | 96.2 | 7 | 14 | 16 | 11 | 25 | 118 | 55.6 | 22.2 | 40.4 | M12 | 7/16 | 3.2 | |
| UCFCX10-30 | 7/8 | 162 | 136 | 96.2 | 7 | 14 | 16 | 11 | 25 | 118 | 55.6 | 22.2 | 40.4 | M12 | 7/16 | 3.2 | |
| UCFCX10-31 | 1-15/16 | 162 | 136 | 96.2 | 7 | 14 | 16 | 11 | 25 | 118 | 55.6 | 22.2 | 40.4 | M12 | 7/16 | 3.2 | |
| UCFCX10-32 | 1/2 | 162 | 136 | 96.2 | 7 | 14 | 16 | 11 | 25 | 118 | 55.6 | 22.2 | 40.4 | M12 | 7/16 | 3.2 | |
| UCFCX11 | 55 | 180 | 152 | 107.5 | 4 | 16 | 22 | 13 | 26 | 127 | 65.1 | 25.4 | 43.7 | M14 | 1/2 | 4.3 | |
| UCFCX11-33 | 1/16 | 180 | 152 | 107.5 | 4 | 16 | 22 | 13 | 26 | 127 | 65.1 | 25.4 | 43.7 | M14 | 1/2 | 4.3 | |
| UCFCX11-34 | 1/8 | 180 | 152 | 107.5 | 4 | 16 | 22 | 13 | 26 | 127 | 65.1 | 25.4 | 43.7 | M14 | 1/2 | 4.3 | |
| UCFCX11-35 | 3/16 | 180 | 152 | 107.5 | 4 | 16 | 22 | 13 | 26 | 127 | 65.1 | 25.4 | 43.7 | M14 | 1/2 | 4.3 | |
| UCFCX11-36 | 1/4 | 180 | 152 | 107.5 | 4 | 16 | 22 | 13 | 26 | 127 | 65.1 | 25.4 | 43.7 | M14 | 1/2 | 4.3 | |
| UCFCX11-37 | 5/16 | 180 | 152 | 107.5 | 4 | 16 | 22 | 13 | 26 | 127 | 65.1 | 25.4 | 43.7 | M14 | 1/2 | 4.3 | |
| UCFCX12 | 60 | 194 | 165 | 116.7 | 11 | 16 | 20 | 14 | 33 | 140 | 65.1 | 25.4 | 50.7 | M14 | 1/2 | 5.3 | |
| UCFCX12-38 | 3/8 | 194 | 165 | 116.7 | 11 | 16 | 20 | 14 | 33 | 140 | 65.1 | 25.4 | 50.7 | M14 | 1/2 | 5.3 | |
| UCFCX12-39 | 7/16 | 194 | 165 | 116.7 | 11 | 16 | 20 | 14 | 33 | 140 | 65.1 | 25.4 | 50.7 | M14 | 1/2 | 5.3 | |
| UCFCX13 | 65 | 194 | 165 | 116.7 | 11 | 16 | 20 | 14 | 33 | 140 | 74.6 | 30.2 | 55.4 | M14 | 1/2 | 5.7 | |
| UCFCX13-40 | 1/2 | 194 | 165 | 116.7 | 11 | 16 | 20 | 14 | 33 | 140 | 74.6 | 30.2 | 55.4 | M14 | 1/2 | 5.7 | |
| UCFCX13-41 | 9/16 | 194 | 165 | 116.7 | 11 | 16 | 20 | 14 | 33 | 140 | 74.6 | 30.2 | 55.4 | M14 | 1/2 | 5.7 | |
| UCFCX14 | 70 | 222 | 190 | 134.3 | 14 | 19 | 20 | 14 | 36 | 164 | 77.8 | 33.3 | 58.5 | M16 | 5/8 | 7.3 | |
| UCFCX14-42 | 5/8 | 222 | 190 | 134.3 | 14 | 19 | 20 | 14 | 36 | 164 | 77.8 | 33.3 | 58.5 | M16 | 5/8 | 7.3 | |
| UCFCX14-43 | 1/16 | 222 | 190 | 134.3 | 14 | 19 | 20 | 14 | 36 | 164 | 77.8 | 33.3 | 58.5 | M16 | 5/8 | 7.3 | |
| UCFCX14-44 | 3/4 | 222 | 190 | 134.3 | 14 | 19 | 20 | 14 | 36 | 164 | 77.8 | 33.3 | 58.5 | M16 | 5/8 | 7.3 | |
| UCFCX15 | 75 | 222 | 190 | 134.3 | 12 | 19 | 22 | 16 | 35 | 164 | 82.6 | 33.3 | 61.3 | M16 | 5/8 | 8 | |
| UCFCX15-45 | 2-13/16 | 222 | 190 | 134.3 | 12 | 19 | 22 | 16 | 35 | 164 | 82.6 | 33.3 | 61.3 | M16 | 5/8 | 8 | |
| UCFCX15-46 | 7/8 | 222 | 190 | 134.3 | 12 | 19 | 22 | 16 | 35 | 164 | 82.6 | 33.3 | 61.3 | M16 | 5/8 | 8 | |
| UCFCX15-47 | 2-15/16 | 222 | 190 | 134.3 | 12 | 19 | 22 | 16 | 35 | 164 | 82.6 | 33.3 | 61.3 | M16 | 5/8 | 8 | |
| UCFCX15-48 | 1/3 | 222 | 190 | 134.3 | 12 | 19 | 22 | 16 | 35 | 164 | 82.6 | 33.3 | 61.3 | M16 | 5/8 | 8 | |
| UCFCX16 | 80 | 260 | 219 | 154.8 | 10 | 23 | 25 | 19 | 36 | 186 | 85.7 | 34.1 | 61.6 | M20 | 5/8 | 11.3 | |
| UCFCX16-49 | 1/16 | 260 | 219 | 154.8 | 10 | 23 | 25 | 19 | 36 | 186 | 85.7 | 34.1 | 61.6 | M20 | 5/8 | 11.3 | |
| UCFCX16-50 | 1/8 | 260 | 219 | 154.8 | 10 | 23 | 25 | 19 | 36 | 186 | 85.7 | 34.1 | 61.6 | M20 | 5/8 | 11.3 | |
| UCFCX16-51 | 3/16 | 260 | 219 | 154.8 | 10 | 23 | 25 | 19 | 36 | 186 | 85.7 | 34.1 | 61.6 | M20 | 5/8 | 11.3 | |
| UCFCX16-52 | 1/4 | 260 | 219 | 154.8 | 10 | 23 | 25 | 19 | 36 | 186 | 85.7 | 34.1 | 61.6 | M20 | 5/8 | 11.3 | |
| UCFCX17 | 85 | 260 | 219 | 154.8 | 10 | 23 | 25 | 19 | 36 | 186 | 96 | 39.7 | 66.3 | M20 | 3/4 | 12.9 | |
| UCFCX17-53 | 5/16 | 260 | 219 | 154.8 | 10 | 23 | 25 | 19 | 36 | 186 | 96 | 39.7 | 66.3 | M20 | 3/4 | 12.9 | |
| UCFCX17-55 | 7/16 | 260 | 219 | 154.8 | 10 | 23 | 25 | 19 | 36 | 186 | 96 | 39.7 | 66.3 | M20 | 3/4 | 12.9 | |

| Número de unidad | Diámetro deL eje | Dimensiones (mm) | Peso (kg) |
||||||||||||
| d | D2 | P | j | A2 | N | L | H1 | A1 | D1 | S | B | Z | |||
| (in) | (mm) | ||||||||||||||
| UCFCS206 | 30 | 111 | 92.08 | 65.11 | 9.9 | 12 | 6.1 | 9.4 | 23.9 | 76.2 | 15.9 | 38.1 | 32.1 | 1.26 | |
| UCFCS206-17 | 1/16 | ||||||||||||||
| UCFCS206-18 | 1/8 | ||||||||||||||
| UCFCS206-19 | 3/16 | ||||||||||||||
| UCFCS206-20 | 1/4 | ||||||||||||||
| UCFCS207 | 35 | 127 | 104.78 | 74.09 | 7.9 | 12 | 9.4 | 9.4 | 22.6 | 85.725 | 17.5 | 42.9 | 33.3 | 1.84 | |
| UCFCS207-20 | 1/4 | ||||||||||||||
| UCFCS207-21 | 5/16 | ||||||||||||||
| UCFCS207-22 | 3/8 | ||||||||||||||
| UCFCS207-23 | 7/16 | ||||||||||||||
| UCFCS208 | 40 | 133.1 | 111.1 | 78.56 | 8.9 | 12 | 10.9 | 10.9 | 25.9 | 92.075 | 19 | 49.2 | 39.1 | 2.02 | |
| UCFCS208-24 | 1/2 | ||||||||||||||
| UCFCS208-25 | 9/16 | ||||||||||||||
| UCFCS209 | 45 | 155.5 | 130.18 | 92.05 | 7.9 | 14 | 10.9 | 10.9 | 25.4 | 107.95 | 19 | 49.2 | 38.1 | 2.78 | |
| UCFCS209-26 | 5/8 | ||||||||||||||
| UCFCS209-27 | 16/11 | ||||||||||||||
| UCFCS209-28 | 3/4 | ||||||||||||||
| UCFCS210 | 50 | 155.5 | 130.18 | 92.05 | 7.9 | 14 | 11.9 | 10.9 | 24.9 | 107.95 | 19 | 51.6 | 40.5 | 2.76 | |
| UCFCS210-30 | 7/8 | ||||||||||||||
| UCFCS210-31 | 1-15/16 | ||||||||||||||
| UCFCS210-32 | 1/2 | ||||||||||||||
| UCFCS211 | 55 | 162 | 136.5 | 96.52 | 7.1 | 14 | 16 | 10.9 | 25.9 | 114.3 | 22.2 | 55.6 | 40.5 | 3.29 | |
| UCFCS211-32 | 1/2 | ||||||||||||||
| UCFCS211-34 | 1/8 | ||||||||||||||
| UCFCS211-35 | 3/16 | ||||||||||||||
| UCFCS212 | 60 | 180.8 | 152.4 | 107.76 | 4 | 14 | 22.1 | 13 | 25.9 | 127 | 25.4 | 65.1 | 43.7 | 4.61 | |
| UCFCS212-36 | 1/4 | ||||||||||||||
| UCFCS212-37 | 5/16 | ||||||||||||||
| UCFCS212-38 | 3/8 | ||||||||||||||
| UCFCS212-39 | 7/16 | ||||||||||||||
| UCFCS213 | 65 | 193.8 | 165.1 | 116.74 | 10.9 | 14 | 20 | 14 | 33 | 139.7 | 25.4 | 65.1 | 50.6 | 5.91 | |
| UCFCS213-39 | 7/16 | ||||||||||||||
| UCFCS213-40 | 1/2 | ||||||||||||||
| UCFCS214 | 70 | 193.7 | 165.1 | 116.74 | 10.9 | 14 | 20 | 14 | 33.3 | 139.7 | 25.4 | 74.6 | 55.3 | 7.98 | |
| UCFCS214-43 | 16/11 | ||||||||||||||
| UCFCS214-44 | 3/4 | ||||||||||||||
| UCFCS215 | 75 | 222.2 | 190.5 | 134.7 | 14 | 17.5 | 20 | 16 | 36 | 161.925 | 25.4 | 77.8 | 58.5 | 8.34 | |
| UCFCS215-47 | 2-15/16 | ||||||||||||||
| UCFCS215-48 | 1/3 | ||||||||||||||

| Número de unidad | Diámetro deL eje | Dimensiones (mm) | Peso (kg) |
||||||||||||
| d | D2 | P | J | A2 | N | L | H1 | A1 | D1 | S | B | Z | |||
| (in) | (mm) | ||||||||||||||
| UCFCSX05 | 25 | 111 | 92.08 | 65.11 | 9.9 | 12 | 6.1 | 9.4 | 23.9 | 76.2 | 15.9 | 38.1 | 32.1 | 1.34 | |
| UCFCSX05-13 | 13/16 | 111 | 92.08 | 65.11 | 9.9 | 12 | 6.1 | 9.4 | 23.9 | 76.2 | 15.9 | 38.1 | 32.1 | 1.34 | |
| UCFCSX05-14 | 7/8 | 111 | 92.08 | 65.11 | 9.9 | 12 | 6.1 | 9.4 | 23.9 | 76.2 | 15.9 | 38.1 | 32.1 | 1.34 | |
| UCFCSX05-15 | 15/16 | 111 | 92.08 | 65.11 | 9.9 | 12 | 6.1 | 9.4 | 23.9 | 76.2 | 15.9 | 38.1 | 32.1 | 1.34 | |
| UCFCSX05-16 | 1/1 | 111 | 92.08 | 65.11 | 9.9 | 12 | 6.1 | 9.4 | 23.9 | 76.2 | 15.9 | 38.1 | 32.1 | 1.34 | |
| UCFCSX06 | 30 | 127 | 104.78 | 74.09 | 7.9 | 12 | 9.4 | 9.4 | 22.6 | 85.725 | 17.5 | 42.9 | 33.3 | 2.06 | |
| UCFCSX06-17 | 1/16 | 127 | 104.78 | 74.09 | 7.9 | 12 | 9.4 | 9.4 | 22.6 | 85.725 | 17.5 | 42.9 | 33.3 | 2.06 | |
| UCFCSX06-18 | 1/8 | 127 | 104.78 | 74.09 | 7.9 | 12 | 9.4 | 9.4 | 22.6 | 85.725 | 17.5 | 42.9 | 33.3 | 2.06 | |
| UCFCSX06-19 | 3/16 | 127 | 104.78 | 74.09 | 7.9 | 12 | 9.4 | 9.4 | 22.6 | 85.725 | 17.5 | 42.9 | 33.3 | 2.06 | |
| UCFCSX06-20 | 1/4 | 127 | 104.78 | 74.09 | 7.9 | 12 | 9.4 | 9.4 | 22.6 | 85.725 | 17.5 | 42.9 | 33.3 | 2.06 | |
| UCFCSX07 | 35 | 133.1 | 111.1 | 78.56 | 8.9 | 12 | 10.9 | 10.9 | 25.9 | 92.075 | 19 | 49.2 | 39.1 | 2.21 | |
| UCFCSX07-21 | 5/16 | 133.1 | 111.1 | 78.56 | 8.9 | 12 | 10.9 | 10.9 | 25.9 | 92.075 | 19 | 49.2 | 39.1 | 2.21 | |
| UCFCSX07-22 | 3/8 | 133.1 | 111.1 | 78.56 | 8.9 | 12 | 10.9 | 10.9 | 25.9 | 92.075 | 19 | 49.2 | 39.1 | 2.21 | |
| UCFCSX07-23 | 7/16 | 133.1 | 111.1 | 78.56 | 8.9 | 12 | 10.9 | 10.9 | 25.9 | 92.075 | 19 | 49.2 | 39.1 | 2.21 | |
| UCFCSX08 | 40 | 155.5 | 130.18 | 92.05 | 7.9 | 14 | 10.9 | 10.9 | 25.4 | 107.95 | 19 | 49.2 | 38.1 | 3.03 | |
| UCFCSX08-24 | 1/2 | 155.5 | 130.18 | 92.05 | 7.9 | 14 | 10.9 | 10.9 | 25.4 | 107.95 | 19 | 49.2 | 38.1 | 3.03 | |
| UCFCSX08-25 | 9/16 | 155.5 | 130.18 | 92.05 | 7.9 | 14 | 10.9 | 10.9 | 25.4 | 107.95 | 19 | 49.2 | 38.1 | 3.03 | |
| UCFCSX09 | 45 | 155.5 | 130.18 | 92.05 | 7.9 | 14 | 11.9 | 10.9 | 24.9 | 107.95 | 19 | 51.6 | 40.5 | 2.98 | |
| UCFCSX09-26 | 5/8 | 155.5 | 130.18 | 92.05 | 7.9 | 14 | 11.9 | 10.9 | 24.9 | 107.95 | 19 | 51.6 | 40.5 | 2.98 | |
| UCFCSX09-27 | 16/11 | 155.5 | 130.18 | 92.05 | 7.9 | 14 | 11.9 | 10.9 | 24.9 | 107.95 | 19 | 51.6 | 40.5 | 2.98 | |
| UCFCSX09-28 | 3/4 | 155.5 | 130.18 | 92.05 | 7.9 | 14 | 11.9 | 10.9 | 24.9 | 107.95 | 19 | 51.6 | 40.5 | 2.98 | |
| UCFCSX10 | 50 | 162 | 136.5 | 96.52 | 7.1 | 14 | 16 | 10.9 | 25.9 | 114.3 | 22.2 | 55.6 | 40.5 | 3.57 | |
| UCFCSX10-30 | 7/8 | 162 | 136.5 | 96.52 | 7.1 | 14 | 16 | 10.9 | 25.9 | 114.3 | 22.2 | 55.6 | 40.5 | 3.57 | |
| UCFCSX10-31 | 1-15/16 | 162 | 136.5 | 96.52 | 7.1 | 14 | 16 | 10.9 | 25.9 | 114.3 | 22.2 | 55.6 | 40.5 | 3.57 | |
| UCFCSX10-32 | 1/2 | 162 | 136.5 | 96.52 | 7.1 | 14 | 16 | 10.9 | 25.9 | 114.3 | 22.2 | 55.6 | 40.5 | 3.57 | |
| UCFCSX11 | 55 | 180.8 | 152.4 | 107.76 | 4 | 14 | 22.1 | 13 | 25.9 | 127 | 25.4 | 65.1 | 43.7 | 5 | |
| UCFCSX11-33 | 1/16 | 180.8 | 152.4 | 107.76 | 4 | 14 | 22.1 | 13 | 25.9 | 127 | 25.4 | 65.1 | 43.7 | 5 | |
| UCFCSX11-34 | 1/8 | 180.8 | 152.4 | 107.76 | 4 | 14 | 22.1 | 13 | 25.9 | 127 | 25.4 | 65.1 | 43.7 | 5 | |
| UCFCSX11-35 | 3/16 | 180.8 | 152.4 | 107.76 | 4 | 14 | 22.1 | 13 | 25.9 | 127 | 25.4 | 65.1 | 43.7 | 5 | |
| UCFCSX11-36 | 1/4 | 180.8 | 152.4 | 107.76 | 4 | 14 | 22.1 | 13 | 25.9 | 127 | 25.4 | 65.1 | 43.7 | 5 | |
| UCFCSX12 | 60 | 193.8 | 165.1 | 116.74 | 10.9 | 14 | 20 | 14 | 33 | 139.7 | 25.4 | 65.1 | 50.6 | 6.32 | |
| UCFCSX12-38 | 3/8 | 193.8 | 165.1 | 116.74 | 10.9 | 14 | 20 | 14 | 33 | 139.7 | 25.4 | 65.1 | 50.6 | 6.32 | |
| UCFCSX12-39 | 7/16 | 193.8 | 165.1 | 116.74 | 10.9 | 14 | 20 | 14 | 33 | 139.7 | 25.4 | 65.1 | 50.6 | 6.32 | |
| UCFCSX13 | 65 | 193.7 | 165.1 | 116.74 | 10.9 | 14 | 20 | 14 | 33.3 | 139.7 | 30.2 | 74.6 | 55.3 | 8.25 | |
| UCFCSX13-40 | 1/2 | 193.7 | 165.1 | 116.74 | 10.9 | 14 | 20 | 14 | 33.3 | 139.7 | 30.2 | 74.6 | 55.3 | 8.25 | |
| UCFCSX13-41 | 9/16 | 193.7 | 165.1 | 116.74 | 10.9 | 14 | 20 | 14 | 33.3 | 139.7 | 30.2 | 74.6 | 55.3 | 8.25 | |
| UCFCSX14 | 70 | 222.2 | 190.5 | 134.7 | 14 | 17.5 | 20 | 16 | 36 | 161.925 | 33.3 | 77.8 | 58.5 | 8.6 | |
| UCFCSX14-42 | 3/8 | 222.2 | 190.5 | 134.7 | 14 | 17.5 | 20 | 16 | 36 | 161.925 | 33.3 | 77.8 | 58.5 | 8.6 | |
| UCFCSX14-43 | 16/11 | 222.2 | 190.5 | 134.7 | 14 | 17.5 | 20 | 16 | 36 | 161.925 | 33.3 | 77.8 | 58.5 | 8.6 | |
| UCFCSX14-44 | 3/4 | 222.2 | 190.5 | 134.7 | 14 | 17.5 | 20 | 16 | 36 | 161.925 | 33.3 | 77.8 | 58.5 | 8.6 | |
| UCFCSX15 | 75 | 222.2 | 190.5 | 134.7 | 11.9 | 17.5 | 22.1 | 16 | 35 | 161.925 | 33.3 | 82.6 | 61.2 | 8.76 | |
| UCFCSX15-45 | 2-13/16 | 222.2 | 190.5 | 134.7 | 11.9 | 17.5 | 22.1 | 16 | 35 | 161.925 | 33.3 | 82.6 | 61.2 | 8.76 | |
| UCFCSX15-46 | 7/8 | 222.2 | 190.5 | 134.7 | 11.9 | 17.5 | 22.1 | 16 | 35 | 161.925 | 33.3 | 82.6 | 61.2 | 8.76 | |
| UCFCSX15-47 | 2-15/16 | 222.2 | 190.5 | 134.7 | 11.9 | 17.5 | 22.1 | 16 | 35 | 161.925 | 33.3 | 82.6 | 61.2 | 8.76 | |
| UCFCSX15-48 | 1/3 | 222.2 | 190.5 | 134.7 | 11.9 | 17.5 | 22.1 | 16 | 35 | 161.925 | 33.3 | 82.6 | 61.2 | 8.76 | |
| UCFCSX17 | 85 | 260 | 218.95 | 154.82 | 9.9 | 20.6 | 24.9 | 19 | 36 | 187.325 | 39.7 | 96 | 66.2 | 13.41 | |
| UCFCSX17-53 | 5/16 | 260 | 218.95 | 154.82 | 9.9 | 20.6 | 24.9 | 19 | 36 | 187.325 | 39.7 | 96 | 66.2 | 13.41 | |
| UCFCSX17-55 | 7/16 | 260 | 218.95 | 154.82 | 9.9 | 20.6 | 24.9 | 19 | 36 | 187.325 | 39.7 | 96 | 66.2 | 13.41 | |
| UCFCSX20 | 100 | 276 | 238 | 168.29 | 22 | 23 | 28 | 22 | 66 | 206.375 | 79.2 | 117.5 | 90.3 | 18.5 | |
| UCFCSX20-63 | 3-15/16 | 276 | 238 | 168.29 | 22 | 23 | 28 | 22 | 66 | 206.375 | 79.2 | 117.5 | 90.3 | 18.5 | |
| UCFCSX20-64 | 1/4 | 276 | 238 | 168.29 | 22 | 23 | 28 | 22 | 66 | 206.375 | 79.2 | 117.5 | 90.3 | 18.5 | |
0+
años
Experiencia en la industria
0+
Diversidad de modelos
0+
Número de empleados
0
$
Valor anual de las exportaciones
Horario de la exposición: 8-11 de julio de 2024 Lugar de la exposición: Ekaterimburgo, Rusia Número de stand: IS37 Ciclo de exposición: Una vez al añoOrganizador: Ministerio de Industria y...
La aplicación de rodamientos en la industria metalúrgica incluye principalmente las siguientes áreas: 1. Maquinaria de laminación: La maquinaria de laminación en la industria metalúrgica es un e...
El motor es el núcleo del funcionamiento de los equipos industriales y el rodamiento es el componente mecánico clave del motor. El rodamiento soporta todas las cargas y tensiones que se...
Asimismo, es una plataforma esencial para fomentar la cooperación integral, profesional e internacional en sectores como herramientas mecánicas, automoción, maquinaria agrícola, maquinaria de ingenier...