Rodamiento de mesa giratoria YRTM con sistema de medición de ángulo: la medición del desplazamiento angular juega un papel crucial en aplicaciones industriales, especialmente en la industria de máquinas herramienta, donde se requiere alta precisión para el ángulo de rotación de las piezas mecanizadas. Esto requiere una medición y un control precisos del desplazamiento angular.
Actualmente, los métodos comúnmente utilizados para medir el desplazamiento angular incluyen codificadores ópticos y codificadores magnéticos. Además, al estar montado sobre un rodamiento ORT, este eje combinado ofrece una precisión de rotación extremadamente alta y puede soportar simultáneamente cargas axiales, cargas radiales y momentos de vuelco. Es muy adecuado para mesas giratorias CNC de alta precisión, centros de mecanizado y aplicaciones exigentes como investigación científica y medición en la industria de máquinas herramienta.
Ventajas del sistema de medición de rejilla de acero:
1. Codificador inductivo sin contacto, sin desgaste
2. Precisión comparable a los codificadores ópticos, con una precisión máxima ≤2
3. El sistema de medición con cabezal de lectura dual permite la corrección en tiempo real de las desviaciones radiales de los rodamientos.
4. Alta velocidad, alto rendimiento dinámico, alta resolución
5. Sin componentes magnéticos, sin respuesta de histéresis, sin peligro de desmagnetización
6. Fuerte resistencia a las interferencias ambientales, grado de protección IP67, soporta cierta presión de agua y polvo, insensible a cualquier tipo de contaminación o suciedad.
7. El diseño compacto resuelve el problema del espacio de instalación limitado.
8. Puede emitir una señal de onda sinusoidal (1VPP) o de onda cuadrada (TTL), compatible con los sistemas CNC Siemens y FANUC.
Características del rodamiento de mesa giratoria YRTM con sistema de medición de ángulo:
1. Codificador inductivo sin contacto, sin desgaste;
2. Precisión 1. Alta precisión ≤2'' en comparación con los codificadores ópticos;
2. El sistema de medición de doble cabezal lector permite la corrección en tiempo real de la desviación radial del rodamiento;
3. Alta velocidad, alto rendimiento dinámico y alta resolución;
4. Sin componentes magnéticos, sin reacción de cinta magnética y sin riesgo de desmagnetización;
5. Fuerte resistencia a interferencias ambientales como partículas sólidas y aceite, grado de protección IP67, soporta cierta presión de agua, a prueba de polvo e insensible a cualquier tipo de contaminación o suciedad;
6. El diseño compacto resuelve el problema del espacio de instalación limitado;
7. Instalación sencilla, ajuste rápido, resistencia excepcionalmente alta a golpes y vibraciones, buena estabilidad y alta confiabilidad.
Aplicaciones:
El producto se utiliza principalmente en máquinas herramienta CNC de alta precisión, husillos de máquinas herramienta, radares, robots industriales, aeroespacial y otros campos.

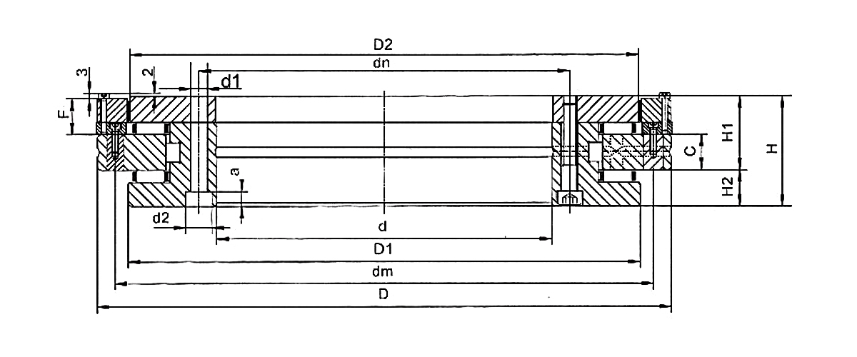
| Tipo de rodamiento | Dimensión general | Los agujeros de fijación | ||||||||||||||||
| d | D | h | h1 | h2 | c | D1 | D2 | f | L | dn | DM | Anillo interior | Anillo exterior | |||||
| Unidad: milímetros | d1 | d2 | a | CANTIDAD | d3 | CANTIDAD | ||||||||||||
| milímetros | milímetros | |||||||||||||||||
| YRTM150 | 150 | 240 | 43* | 29 * | 14 | 12 | 214 | 213.81 | 16.5 | 121 | 165 | 225 | 7 | 11 | 6.2 | 32 | 7 | 33 |
| YRTM180 | 180 | 280 | 46* | 32 * | 14 | 15 | 244 | 243.76 | 16.5 | 140 | 194 | 260 | 7 | 11 | 6.2 | 44 | 7 | 45 |
| YRTM200 | 200 | 300 | 47* | 32* | 15 | 15 | 274 | 273,05/274,42 | 16.5 | 152 | 215 | 285 | 7 | 11 | 6.2 | 44 | 7 | 45 |
| YRTM260 | 260 | 385 | 55 | 36.5 | 18.5 | 18 | 345 | 344,37/343,1 | 17.5 | 192.5 | 280 | 365 | 9.3 | 15 | 8.2 | 32 | 9.3 | 33 |
| YRTM325 | 325 | 450 | 60 | 40 | 20 | 20 | 415 | 413.76 | 18.5 | 225 | 342 | 430 | 9.3 | 15 | 8.2 | 32 | 9.3 | 33 |
| YRTM395 | 395 | 525 | 65 | 42.5 | 22.5 | 20 | 486 | 483.18 | 18.5 | 262.5 | 415 | 505 | 9.3 | 15 | 8.2 | 42 | 9.3 | 45 |
| YRTM460 | 460 | 600 | 70 | 46 | 24 | 22 | 560 | 557.03 | 18.5 | 300 | 482 | 580 | 10 | 15 | 8.2 | 42 | 10 | 45 |

| Tornillo de conexión (CANTIDAD) | Cargas (radiales/axiales) | Huecos para tornillos de conexión | Ángulo de rosca | Par de apriete del tornillo | Carga nominal básica | Velocidad límite | Momento de fricción | Peso | Tipo de rodamiento | ||||
| Axiales | Radiales | ||||||||||||
| Dinámico | estática | Dinámico | estática | ||||||||||
| Ma | Ca | Coa | Cr | Cor | lubricación con grasa | ||||||||
| µm | GRAMO | CANTIDAD | CANTIDADxt | nm | kn | rpm | nm | ≈kg | |||||
| 4 | 3 | M8 | 3 | 36×10° | 14 | 112 | 630 | 56 | 170 | 320 | 10 | 6.2 | YRTM150 |
| 4 | 4 | M8 | 3 | 48×7,5° | 14 | 118 | 710 | 69.5 | 200 | 280 | 12 | 7.7 | YRTM180 |
| 4 | 4 | M8 | 3 | 48×7,5° | 14 | 120 | 765 | 81.5 | 220 | 260 | 14 | 9.7 | YRTM200 |
| 4 | 6 | M12 | 3 | 36×10° | 34 | 160 | 1060 | 93 | 290 | 200 | 20 | 18.3 | YRTM260 |
| 4 | 6 | M12 | 3 | 36×10° | 34 | 275 | 1930 | 120 | 345 | 170 | 40 | 25 | YRTM325 |
| 6 | 6 | M12 | 3 | 48×7,5° | 34 | 300 | 2280 | 186 | 655 | 140 | 55 | 33 | YRTM395 |
| 6 | 6 | M12 | 3 | 48×7,5° | 34 | 355 | 2800 | 200 | 765 | 120 | 70 | 45 | YRTM460 |
0+
años
Experiencia en la industria
0+
Diversidad de modelos
0+
Número de empleados
0
$
Valor anual de las exportaciones
Horario de la exposición: 8-11 de julio de 2024 Lugar de la exposición: Ekaterimburgo, Rusia Número de stand: IS37 Ciclo de exposición: Una vez al añoOrganizador: Ministerio de Industria y...
La aplicación de rodamientos en la industria metalúrgica incluye principalmente las siguientes áreas: 1. Maquinaria de laminación: La maquinaria de laminación en la industria metalúrgica es un e...
El motor es el núcleo del funcionamiento de los equipos industriales y el rodamiento es el componente mecánico clave del motor. El rodamiento soporta todas las cargas y tensiones que se...
Asimismo, es una plataforma esencial para fomentar la cooperación integral, profesional e internacional en sectores como herramientas mecánicas, automoción, maquinaria agrícola, maquinaria de ingenier...