Rodamientos de rodillos cruzados XSU (anillos interiores y exteriores integrados)
Los rodamientos de rodillos cruzados XSU tienen orificios de montaje mecanizados integralmente en los aros interior y exterior, lo que elimina la necesidad de bridas de montaje y asientos de soporte adicionales. Su estructura de Anillo interior y exterior integrada garantiza que la instalación prácticamente no tenga impacto en el rendimiento del rodamiento, proporcionando una precisión de rotación estable y una salida de par. Adecuado para aplicaciones donde gira el anillo exterior o interior.
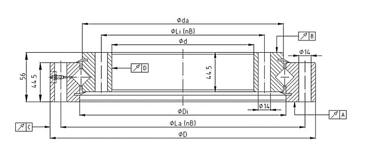
Características estructurales
·Utiliza una estructura de rodillos cruzados, con rodillos cilíndricos dispuestos verticalmente sobre una superficie de rodadura con ranura en V de 90° separados por bloques de aislamiento, lo que permite soportar simultáneamente cargas radiales, axiales y de torsión.
·Dimensiones compactas de los anillos interior y exterior, con un diseño ultrafino que se acerca a los límites de la miniaturización, combinando alta rigidez con grados de alta precisión de P5, P4 y P2.
Aplicaciones
Adecuado para juntas de robots industriales y piezas giratorias, mesas giratorias de centros de mecanizado, plataformas giratorias de precisión y equipos de alta gama en dispositivos médicos, aplicaciones militares y plantas de fabricación de circuitos integrados.

| Rodamiento No. | Tamaño básico (mm) |
Tamaño reel orificio de montaje (mm) |
Clasificación de carga básica (Kn) | Peso | ||||||||
| Carga axial | Carga radial | |||||||||||
| D | d | Di | da | La | Li | nB | carga dinámica ca | Carga estática de coa | carga dinámica cr | carga estática | kilos | |
| XSU080168 | 205 | 130 | 174 | 159 | 190 | 145 | 12 | 66 | 240 | 42 | 119 | 3.3 |
| XSU080188 | 225 | 150 | 194 | 179 | 210 | 165 | 16 | 71 | 275 | 46 | 133 | 3.7 |
| XSU080218 | 255 | 180 | 224 | 208 | 240 | 195 | 20 | 77 | 315 | 49 | 154 | 4.3 |
| XSU080258 | 295 | 220 | 264 | 249 | 280 | 235 | 24 | 84 | 375 | 54 | 182 | 5.1 |
| XSU080318 | 355 | 280 | 324 | 309 | 340 | 295 | 28 | 93 | 465 | 59 | 223 | 6.3 |
| XSU080398 | 435 | 360 | 404 | 389 | 420 | 375 | 36 | 106 | 590 | 68 | 285 | 7.8 |

| Rodamiento NO. | Tamaño del orificio de montaje (mm) |
Precisión de rotación | Espaciado interno | Peso | |||||||||
| Da | d | La | nB | Li | Di | da | A | B | C | D | Precarga | kilos | |
| XSU140414 | 484 | 344 | 460 | 24 | 368 | 415 | 413 | 0.04 | 0.04 | 0.06 | 0.06 | 0,01-0,03 | 28 |
| XSU140544 | 614 | 474 | 590 | 32 | 498 | 545 | 543 | 0.04 | 0.04 | 0.07 | 0.07 | 0,01-0,03 | 38 |
| XSU140644 | 714 | 574 | 690 | 36 | 598 | 645 | 643 | 0.05 | 0.05 | 0.08 | 0.08 | 0,01-0,04 | 44 |
| XSU140744 | 814 | 674 | 790 | 40 | 698 | 745 | 743 | 0.05 | 0.05 | 0.09 | 0.09 | 0,01-0,04 | 52 |
| XSU140844 | 914 | 774 | 890 | 40 | 798 | 845 | 843 | 0.06 | 0.06 | 0.09 | 0.09 | 0,01-0,04 | 60 |
| XSU140944 | 1014 | 874 | 990 | 44 | 898 | 945 | 943 | 0.06 | 0.06 | 0.11 | 0.11 | 0,01-0,05 | 67 |
| XSU141094 | 1164 | 1024 | 1140 | 48 | 1048 | 1095 | 1093 | 0.07 | 0.07 | 0.11 | 0.11 | 0,01-0,05 | 77 |
0+
años
Experiencia en la industria
0+
Diversidad de modelos
0+
Número de empleados
0
$
Valor anual de las exportaciones
Horario de la exposición: 8-11 de julio de 2024 Lugar de la exposición: Ekaterimburgo, Rusia Número de stand: IS37 Ciclo de exposición: Una vez al añoOrganizador: Ministerio de Industria y...
La aplicación de rodamientos en la industria metalúrgica incluye principalmente las siguientes áreas: 1. Maquinaria de laminación: La maquinaria de laminación en la industria metalúrgica es un e...
El motor es el núcleo del funcionamiento de los equipos industriales y el rodamiento es el componente mecánico clave del motor. El rodamiento soporta todas las cargas y tensiones que se...
Asimismo, es una plataforma esencial para fomentar la cooperación integral, profesional e internacional en sectores como herramientas mecánicas, automoción, maquinaria agrícola, maquinaria de ingenier...