Rodamiento de rodillos transversales de alto par XU

Hogar / Cojinete / Rodamiento de rodillos transversales / Rodamiento de rodillos transversales de alto par XU

Rodamiento de rodillos transversales de alto par XU

Los rodamientos de rodillos cruzados de alto par XU (tipo anillo interior y exterior) tienen orificios de montaje premecanizados, lo que elimina la necesidad de bridas fijas y asientos de soporte. Además, debido a la estructura de anillo interior y exterior integrada con montaje, la instalación casi no tiene impacto en el rendimiento, logrando así una precisión de rotación y un par estables. Adecuado tanto para rotación de anillos exteriores como interiores.

  • Descripción
  • Especificaciones
  • Contáctenos

Características del producto
1. Precisión hasta grados P4 y P2;
2. Alta rigidez: Todos los rodamientos de esta serie están precargados;
3. Alta capacidad de carga: Puede soportar cargas axiales, cargas radiales y cargas de vuelco;
4. Tamaño compacto: este rodamiento es compacto, lo que ahorra espacio en la máquina herramienta.
5. Rodamientos de gran tamaño, alta carga y alta precisión con orificios de montaje.

Aplicaciones de productos
Máquinas herramienta CNC, robots industriales, mesas giratorias CNC, tornos verticales CNC, mesas giratorias de precisión, instrumentos de prueba, equipos de precisión, juntas y piezas giratorias de robots industriales, mesas giratorias de precisión, máquinas médicas, calculadoras, equipos de fabricación de circuitos integrados, etc.

Rodamiento NO. Dibujo
Número
Peso
kg
Dimensiones(mm)
Da Dazt di dizr Di da H h T t
XU050077 1 1 112 - 40 - 77.5 74 22 21 - -
XU060094 1 2 140 - 57 - 94.6 93.4 26 25 - -
XU060111 2 1 145.79 - 76.2 - 11.8 - 15. 87 - - -
XU080120 3 4 170 - 69 - 120.6 119.4 30 - - -
XU080149 4 4 196.85 - 101.6 - 149.6 - 22. 2222.22 - -
XU120179 5 7 234 232 124.5 126.5 180±0,2 178±0,2 35 30 5 5
XU120222 6 12 300 - 140 - 224 220 36 30 - -
XU160260 5 16 329 327 191 193 261 259 46 41 7 7
XU080264 7 7 311 - 216 - 265 263 25 25 - -
XU160405 5 25 474 472 336 338 406 404 26 41 7 7
XU080430 8 12 480 - 380 - 431 429 26 26 - -
XU300515 5 115 646 644 384 386 516 514 86 79 12 12

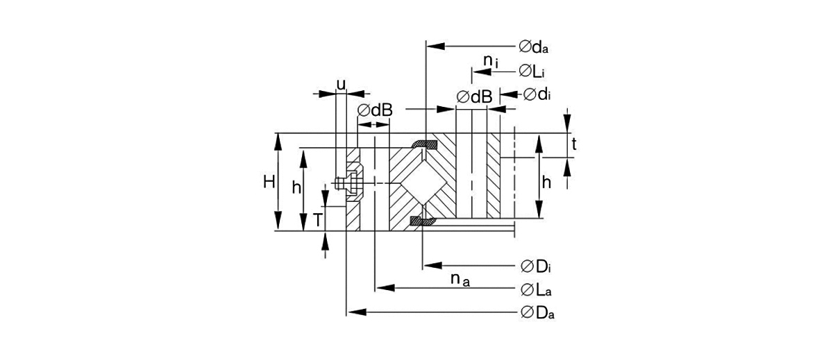
Rodamiento NO. Peso Dimensiones de instalación
Kg Da di La dB na Li H h da Di
XU160220 16 302 138 270 18 10 170 46 41 219 221
XU180380 45 485 275 453 18 16 307 55 50 379 381
XU180412 40 501 324 469 18 18 356 55 50 411 413
XU180433 42 522 344 490 18 20 376 55 50 432 434
XU220460 64 568 356 524 22 18 396 64 59 459 461
XU180475 46 562 388 530 18 20 420 55 50 474 476
XU240545 94 655 435 615 22 24 475 79 72 544 546
XU220574 82 680 468 640 22 20 508 68 61 573 575
XU300586 115 704 468 664 22 36 508 86 79 585 587
XU280680 120 795 565 755 22 30 605 79 72 679 681
XU300785 155 900 670 860 22 36 710 86 79 784 786
XU260823 140 933 713 893 22 36 753 79 72 822 824
XU160897 67 976 818 944 18 36 850 50 43 896 898
Ingeniería del futuro del movimiento
Acerca de UKL

Fundada en 2020, UKL Bearing Manufacturing Co., Ltd. (Wuxi) es una empresa industrial y comercial integrada que se centra en la fabricación de precisión, combinando investigación y desarrollo, producción y ventas.
La empresa se especializa en soluciones de rodamientos de alto rendimiento y brinda soporte técnico a industrias globales con demandas excepcionalmente altas de precisión y confiabilidad.

Con más de 200 profesionales cualificados y una base de producción totalmente modernizada, las instalaciones de UKL cubren todo el proceso de fabricación — forjado, recocido, torneado, tratamiento térmico, rectificado y montaje automatizado.
Aprovechando más de 15 años de experiencia en exportación OEM/ODM, UKL responde rápidamente a las necesidades de los clientes, ofreciendo servicios flexibles y personalizados para clientes de Europa, Asia, África y Medio Oriente.

  • Compañía de fabricación de rodamientos del Reino Unido, Ltd

    0+

    años

    Experiencia en la industria

  • Compañía de fabricación de rodamientos del Reino Unido, Ltd

    0+

    Diversidad de modelos

  • Compañía de fabricación de rodamientos del Reino Unido, Ltd

    0+

    Número de empleados

  • Compañía de fabricación de rodamientos del Reino Unido, Ltd

    0

    $

    Valor anual de las exportaciones

Compañía de fabricación de rodamientos del Reino Unido, Ltd
Certificado de honor
Noticias
Rodamiento de rodillos transversales Industry knowledge