Rodamientos de rodillos cónicos cruzados (CTRB): rotación de alta precisión
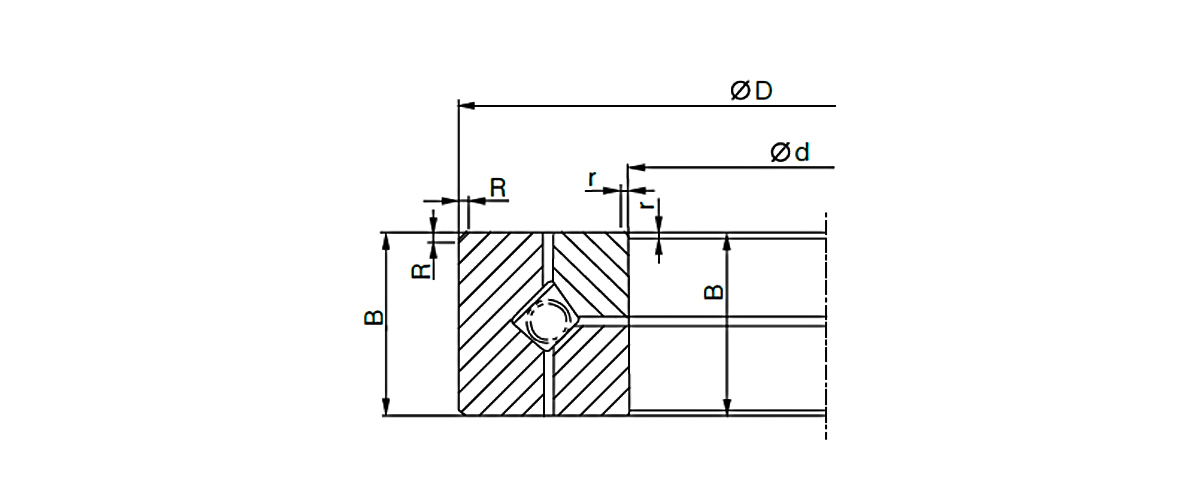
El rodamiento de rodillos cónicos cruzados (CTRB) es un tipo de rodamiento de alta precisión que presenta un diseño estructural en el que dos juegos de pistas de rodadura y rodillos cónicos están dispuestos transversalmente en ángulo recto entre sí, complementados con bloques espaciadores y almohadillas de soporte. El diseño de ángulo cónico grande permite que el tramo efectivo alcance varias veces el ancho real del rodamiento. Las líneas extendidas de las superficies de rodadura se cruzan en el centro de rotación, logrando un movimiento de rodadura puro.
Los rodillos cónicos internos están dispuestos en una configuración en forma de V alterna. La geometría cónica coincide con el ángulo de inclinación de la pista para evitar la concentración de tensiones, lo que permite que el rodamiento resista cargas axiales, radiales y de momento (momento de vuelco). La precisión de los rodamientos puede alcanzar las clases P4/P2 y cuentan con un diseño de precarga ajustable para optimizar la rigidez. Su velocidad límite es mayor que la de los rodamientos de rodillos cilíndricos cruzados y presentan un coeficiente de fricción más bajo.
Características del producto
·Estructura compacta: Los rodamientos de rodillos cónicos cruzados incorporan dos juegos de pistas de rodadura y rodillos dispuestos transversalmente en ángulo recto. La altura de la sección transversal del rodamiento es similar a la de un rodamiento de una hilera, ahorrando así espacio y material de la carcasa.
·Alta rigidez y luz efectiva: El gran ángulo cónico y el diseño geométrico cónico le dan al rodamiento una luz total efectiva varias veces su propio ancho.
·Capacidad de carga de alto momento: La disposición de rodillos cruzados permite que el rodamiento tolere momentos de vuelco elevados.
·Precisión y Baja Fricción: Ofrecen una alta precisión (hasta el grado P2) y, en comparación con los rodamientos de rodillos cilíndricos cruzados, alcanzan velocidades límite más altas y una menor fricción.
Campos de Aplicación (Aplicaciones)
·Los rodamientos de rodillos cónicos cruzados son adecuados para máquinas herramienta, que incluyen:
·Mesas para mandrinadoras y rectificadoras verticales
·Mesas indexadoras rotativas de precisión para máquinas herramienta
· Talladoras de engranajes grandes
·Torretas
·Robots industriales
·Máquinas herramienta CNC
·Mesas Rotativas CNC
·Tornos verticales CNC
·Plataformas Rotativas de Precisión
·Instrumentos de prueba/medición
·Equipos de precisión

| Dimensiones básicas | Clasificación de carga básica | Clasificaciones de velocidad | Misa | Modelo | ||||
| Dinámico | Estática | Velocidad de referencia | Velocidad límite | Rodamiento No. | ||||
| d [mm] | D [mm] | B [mm] | C [kN] | C0 [kN] | [r/min] | [r/min] | [kg] | |
| 150 | 230 | 30 | 95.2 | 156 | 1100 | 4.9 | Rodamiento XRT060-NT | |
| 160 | 240 | 30 | 96.8 | 162 | 1000 | 5.15 | Rodamiento XRT063-NT | |
| 200 | 280 | 30 | 102 | 175 | 900 | 6.7 | Rodamiento XRT079-NT | |
| 203.2 | 279.4 | 31.75 | 110 | 188 | 850 | 5.59 | Rodamiento XRT080-NT | |
| 203.2 | 279.4 | 31.75 | 110 | 188 | 850 | 5.59 | Rodamiento XRT080-W | |
| 240 | 300 | 30 | 88 | 184 | 750 | 5.4 | Rodamiento XRT094-NT | |
| 250 | 310 | 25 | 88 | 188 | 700 | 4.5 | Rodamiento XRT098-NT | |
| 250 | 350 | 40 | 187 | 355 | 670 | 13 | Rodamiento XRT099-NT | |
| 300 | 400 | 36.492 | 183 | 355 | 560 | 12.5 | Rodamiento XRT110-NTL | |
| 300 | 400 | 38 | 183 | 355 | 560 | 12.5 | Rodamiento XRT110-NT | |
| 300 | 480 | 60 | 258 | 495 | 600 | 38 | Rodamiento XRT110-NF | |
| 310 | 425 | 45 | 216 | 427 | 640 | 19.5 | Rodamiento XRT120-NT | |
| 330.2 | 457.2 | 63.5 | 264 | 515 | 620 | 32 | Rodamiento XRT130-NT | |
| 350 | 470 | 50 | 308 | 635 | 560 | 27 | Rodamiento XRT138-NT | |
| 370 | 495 | 50 | 93.6 | 600 | 30 | Rodamiento XRT140-NT | ||
| 400 | 480 | 40 | 216 | 497 | 430 | 15 | Rodamiento XRT157-NT | |
| 400 | 550 | 60 | 429 | 920 | 400 | 46.5 | Rodamiento XRT158-NT | |
| 432.03 | 571.5 | 38.1 | 435 | 910 | 400 | 27.5 | Rodamiento XRT170-W | |
| 457.2 | 609.6 | 63.5 | 396 | 856 | 420 | 51 | Rodamiento XRT180-NT | |
| 424.95 | 614.924 | 65 | 470 | 960 | 380 | 62 | Rodamiento XRT160-NT | |
| 580 | 760 | 80 | 627 | 1380 | 300 | 100 | Rodamiento XRT220-NT | |
| 580 | 760 | 800 | 627 | 1380 | 300 | 100 | Rodamiento XRT220-W | |
| 600 | 830 | 80 | 680 | 1460 | 300 | 148 | Rodamiento XRT230-NF | |
| 685.8 | 914.4 | 79.375 | 693 | 1660 | 260 | 150 | Rodamiento XRT270-N | |
| 685.8 | 914.4 | 79.375 | 693 | 1660 | 260 | 150 | Rodamiento XRT270-NT | |
| 685.8 | 914.4 | 79.375 | 693 | 1660 | 260 | 150 | Rodamiento XRT270-W | |
| 901.7 | 1117.6 | 82.555 | 781 | 2060 | 200 | 185 | Rodamiento XRT350-W | |
| 901.7 | 1117.6 | 82.555 | 781 | 2060 | 200 | 185 | Rodamiento XRT350-NT | |
| 939.8 | 1117.6 | 82.555 | 920 | 2580 | 200 | 158 | Rodamiento XRT370-N | |
| 950 | 1170 | 85 | 968 | 2690 | 215 | 215 | Rodamiento XRT374-NF | |
| Dimensiones básicas | Clasificación de carga básica | Clasificaciones de velocidad | Misa | Modelo | ||||
| dinámico | estático | Velocidad de referencia | Velocidad límite | Rodamiento No. | ||||
| d [mm] | D [mm] | B [mm] | C [kN] | C0 [kN] | [r/min] | [r/min] | [kg] | |
| 1028.7 | 1327.15 | 114.3 | 1230 | 3310 | 430 | 430 | Rodamiento XRT400-NT | |
| 1028.7 | 1327.15 | 95.25 | 1060 | 3100 | 450 | 358 | Rodamiento XRT400-WT | |
| 1028.7 | 1327.15 | 114.3 | 1230 | 3310 | 430 | 430 | Rodamiento XRT400-NF | |
| 1270 | 1524 | 95.25 | 1300 | 3830 | 95 | 350 | Rodamiento XRT500-NT | |
| 1549.4 | 1828.8 | 101.6 | 1400 | 4510 | 80 | 500 | Rodamiento XRT610-NT | |
| 1879.6 | 2197.1 | 101.6 | 1510 | 5240 | 43 | 675 | Rodamiento XRT740-NT | |
| 2463.8 | 2819.4 | 114.3 | 2330 | 8740 | 19 | 1130 | Rodamiento XRT1040-NT | |
0+
años
Experiencia en la industria
0+
Diversidad de modelos
0+
Número de empleados
0
$
Valor anual de las exportaciones
Horario de la exposición: 8-11 de julio de 2024 Lugar de la exposición: Ekaterimburgo, Rusia Número de stand: IS37 Ciclo de exposición: Una vez al añoOrganizador: Ministerio de Industria y...
La aplicación de rodamientos en la industria metalúrgica incluye principalmente las siguientes áreas: 1. Maquinaria de laminación: La maquinaria de laminación en la industria metalúrgica es un e...
El motor es el núcleo del funcionamiento de los equipos industriales y el rodamiento es el componente mecánico clave del motor. El rodamiento soporta todas las cargas y tensiones que se...
Asimismo, es una plataforma esencial para fomentar la cooperación integral, profesional e internacional en sectores como herramientas mecánicas, automoción, maquinaria agrícola, maquinaria de ingenier...