Rodamientos de rodillos cónicos de cuatro hileras: aplicaciones de servicio pesado
Los rodamientos de rodillos cónicos de cuatro hileras son un diseño especializado que se utiliza principalmente para soportar cargas radiales extremadamente altas y cargas axiales parciales. Se emplean comúnmente en maquinaria pesada, como laminadores (por ejemplo, laminadores en caliente de cuatro alturas, laminadores en frío) y laminadores. Su diseño presenta rodillos dispuestos en cuatro anillos exteriores cónicos, lo que da como resultado una alta capacidad de carga y una vida útil prolongada. Además, su espacio libre se puede preajustar modificando los espaciadores (o cuñas) para adaptarse a diversos requisitos operativos.
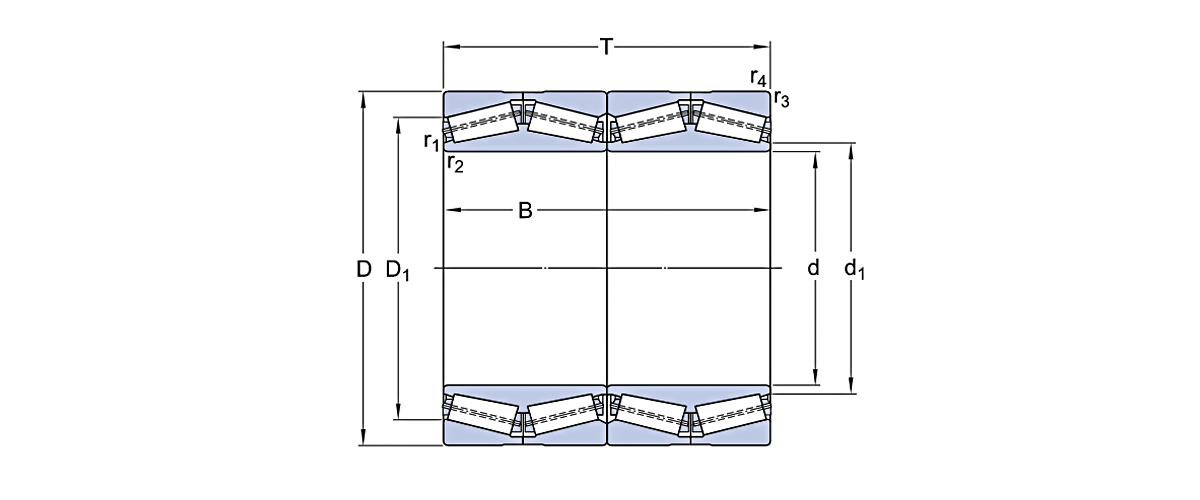
Composición estructural
·Tipo abierto: Consta de tres anillos exteriores (copas), dos anillos interiores (conos), cuatro filas de rodillos, dos espaciadores exteriores y un espaciador interior.
·Tipo sellado: Agrega dos anillos de sellado a la estructura básica del tipo abierto.
Características clave
·Alta capacidad de carga: La disposición de rodillos de cuatro hileras está diseñada para soportar cargas radiales significativamente mayores en comparación con los rodamientos de dos hileras.
·Vida útil extendida: La optimización del acabado superficial de las superficies de contacto de los rodillos y las pistas de rodadura promueve la formación de una película lubricante hidrostática/hidrodinámica, que mejora la resistencia al desgaste.
·Fácil instalación: Por lo general, está diseñado con un ajuste holgado para simplificar la instalación y extracción.
· Espacio libre ajustable: El juego interno del rodamiento está preajustado o se puede ajustar con precisión mediante el uso de espaciadores de ajuste, lo que garantiza la precisión de rotación y prolonga la vida útil.
·Alta confiabilidad: Los diseños de sellado optimizados previenen eficazmente la contaminación externa y al mismo tiempo reducen la fricción y la generación de calor.
Aplicaciones primarias
·Laminadores: Cilindros de trabajo en laminadores en caliente de cuatro alturas y laminadores en frío, etc.
·Molinos Florecientes: Utilizado en la industria del acero para operaciones de desbaste y desbastado.
·Maquinaria Pesada: Como equipos de minería.

| Dimensiones básicas | Clasificación de carga básica | Clasificaciones de velocidad | Misa | Modelo | |||||
| Dinámico | Estática | Velocidad de referencia | Velocidad límite | Rodamiento No. | |||||
| d [mm] | D [mm] | B [mm] | T [mm] | C [kN] | C0 [kN] | [r/min] | [r/min] | [kg] | |
| 139.7 | 200.025 | 157.162 | 160.34 | 160.34 | 331138 AG Rodamiento | ||||
| 177.8 | 247.65 | 192.088 | 192.088 | 192.088 | 331480G Rodamiento | ||||
| 177.8 | 247.65 | 192.088 | 192.088 | 192.088 | BT4-0010 G/HA1C400VA903 Rodamiento | ||||
| 198.438 | 284.162 | 225.425 | 225.425 | 225.425 | BT4-0027 AG/HA1 Rodamiento | ||||
| 206.375 | 282.575 | 190.5 | 190.5 | 190.5 | BT4-0013 G/HA1C400VA903 Rodamiento | ||||
| 206.375 | 282.575 | 190.5 | 190.5 | 190.5 | BT4-0021 G/HA1 Rodamiento | ||||
| 220 | 295 | 315 | 315 | 315 | BT4-0035 E8/C355 Rodamiento | ||||
| 220.662 | 314.325 | 239.712 | 239.712 | 239.712 | BT4-0040 E8/C355 Rodamiento | ||||
| 240 | 338 | 248 | 248 | 248 | BT4-0020/HA1 Rodamiento | ||||
| 241.478 | 349.148 | 228.6 | 228.6 | 228.6 | 330782 AG Rodamiento | ||||
| 244.475 | 327.025 | 193.675 | 193.675 | 193.675 | 330862 B Rodamiento | ||||
| 254 | 358.775 | 268.875 | 268.875 | 268.875 | BT4-0039 E8/C355 Rodamiento | ||||
| 266.7 | 355.6 | 230.188 | 228.6 | 228.6 | BT4-0014 G/HA1C400VA903 Rodamiento | ||||
| 266.7 | 355.6 | 230.188 | 228.6 | 228.6 | BT4B 328209 G/HA1C455 Rodamiento | ||||
| 269.875 | 381 | 282.575 | 282.575 | 282.575 | BT4B 331168 B Rodamiento | ||||
| 276.225 | 393.7 | 269.875 | 269.875 | 269.875 | BT4-0012 G/HA1C500VA901 Rodamiento | ||||
| 279.4 | 393.7 | 269.875 | 269.875 | 269.875 | BT4-0011 G/HA1C500VA901 Rodamiento | ||||
| 279.578 | 380.898 | 244.475 | 244.475 | 244.475 | 330540 AG Rodamiento | ||||
| 280 | 406.4 | 298.45 | 298.45 | 298.45 | BT4-0026 Rodamiento A/PEX | ||||
| 285.75 | 380.898 | 244.475 | 244.475 | 244.475 | 330337 AG Rodamiento | ||||
| 285.75 | 380.898 | 244.475 | 244.475 | 244.475 | BT4-0015 G/HA1C400VA903 Rodamiento | ||||
| 288.925 | 406.4 | 298.45 | 292.45 | 292.45 | BT4B 331452 G/HA1 Rodamiento | ||||
| 292.1 | 422.275 | 269.875 | 269.875 | 269.875 | BT4B 331968 BG/HA1 Rodamiento | ||||
| 304.648 | 438.048 | 280.99 | 279.4 | 279.4 | 331492 Rodamiento | ||||
| 304.8 | 501.65 | 336.55 | 336.55 | 336.55 | BT4B 328909 G/HA1VA901 Rodamiento | ||||
| 304.902 | 412.648 | 266.7 | 266.7 | 266.7 | 330758 BG Rodamiento | ||||
| 304.902 | 412.648 | 266.7 | 266.7 | 266.7 | BT4-0004 G/HA1 Rodamiento | ||||
| 310 | 430 | 310 | 310 | 310 | BT4-8093 G/HA1VA901 Rodamiento | ||||
| 317.5 | 422.275 | 269.875 | 269.875 | 269.875 | 330870 BG Rodamiento | ||||
| 317.5 | 447.675 | 327.025 | 327.025 | 327.025 | BT4B 331161 AG/HA4 Rodamiento | ||||
| Dimensiones básicas | Clasificación de carga básica | Clasificaciones de velocidad | Misa | Modelo | |||||
| dinámico | estático | Velocidad de referencia | Velocidad límite | Rodamiento No. | |||||
| d [mm] | D [mm] | B [mm] | T [mm] | C [kN] | C0 [kN] | [r/min] | [r/min] | [kg] | |
| 317.5 | 447.675 | 327.025 | 327.025 | 327.025 | BT4B 331161 BG/HA1 Rodamiento | ||||
| 317.5 | 422.275 | 269.875 | 269.875 | 269.875 | BT4B 334023 E1/C675 Rodamiento | ||||
| 330.2 | 444.5 | 301.625 | 301.625 | 301.625 | BT4B 332647 G/HA1 Rodamiento | ||||
| 330.302 | 438.023 | 247.65 | 254 | 254 | Rodamiento BT4-8113 E2/C500 | ||||
| 333.375 | 469.9 | 342.9 | 342.9 | 342.9 | 331381 Rodamiento | ||||
| 343.052 | 457.098 | 254 | 254 | 254 | Rodamiento BT4-8160 E8/C475 | ||||
| 343.052 | 457.098 | 254 | 254 | 254 | Rodamiento BT4-8160 E81/C400 | ||||
| 343.052 | 457.098 | 254 | 254 | 254 | BT4-8160 E81/C475 Rodamiento | ||||
| 343.052 | 457.098 | 254 | 254 | 254 | BT4B 328817 E1/C475 Rodamiento | ||||
| 343.052 | 457.098 | 254 | 254 | 254 | BT4B 328817 EX1/C475 Rodamiento | ||||
| 346.075 | 488.95 | 358.775 | 358.775 | 358.775 | BT4B 331228 G/HA1C200 Rodamiento | ||||
| 347.662 | 469.9 | 292.1 | 292.1 | 292.1 | 331092 Un rodamiento | ||||
| 347.662 | 469.9 | 292.1 | 292.1 | 292.1 | BT4-8070 G/HA1VA901 Rodamiento | ||||
| 355.6 | 488.95 | 317.5 | 317.5 | 317.5 | 331271 Rodamiento | ||||
| 355.6 | 482.6 | 265.113 | 269.875 | 269.875 | Rodamiento BT4-8162 E8/C480 | ||||
| 355.6 | 482.6 | 265.113 | 269.875 | 269.875 | BT4-8162 E81/C480 Rodamiento | ||||
| 355.6 | 482.6 | 265.113 | 269.875 | 269.875 | BT4B 328870 EX1/C300 Rodamiento | ||||
| 355.6 | 488.95 | 317.5 | 317.5 | 317.5 | BT4B 328912 E1/C300 Rodamiento | ||||
| 355.6 | 488.95 | 317.5 | 317.5 | 317.5 | BT4B 328912 E3/C675 Rodamiento | ||||
| 360 | 510 | 380 | 380 | 380 | 332059 Rodamiento | ||||
| 368.3 | 523.875 | 382.588 | 382.588 | 382.588 | 331159 Un rodamiento | ||||
| 380 | 560 | 390 | 360 | 360 | Rodamiento BT4-8033 G/HA1 | ||||
| 380 | 540 | 300 | 300 | 300 | Rodamiento BT4-8086 G/HA1 | ||||
| 384.175 | 546.1 | 400.05 | 400.05 | 400.05 | 331149 E/C675 Rodamiento | ||||
| 384.175 | 546.1 | 400.05 | 400.05 | 400.05 | BT4-8025 G/HA1C300VA903 Rodamiento | ||||
| 384.175 | 546.1 | 400.05 | 400.05 | 400.05 | Rodamiento BT4B 334128/HA1 | ||||
| 385.762 | 514.35 | 317.5 | 317.5 | 317.5 | BT4B 334042 E1/C575 Rodamiento | ||||
| 395 | 545 | 268 | 288.9 | 288.9 | BT4B 332824 E/C475 Rodamiento | ||||
| 395 | 545 | 268 | 288.9 | 288.9 | Rodamiento BT4B 332824/HA1 | ||||
| 400 | 600 | 308 | 308 | 308 | Rodamiento BT4-8147 G/HA1 | ||||
| Dimensiones básicas | Clasificación de carga básica | Clasificaciones de velocidad | Misa | Modelo | |||||
| dinámico | estático | Velocidad de referencia | Velocidad límite | Rodamiento No. | |||||
| d [mm] | D [mm] | B [mm] | T [mm] | C [kN] | C0 [kN] | [r/min] | [r/min] | [kg] | |
| 406.4 | 562 | 381 | 381 | 381 | Rodamiento BT4-8126 E1/C575 | ||||
| 406.4 | 546.1 | 288.925 | 288.925 | 288.925 | Rodamiento BT4-8161 E8/C500 | ||||
| 406.4 | 546.1 | 288.925 | 288.925 | 288.925 | BT4-8161 E81/C500 Rodamiento | ||||
| 406.4 | 546.1 | 288.925 | 288.925 | 288.925 | BT4B 328838 BG/HA1VA902 Rodamiento | ||||
| 406.4 | 565.15 | 381 | 381 | 381 | BT4B 331347 AG/HA1 Rodamiento | ||||
| 406.4 | 546.1 | 330 | 330 | 330 | BT4B 334093 BG/HA1VA902 Rodamiento | ||||
| 409.575 | 546.1 | 334.962 | 334.962 | 334.962 | BT4B 329004 G/HA1VA901 Rodamiento | ||||
| 409.575 | 546.151 | 334.962 | 334.962 | 334.962 | BT4B 331333 E/C350 Rodamiento | ||||
| 409.575 | 546.1 | 334.962 | 334.962 | 334.962 | BT4B 331333 E/C575 Rodamiento | ||||
| 431.8 | 571.5 | 400 | 400 | 400 | BT4-8067 G/HA1VA902 Rodamiento | ||||
| 431.8 | 571.5 | 336.55 | 336.55 | 336.55 | BT4B 331226 AG/HA1 Rodamiento | ||||
| 431.8 | 571.5 | 336.55 | 336.55 | 336.55 | BT4B 331226 BG/HA1 Rodamiento | ||||
| 431.8 | 571.5 | 336.55 | 336.55 | 336.55 | Rodamiento BT4B 331226/HA1 | ||||
| 431.8 | 635 | 440 | 355.6 | 355.6 | BT4B 334019 G/HA1 Rodamiento | ||||
| 440 | 650 | 353.5 | 353.5 | 353.5 | 332313 Rodamiento | ||||
| 440 | 580 | 360 | 360 | 360 | Rodamiento BT4-8124 E/C550 | ||||
| 440 | 650 | 353.5 | 353.5 | 353.5 | BT4B 328944 G/HA1VA901 Rodamiento | ||||
| 440 | 590 | 480 | 480 | 480 | BT4B 334055 ABG/HA1VA902 Rodamiento | ||||
| 447.675 | 635 | 463.55 | 463.55 | 463.55 | 330608 C Rodamiento | ||||
| 450 | 595 | 404 | 404 | 404 | BT4-8044 G/HA1VA902 Rodamiento | ||||
| 450 | 595 | 368 | 368 | 368 | BT4-8173 E8/C725 Rodamiento | ||||
| 450 | 595 | 368 | 368 | 368 | BT4-8173 E81/C725 Rodamiento | ||||
| 450 | 595 | 404 | 404 | 404 | BT4B 328365 EX/C725 Rodamiento | ||||
| 450 | 595 | 368 | 368 | 368 | BT4B 332773 E/C725 Rodamiento | ||||
| 457.2 | 596.9 | 276.225 | 279.4 | 279.4 | 331169 BG Rodamiento | ||||
| 457.2 | 596.9 | 276.225 | 279.4 | 279.4 | 331169 E/C500 Rodamiento | ||||
| 457.2 | 606 | 381 | 381 | 381 | BT4-8125 E1/C725 Rodamiento | ||||
| 457.2 | 596.9 | 276.225 | 279.4 | 279.4 | BT4B 328827 ABG/HA1VA902 Rodamiento | ||||
| 460 | 610 | 360 | 360 | 360 | Rodamiento BT4-8111 E2/C725 | ||||
| 460 | 610 | 360 | 360 | 360 | BT4B 331977 E/C725 Rodamiento | ||||
| Dimensiones básicas | Clasificación de carga básica | Clasificaciones de velocidad | Misa | Modelo | |||||
| dinámico | estático | Velocidad de referencia | Velocidad límite | Rodamiento No. | |||||
| d [mm] | D [mm] | B [mm] | T [mm] | C [kN] | C0 [kN] | [r/min] | [r/min] | [kg] | |
| 460 | 625 | 421 | 421 | 421 | Rodamiento BT4B 332502/HA1 | ||||
| 475 | 600 | 368 | 368 | 368 | BT4B 328913 BG/HA1C555 Rodamiento | ||||
| 479.425 | 679.45 | 495.3 | 495.3 | 495.3 | 330886 B Rodamiento | ||||
| 482.6 | 615.95 | 330.2 | 330.2 | 330.2 | 332096 E/C725 Rodamiento | ||||
| 482.6 | 615.95 | 330.2 | 330.2 | 330.2 | BT4-8163 E8/C725 Rodamiento | ||||
| 482.6 | 615.95 | 330.2 | 330.2 | 330.2 | BT4-8163 E81/C725 Rodamiento | ||||
| 482.6 | 615.95 | 330.2 | 330.2 | 330.2 | Rodamiento BT4-8163 E8A/C725 | ||||
| 482.6 | 615.95 | 330.2 | 330.2 | 330.2 | BT4B 328842 E1/C325 Rodamiento | ||||
| 482.6 | 647.7 | 417.512 | 417.512 | 417.512 | BT4B 331259 BG/HA1C325 Rodamiento | ||||
| 489.026 | 634.873 | 320.675 | 320.675 | 320.675 | 331090 E/C700 Rodamiento | ||||
| 490 | 625 | 385 | 385 | 385 | Rodamiento BT4-8135 E/C750 | ||||
| 500 | 670 | 400.05 | 387.35 | 387.35 | Rodamiento BT4-8056 G/HA1 | ||||
| 501.65 | 711.2 | 520.7 | 520.7 | 520.7 | 331081 Un rodamiento | ||||
| 510 | 655 | 377 | 379 | 379 | BT4-8167 E8/C775 Rodamiento | ||||
| 510 | 655 | 377 | 379 | 379 | BT4-8167 E81/C775 Rodamiento | ||||
| 520.7 | 736.6 | 400.05 | 400.05 | 400.05 | BT4B 331243 A/HA1 Rodamiento | ||||
| 530 | 680 | 440 | 440 | 440 | Rodamiento BT4-8043 G/HA1 | ||||
| 540 | 690 | 400 | 400 | 400 | 331978 BG Rodamiento | ||||
| 540 | 690 | 400 | 400 | 400 | Rodamiento BT4-8108 E/C625 | ||||
| 558.8 | 736.6 | 322.265 | 322.268 | 322.268 | 331165 Un rodamiento | ||||
| 558.8 | 736.6 | 322.265 | 322.268 | 322.268 | 331165 AG Rodamiento | ||||
| 558.8 | 736.6 | 455.612 | 457.2 | 457.2 | BT4-8022 G/HA1VA919 Rodamiento | ||||
| 558.8 | 736.6 | 409.575 | 409.575 | 409.575 | BT4B 330993 AG/HA1 Rodamiento | ||||
| 558.8 | 736.6 | 409.575 | 409.575 | 409.575 | BT4B 334080 G/HA1VA901 Rodamiento | ||||
| 560 | 700 | 405 | 405 | 405 | Rodamiento BT4-8153 E/C775 | ||||
| 560 | 920 | 618 | 618 | 618 | Rodamiento BT4B 328509/HA4 | ||||
| 571.5 | 812.8 | 593.725 | 593.725 | 593.725 | Rodamiento BT4B 332666/HA1 | ||||
| 584.2 | 762 | 396.875 | 401.638 | 401.638 | 331148 Un rodamiento | ||||
| 584.2 | 730.25 | 342.9 | 349.25 | 349.25 | BT4B 331189 E/C600 Rodamiento | ||||
| 585.788 | 771.525 | 479.425 | 479.425 | 479.425 | BT4B 328888 BG/HA1VA901 Rodamiento | ||||
| Dimensiones básicas | Clasificación de carga básica | Clasificaciones de velocidad | Misa | Modelo | |||||
| dinámico | estático | Velocidad de referencia | Velocidad límite | Rodamiento No. | |||||
| d [mm] | D [mm] | B [mm] | T [mm] | C [kN] | C0 [kN] | [r/min] | [r/min] | [kg] | |
| 585.788 | 771.525 | 479.425 | 479.425 | 479.425 | BT4B 331093 BG/HA1 Rodamiento | ||||
| 595.312 | 844.55 | 615.95 | 615.95 | 615.95 | BT4B 331300 E/C775 Rodamiento | ||||
| 603.25 | 857.25 | 622.3 | 622.3 | 622.3 | 331625 Rodamiento | ||||
| 603.25 | 857.25 | 622.3 | 622.3 | 622.3 | BT4B 331625 E/C800 Rodamiento | ||||
| 609.6 | 787.4 | 361.95 | 361.95 | 361.95 | 331175 Un rodamiento | ||||
| 609.6 | 787.4 | 361.95 | 361.95 | 361.95 | 331175 BG/C355 Rodamiento | ||||
| 609.6 | 813.562 | 479.425 | 479.425 | 479.425 | 331925 Rodamiento | ||||
| 609.6 | 787.4 | 361.95 | 361.95 | 361.95 | BT4B 328871 G/HA1VA901 Rodamiento | ||||
| 620 | 800 | 363.5 | 363.5 | 363.5 | Rodamiento BT4B 328510/HA1 | ||||
| 625 | 815 | 480 | 480 | 480 | Rodamiento BT4-8031 E/C800 | ||||
| 625 | 815 | 600 | 600 | 600 | Rodamiento BT4-8137 G/HA1 | ||||
| 650 | 1030 | 560 | 560 | 560 | BT4B 332827 AG/HA1 Rodamiento | ||||
| 660 | 1070 | 648.002 | 648.002 | 648.002 | BT4B 332833 G/HA4 Rodamiento | ||||
| 660.4 | 812.8 | 365.125 | 365.125 | 365.125 | 331190 Rodamiento | ||||
| 660.4 | 812.8 | 365.125 | 365.125 | 365.125 | BT4B 331190 BG/HA1 Rodamiento | ||||
| 676 | 910 | 620 | 620 | 620 | Rodamiento BT4B 332906/HA4 | ||||
| 679.45 | 901.7 | 552.45 | 552.45 | 552.45 | BT4B 334015 BG/HA1VA901 Rodamiento | ||||
| 679.45 | 901.7 | 635 | 542.45 | 542.45 | BT4B 334016 AG/HA1VA901 Rodamiento | ||||
| 680 | 930 | 700 | 700 | 700 | Rodamiento BT4B 328349/HA1 | ||||
| 685.8 | 876.3 | 352.425 | 355.6 | 355.6 | BT4B 328955 ABG/HA1VA902 Rodamiento | ||||
| 685.8 | 876 | 352.425 | 355.6 | 355.6 | BT4B 331089 CG/HA1 Rodamiento | ||||
| 708.025 | 930.275 | 565.15 | 565.15 | 565.15 | Rodamiento BT4-8109 E1/C800 | ||||
| 708.025 | 930.275 | 565.15 | 565.15 | 565.15 | BT4B 332098 A/HA4 Rodamiento | ||||
| 710 | 900 | 410 | 410 | 410 | 331351 Rodamiento | ||||
| 710 | 900 | 410 | 410 | 410 | BT4B 331351 BG/HA1 Rodamiento | ||||
| 710 | 900 | 410 | 410 | 410 | BT4B 331351 E/C775 Rodamiento | ||||
| 711.2 | 914.4 | 390 | 390 | 390 | Rodamiento BT4-8139 G/HA1 | ||||
| 717.55 | 946.15 | 565.15 | 565.15 | 565.15 | 332244 Rodamiento | ||||
| 717.55 | 946.15 | 565.15 | 565.15 | 565.15 | BT4-8069 G/HA1VA901 Rodamiento | ||||
| 730.25 | 1035.05 | 755.65 | 755.65 | 755.65 | 330803 Un rodamiento | ||||
| Dimensiones básicas | Clasificación de carga básica | Clasificaciones de velocidad | Misa | Modelo | |||||
| dinámico | estático | Velocidad de referencia | Velocidad límite | Rodamiento No. | |||||
| d [mm] | D [mm] | B [mm] | T [mm] | C [kN] | C0 [kN] | [r/min] | [r/min] | [kg] | |
| 750 | 950 | 410 | 410 | 410 | Rodamiento BT4-8048 E/C725 | ||||
| 750 | 1130 | 690 | 690 | 690 | Rodamiento BT4B 328376/HA4 | ||||
| 785 | 1010 | 600 | 600 | 600 | Rodamiento BT4-8121 E/C600 | ||||
| 825.5 | 1168.4 | 844.55 | 844.55 | 844.55 | BT4B 331066 A/HA4 Rodamiento | ||||
| 863.6 | 1219.1 | 876.3 | 889 | 889 | BT4B 330742 A/HA4 Rodamiento | ||||
| 863.6 | 1130.3 | 669.925 | 669.925 | 669.925 | BT4B 331123 DG/HA1 Rodamiento | ||||
| 877.888 | 1220 | 844.55 | 844.55 | 844.55 | Rodamiento BT4B 332981/HA4 | ||||
| 938.212 | 1270 | 825.5 | 825.5 | 825.5 | 330726 Un rodamiento | ||||
| 1001 | 1360 | 800 | 800 | 800 | BT4B 334031 AG/HA4 Rodamiento | ||||
| 1001 | 1360 | 800 | 800 | 800 | Rodamiento BT4B 334031/HA4C1800 | ||||
| 1070.001 | 1399.997 | 889.762 | 889.762 | 889.762 | Rodamiento BT4B 328100/HA4 | ||||
| 1300 | 1720 | 840 | 840 | 840 | Rodamiento BT4-8150 G/HA4 | ||||
| 287.5 | 440 | 330.3 | 284 | 284 | BT4B 332997 B/HA1 Rodamiento | ||||
| 287.5 | 440 | 330.3 | 284 | 284 | BT4B 332997/HA1 Rodamiento | ||||
| 368.294 | 523.875 | 411.162 | 366.712 | 366.712 | BT4B 334056 B/HA1 Rodamiento | ||||
| 384.175 | 546.1 | 437.96 | 384.175 | 384.175 | Rodamiento BT4B 334048/HA1 | ||||
| 391.071 | 550 | 428.625 | 384.175 | 384.175 | Rodamiento BT4B 328305/HA1 | ||||
| 400 | 540 | 330 | 295 | 295 | 332297 Rodamiento | ||||
| 400 | 540 | 295 | 330 | 330 | Rodamiento BT4-8050/HA1 | ||||
| 406.445 | 565.201 | 409.575 | 365.125 | 365.125 | BT4B 332813 B/HA1C425 Rodamiento | ||||
| 415.925 | 590.55 | 479.96 | 419.1 | 419.1 | BT4B 334047/HA1 Rodamiento | ||||
| 431.8 | 571.5 | 366.713 | 320.675 | 320.675 | 331999 Rodamiento | ||||
| 450 | 595 | 388 | 352 | 352 | Rodamiento BT4-8053/HA1 | ||||
| 482.6 | 647.7 | 436.5 | 401.638 | 401.638 | Rodamiento BT4-8052/HA1 | ||||
| 555.233 | 761.873 | 692.15 | 536.575 | 536.575 | Rodamiento BT4B 334125/HA1 | ||||
| 770 | 1040 | 800 | 650 | 650 | Rodamiento BT4B 334099/HA4 | ||||
| 872.769 | 1181.1 | 714.375 | 628.65 | 628.65 | Rodamiento BT4B 332786/HA4 | ||||
| 872.847 | 1181.1 | 714.375 | 628.65 | 628.65 | BT4B 328956/HA4 Rodamiento | ||||
0+
años
Experiencia en la industria
0+
Diversidad de modelos
0+
Número de empleados
0
$
Valor anual de las exportaciones
Horario de la exposición: 8-11 de julio de 2024 Lugar de la exposición: Ekaterimburgo, Rusia Número de stand: IS37 Ciclo de exposición: Una vez al añoOrganizador: Ministerio de Industria y...
La aplicación de rodamientos en la industria metalúrgica incluye principalmente las siguientes áreas: 1. Maquinaria de laminación: La maquinaria de laminación en la industria metalúrgica es un e...
El motor es el núcleo del funcionamiento de los equipos industriales y el rodamiento es el componente mecánico clave del motor. El rodamiento soporta todas las cargas y tensiones que se...
Asimismo, es una plataforma esencial para fomentar la cooperación integral, profesional e internacional en sectores como herramientas mecánicas, automoción, maquinaria agrícola, maquinaria de ingenier...