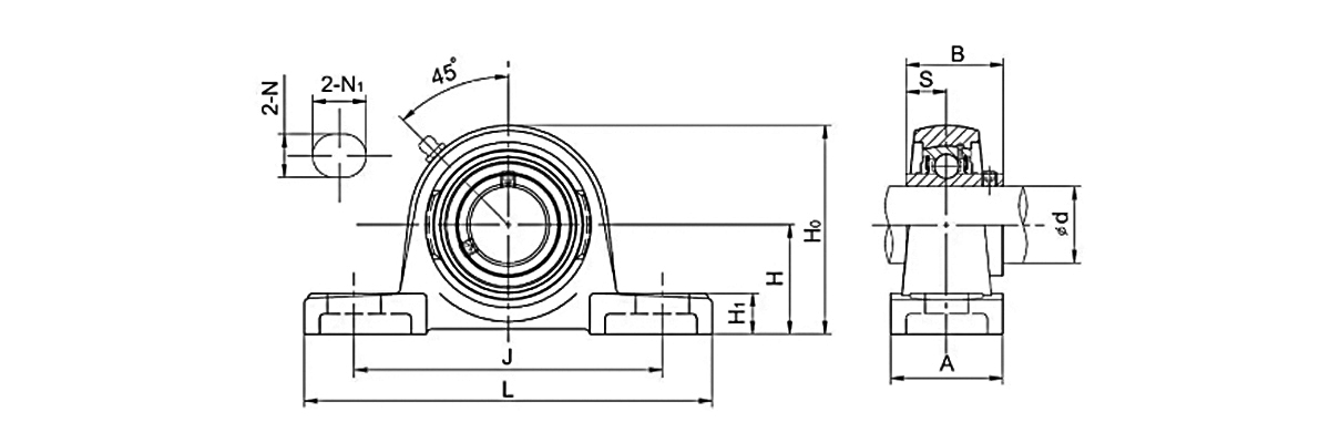
Un cojinete de chumacera, también conocido como plomada, es una estructura de soporte diseñada para ayudar a estabilizar un eje giratorio mediante el uso de cojinetes compatibles y una variedad de componentes asociados.
Este tipo de rodamiento contiene un bloque de montaje (piso de apoyo). El rodamiento está instalado dentro del bloque de montaje.
Los cojinetes de chumacera se utilizan con mayor frecuencia en aplicaciones de bajo par. Las ranuras o orificios en la base del rodamiento o en los pies del rodamiento permiten un fácil montaje y ajuste.

| Número de unidad | Diámetro reel eje | Dimensiones (mm) | Tamaño del perno (mm) |
Peso (kg) |
|||||||||||
| d | H | L | J | A | N | N1 | H1 | Ho | B | S | A3 | ||||
| (in) | (mm) | ||||||||||||||
| UCWP201 | 12 | 30.2 | 125 | 95 | 32 | 13 | 18 | 13 | 57 | 27.4 | 11.5 | – | M10 | 0.72 | |
| UCWP202 | 15 | 30.2 | 125 | 95 | 32 | 13 | 18 | 13 | 57 | 27.4 | 11.5 | – | M10 | 0.66 | |
| UCWP203 | 17 | 30.2 | 125 | 95 | 32 | 13 | 18 | 13 | 57 | 27.4 | 11.5 | – | M10 | 0.66 | |
| UCP201 | 12 | 30.2 | 127 | 95 | 38 | 13 | 19 | 14 | 61 | 31 | 12.7 | – | M10 | 0.76 | |
| UCP201-8 | 1/2 | 30.2 | 127 | 95 | 38 | 13 | 19 | 14 | 61 | 31 | 12.7 | – | M10 | 0.76 | |
| UCP202 | 15 | 30.2 | 127 | 95 | 38 | 13 | 19 | 14 | 61 | 31 | 12.7 | – | M10 | 0.74 | |
| UCP202-9 | 9/16 | 30.2 | 127 | 95 | 38 | 13 | 19 | 14 | 61 | 31 | 12.7 | – | M10 | 0.74 | |
| UCP202-10 | 5/8 | 30.2 | 127 | 95 | 38 | 13 | 19 | 14 | 61 | 31 | 12.7 | – | M10 | 0.74 | |
| UCP203 | 17 | 30.2 | 127 | 95 | 38 | 13 | 19 | 14 | 61 | 31 | 12.7 | – | M10 | 0.72 | |
| UCP203-11 | 16/11 | 30.2 | 127 | 95 | 38 | 13 | 19 | 14 | 61 | 31 | 12.7 | – | M10 | 0.72 | |
| UCP204 | 20 | 33.3 | 127 | 95 | 38 | 13 | 19 | 14 | 64 | 31 | 12.7 | 46.4 | M10 | 0.7 | |
| UCP204-12 | 3/4 | 33.3 | 127 | 95 | 38 | 13 | 19 | 14 | 64 | 31 | 12.7 | 46.4 | M10 | 0.7 | |
| UCP205 | 25 | 36.5 | 140 | 105 | 38 | 13 | 19 | 15 | 71 | 34.1 | 14.3 | 48 | M10 | 0.76 | |
| UCP205-14 | 7/8 | 36.5 | 140 | 105 | 38 | 13 | 19 | 15 | 71 | 34.1 | 14.3 | 48 | M10 | 0.76 | |
| UCP205-15 | 15/16 | 36.5 | 140 | 105 | 38 | 13 | 19 | 15 | 71 | 34.1 | 14.3 | 48 | M10 | 0.76 | |
| UCP205-16 | 1 | 36.5 | 140 | 105 | 38 | 13 | 19 | 15 | 71 | 34.1 | 14.3 | 48 | M10 | 0.76 | |
| UCP206 | 30 | 42.9 | 160 | 121 | 44 | 17 | 21 | 16 | 82 | 38.1 | 15.9 | 52 | M14 | 1.25 | |
| UCP206-17 | 1-1/16 | 42.9 | 160 | 121 | 44 | 17 | 21 | 16 | 82 | 38.1 | 15.9 | 52 | M14 | 1.25 | |
| UCP206-18 | 1-1/8 | 42.9 | 160 | 121 | 44 | 17 | 21 | 16 | 82 | 38.1 | 15.9 | 52 | M14 | 1.25 | |
| UCP206-19 | 1-3/16 | 42.9 | 160 | 121 | 44 | 17 | 21 | 16 | 82 | 38.1 | 15.9 | 52 | M14 | 1.25 | |
| UCP206-20 | 1-1/4 | 42.9 | 160 | 121 | 44 | 17 | 21 | 16 | 82 | 38.1 | 15.9 | 52 | M14 | 1.25 | |
| UCP207 | 35 | 47.6 | 167 | 126 | 48 | 17 | 21 | 17 | 92 | 42.9 | 17.5 | 59 | M14 | 1.55 | |
| UCP207-20 | 1-1/4 | 47.6 | 167 | 126 | 48 | 17 | 21 | 17 | 92 | 42.9 | 17.5 | 59 | M14 | 1.55 | |
| UCP207-21 | 1-5/16 | 47.6 | 167 | 126 | 48 | 17 | 21 | 17 | 92 | 42.9 | 17.5 | 59 | M14 | 1.55 | |
| UCP207-22 | 1-3/8 | 47.6 | 167 | 126 | 48 | 17 | 21 | 17 | 92 | 42.9 | 17.5 | 59 | M14 | 1.55 | |
| UCP207-23 | 1-7/16 | 47.6 | 167 | 126 | 48 | 17 | 21 | 17 | 92 | 42.9 | 17.5 | 59 | M14 | 1.55 | |
| UCP208 | 40 | 49.2 | 180 | 137 | 52 | 17 | 21 | 18 | 99 | 49.2 | 19 | 68.2 | M14 | 1.9 | |
| UCP208-24 | 1-1/2 | 49.2 | 180 | 137 | 52 | 17 | 21 | 18 | 99 | 49.2 | 19 | 68.2 | M14 | 1.9 | |
| UCP208-25 | 1-9/16 | 49.2 | 180 | 137 | 52 | 17 | 21 | 18 | 99 | 49.2 | 19 | 68.2 | M14 | 1.9 | |
| UCP209 | 45 | 54 | 190 | 146 | 54 | 17 | 21 | 20 | 106 | 49.2 | 19 | 70 | M14 | 2.2 | |
| UCP209-26 | 1-5/8 | 54 | 190 | 146 | 54 | 17 | 21 | 20 | 106 | 49.2 | 19 | 70 | M14 | 2.2 | |
| UCP209-27 | 1-16/11 | 54 | 190 | 146 | 54 | 17 | 21 | 20 | 106 | 49.2 | 19 | 70 | M14 | 2.2 | |
| UCP209-28 | 1-3/4 | 54 | 190 | 146 | 54 | 17 | 21 | 20 | 106 | 49.2 | 19 | 70 | M14 | 2.2 | |
| UCP210 | 50 | 57.2 | 206 | 159 | 60 | 20 | 25 | 21 | 114 | 51.6 | 19 | 76 | M16 | 2.75 | |
| UCP210-30 | 1-7/8 | 57.2 | 206 | 159 | 60 | 20 | 25 | 21 | 114 | 51.6 | 19 | 76 | M16 | 2.75 | |
| UCP210-31 | 1-15/16 | 57.2 | 206 | 159 | 60 | 20 | 25 | 21 | 114 | 51.6 | 19 | 76 | M16 | 2.75 | |
| UCP210-32 | 2 | 57.2 | 206 | 159 | 60 | 20 | 25 | 21 | 114 | 51.6 | 19 | 76 | M16 | 2.75 | |
| UCP211 | 55 | 63.5 | 217 | 172 | 60 | 20 | 25 | 23 | 125 | 55.6 | 22.2 | 76 | M16 | 3.3 | |
| UCP211-32 | 2 | 63.5 | 217 | 172 | 60 | 20 | 25 | 23 | 125 | 55.6 | 22.2 | 76 | M16 | 3.3 | |
| UCP211-34 | 2-1/8 | 63.5 | 217 | 172 | 60 | 20 | 25 | 23 | 125 | 55.6 | 22.2 | 76 | M16 | 3.3 | |
| UCP211-35 | 2-3/16 | 63.5 | 217 | 172 | 60 | 20 | 25 | 23 | 125 | 55.6 | 22.2 | 76 | M16 | 3.3 | |
| UCP212 | 60 | 69.9 | 238 | 186 | 70 | 20 | 25 | 24 | 137 | 65.1 | 25.4 | 89 | M16 | 4.7 | |
| UCP212-36 | 2-1/4 | 69.9 | 238 | 186 | 70 | 20 | 25 | 24 | 137 | 65.1 | 25.4 | 89 | M16 | 4.7 | |
| UCP212-38 | 2-3/8 | 69.9 | 238 | 186 | 70 | 20 | 25 | 24 | 137 | 65.1 | 25.4 | 89 | M16 | 4.7 | |
| UCP212-39 | 2-7/16 | 69.9 | 238 | 186 | 70 | 20 | 25 | 24 | 137 | 65.1 | 25.4 | 89 | M16 | 4.7 | |
| UCP213 | 65 | 76.2 | 262 | 203 | 70 | 25 | 30 | 26 | 149 | 65.1 | 25.4 | 89 | M20 | 5.6 | |
| UCP213-40 | 2-1/2 | 76.2 | 262 | 203 | 70 | 25 | 30 | 26 | 149 | 65.1 | 25.4 | 89 | M20 | 5.6 | |
| UCP214 | 70 | 79.4 | 266 | 210 | 72 | 25 | 30 | 27 | 155 | 74.6 | 30.2 | 98 | M20 | 6.6 | |
| UCP214-44 | 2-3/4 | 79.4 | 266 | 210 | 72 | 25 | 30 | 27 | 155 | 74.6 | 30.2 | 98 | M20 | 6.6 | |
| UCP215 | 75 | 82.6 | 274 | 217 | 74 | 25 | 30 | 28 | 162 | 77.8 | 33.3 | 97 | M20 | 7.3 | |
| UCP215-47 | 2-15/16 | 82.6 | 274 | 217 | 74 | 25 | 30 | 28 | 162 | 77.8 | 33.3 | 97 | M20 | 7.3 | |
| UCP215-48 | 3 | 82.6 | 274 | 217 | 74 | 25 | 30 | 28 | 162 | 77.8 | 33.3 | 97 | M20 | 7.3 | |
| UCP216 | 80 | 88.9 | 292 | 232 | 78 | 25 | 30 | 30 | 174 | 82.6 | 33.3 | 110 | M20 | 9 | |
| UCP217 | 85 | 95.2 | 310 | 247 | 83 | 25 | 28 | 32 | 186 | 85.7 | 34.1 | 114.2 | M20 | 10.8 | |
| UCP217-52 | 3-1/4 | 95.2 | 310 | 247 | 83 | 25 | 28 | 32 | 186 | 85.7 | 34.1 | 114.2 | M20 | 10.8 | |
| UCP218 | 90 | 101.6 | 326 | 262 | 88 | 27 | 30 | 33 | 198 | 96 | 39.7 | 124 | M22 | 13 | |
| UCP218-56 | 3-1/2 | 101.6 | 326 | 262 | 88 | 27 | 30 | 33 | 198 | 96 | 39.7 | 124 | M22 | 13 | |
| UCP220 | 100 | 115 | 380 | 305 | 95 | 30 | 36 | 40 | 225 | 108 | 42 | – | M24 | 16 | |

| Número de unidad | Diámetro reel eje | Dimensiones (mm) | Tamaño del pernoe (mm) |
Peso (kg) |
||||||||||
| d | H | L | J | A | N | N1 | H1 | Ho | B1 | S | ||||
| (in) | (mm) | |||||||||||||
| PunN201 | 12 | 30.2 | 127 | 95 | 38 | 13 | 19 | 14 | 61 | 43.7 | 17.1 | M10 | 0.72 | |
| PunN201-8 | 1/2 | 30.2 | 127 | 95 | 38 | 13 | 19 | 14 | 61 | 43.7 | 17.1 | M10 | 0.72 | |
| PunN202 | 15 | 30.2 | 127 | 95 | 38 | 13 | 19 | 14 | 61 | 43.7 | 17.1 | M10 | 0.72 | |
| PunN202-9 | 9/16 | 30.2 | 127 | 95 | 38 | 13 | 19 | 14 | 61 | 43.7 | 17.1 | M10 | 0.72 | |
| PunN202-10 | 5/8 | 30.2 | 127 | 95 | 38 | 13 | 19 | 14 | 61 | 43.7 | 17.1 | M10 | 0.72 | |
| PAN203 | 17 | 30.2 | 127 | 95 | 38 | 13 | 19 | 14 | 61 | 43.7 | 17.1 | M10 | 0.72 | |
| PAN203-11 | 16/11 | 30.2 | 127 | 95 | 38 | 13 | 19 | 14 | 61 | 43.7 | 17.1 | M10 | 0.72 | |
| PAN204 | 20 | 33.3 | 127 | 95 | 38 | 13 | 19 | 14 | 64 | 43.7 | 17.1 | M10 | 0.72 | |
| PAN204-12 | 3/4 | 33.3 | 127 | 95 | 38 | 13 | 19 | 14 | 64 | 43.7 | 17.1 | M10 | 0.72 | |
| siesta205 | 25 | 36.5 | 140 | 105 | 38 | 13 | 19 | 15 | 71 | 44.4 | 17.5 | M10 | 0.8 | |
| siesta205-14 | 7/8 | 36.5 | 140 | 105 | 38 | 13 | 19 | 15 | 71 | 44.4 | 17.5 | M10 | 0.8 | |
| siesta205-15 | 15/16 | 36.5 | 140 | 105 | 38 | 13 | 19 | 15 | 71 | 44.4 | 17.5 | M10 | 0.8 | |
| siesta205-16 | 1 | 36.5 | 140 | 105 | 38 | 13 | 19 | 15 | 71 | 44.4 | 17.5 | M10 | 0.8 | |
| PAN206 | 1-1/16 | 30 | 42.9 | 160 | 121 | 44 | 17 | 21 | 6 | 82 | 48.4 | 18.3 | M14 | 1.35 |
| PAN206-18 | 1-1/8 | 42.9 | 160 | 121 | 44 | 17 | 21 | 6 | 82 | 48.4 | 18.3 | M14 | 1.35 | |
| PAN206-19 | 1-3/16 | 42.9 | 160 | 121 | 44 | 17 | 21 | 6 | 82 | 48.4 | 18.3 | M14 | 1.35 | |
| PAN206-20 | 1-1/4 | 42.9 | 160 | 121 | 44 | 17 | 21 | 6 | 82 | 48.4 | 18.3 | M14 | 1.35 | |
| PAN207 | 35 | 47.6 | 167 | 126 | 44 | 17 | 21 | 6 | 82 | 51.1 | 18.8 | M14 | 1.7 | |
| PAN207-20 | 1-1/4 | 47.6 | 167 | 126 | 48 | 17 | 21 | 17 | 92 | 51.1 | 18.8 | M14 | 1.7 | |
| PAN207-21 | 1-5/16 | 47.6 | 167 | 126 | 48 | 17 | 21 | 17 | 92 | 51.1 | 18.8 | M14 | 1.7 | |
| PAN207-22 | 1-3/8 | 47.6 | 167 | 126 | 48 | 17 | 21 | 17 | 92 | 51.1 | 18.8 | M14 | 1.7 | |
| PAN207-23 | 1-7/16 | 47.6 | 167 | 126 | 48 | 17 | 21 | 17 | 92 | 51.1 | 18.8 | M14 | 1.7 | |
| PAN208 | 40 | 49.2 | 180 | 137 | 52 | 17 | 21 | 18 | 99 | 56.3 | 21.4 | M14 | 2 | |
| PAN208-24 | 1-1/2 | 49.2 | 180 | 137 | 52 | 17 | 21 | 18 | 99 | 56.3 | 21.4 | M14 | 2 | |
| PAN208-25 | 1-9/16 | 49.2 | 180 | 137 | 52 | 17 | 21 | 18 | 99 | 56.3 | 21.4 | M14 | 2 | |
| PAN209 | 45 | 54 | 190 | 146 | 54 | 17 | 21 | 20 | 106 | 56.3 | 21.4 | M14 | 2.42 | |
| PAN209-26 | 1-5/8 | 54 | 190 | 146 | 54 | 17 | 21 | 20 | 106 | 56.3 | 21.4 | M14 | 2.42 | |
| PAN209-27 | 1-16/11 | 54 | 190 | 146 | 54 | 17 | 21 | 20 | 106 | 56.3 | 21.4 | M14 | 2.42 | |
| PAN209-28 | 1-3/4 | 54 | 190 | 146 | 54 | 17 | 21 | 20 | 106 | 56.3 | 21.4 | M14 | 2.42 | |
| siesta210 | 50 | 57.2 | 206 | 159 | 60 | 20 | 25 | 21 | 114 | 62.7 | 24.6 | M16 | 2.75 | |
| siesta210-30 | 1-7/8 | 57.2 | 206 | 159 | 60 | 20 | 25 | 21 | 114 | 62.7 | 24.6 | M16 | 2.75 | |
| siesta210-31 | 1-15/16 | 57.2 | 206 | 159 | 60 | 20 | 25 | 21 | 114 | 62.7 | 24.6 | M16 | 2.75 | |
| siesta210-32 | 2 | 57.2 | 206 | 159 | 60 | 20 | 25 | 21 | 114 | 62.7 | 24.6 | M16 | 2.75 | |
| siesta211 | 55 | 63.5 | 217 | 172 | 60 | 20 | 25 | 23 | 125 | 71.4 | 27.8 | M16 | 3.56 | |
| siesta211-32 | 2 | 63.5 | 217 | 172 | 60 | 20 | 25 | 23 | 125 | 71.4 | 27.8 | M16 | 3.56 | |
| siesta211-34 | 2-1/8 | 63.5 | 217 | 172 | 60 | 20 | 25 | 23 | 125 | 71.4 | 27.8 | M16 | 3.56 | |
| siesta211-35 | 2-3/16 | 63.5 | 217 | 172 | 60 | 20 | 25 | 23 | 125 | 71.4 | 27.8 | M16 | 3.56 | |
| siesta212 | 60 | 69.9 | 238 | 186 | 70 | 20 | 25 | 24 | 137 | 77.8 | 31 | M16 | 5.2 | |
| siesta212-36 | 2-1/4 | 69.9 | 238 | 186 | 70 | 20 | 25 | 24 | 137 | 77.8 | 31 | M16 | 5.2 | |
| siesta212-38 | 2-3/8 | 69.9 | 238 | 186 | 70 | 20 | 25 | 24 | 137 | 77.8 | 31 | M16 | 5.2 | |
| siesta212-39 | 2-7/16 | 69.9 | 238 | 186 | 70 | 20 | 25 | 24 | 137 | 77.8 | 31 | M16 | 5.2 | |
| siesta213 | 65 | 76.2 | 262 | 203 | 70 | 25 | 30 | 26 | 149 | 85.7 | 34.3 | M20 | 6.3 | |
| siesta213-40 | 2-1/2 | 76.2 | 262 | 203 | 70 | 25 | 30 | 26 | 149 | 85.7 | 34.3 | M20 | 6.3 | |
| siesta214 | 70 | 79.4 | 266 | 210 | 72 | 25 | 30 | 27 | 155 | 85.7 | 34.3 | M20 | 7 | |
| siesta214-44 | 2-3/4 | 79.4 | 266 | 210 | 72 | 25 | 30 | 27 | 155 | 85.7 | 34.3 | M20 | 7 | |
| siesta215 | 75 | 82.6 | 274 | 217 | 74 | 25 | 30 | 28 | 162 | 92.1 | 37.3 | M20 | 7.8 | |
| siesta215-47 | 2-15/16 | 82.6 | 274 | 217 | 74 | 25 | 30 | 28 | 162 | 92.1 | 37.3 | M20 | 7.8 | |
| siesta215-48 | 3 | 82.6 | 274 | 217 | 74 | 25 | 30 | 28 | 162 | 92.1 | 37.3 | M20 | 7.8 | |

| Número de unidad | Diámetro reel eje | Dimensiones (mm) | Tamaño del pernoe (mm) |
Peso (kg) |
||||||||||
| d | H | L | J | A | N | N1 | H1 | Ho | B1 | S | ||||
| (in) | (mm) | |||||||||||||
| UEP204 | 20 | 33.3 | 127 | 95 | 38 | 13 | 19 | 14 | 64 | 33 | 12.7 | M10 | 0.68 | |
| UEP204-12 | 3/4 | 33.3 | 127 | 95 | 38 | 13 | 19 | 14 | 64 | 33 | 12.7 | M10 | 0.68 | |
| UEP205 | 25 | 36.5 | 140 | 105 | 38 | 13 | 19 | 15 | 71 | 35.4 | 14.3 | M10 | 0.86 | |
| UEP205-14 | 7/8 | 36.5 | 140 | 105 | 38 | 13 | 19 | 15 | 71 | 35.4 | 14.3 | M10 | 0.86 | |
| UEP205-15 | 15/16 | 36.5 | 140 | 105 | 38 | 13 | 19 | 15 | 71 | 35.4 | 14.3 | M10 | 0.86 | |
| UEP205-16 | 1 | 36.5 | 140 | 105 | 38 | 13 | 19 | 15 | 71 | 35.4 | 14.3 | M10 | 0.86 | |
| UEP206 | 30 | 42.9 | 160 | 121 | 44 | 17 | 21 | 16 | 82 | 39.8 | 15.9 | M14 | 1.2 | |
| UEP206-17 | 1-1/16 | 42.9 | 160 | 121 | 44 | 17 | 21 | 16 | 82 | 39.8 | 15.9 | M14 | 1.2 | |
| UEP206-18 | 1-1/8 | 42.9 | 160 | 121 | 44 | 17 | 21 | 16 | 82 | 39.8 | 15.9 | M14 | 1.2 | |
| UEP206-19 | 1-3/16 | 42.9 | 160 | 121 | 44 | 17 | 21 | 16 | 82 | 39.8 | 15.9 | M14 | 1.2 | |
| UEP206-20 | 1-1/4 | 42.9 | 160 | 121 | 44 | 17 | 21 | 16 | 82 | 39.8 | 15.9 | M14 | 1.2 | |
| UEP207 | 35 | 47.6 | 167 | 126 | 48 | 17 | 21 | 17 | 92 | 43.9 | 17.5 | M14 | 1.6 | |
| UEP207-20 | 1-1/4 | 47.6 | 167 | 126 | 48 | 17 | 21 | 17 | 92 | 43.9 | 17.5 | M14 | 1.6 | |
| UEP207-21 | 1-5/16 | 47.6 | 167 | 126 | 48 | 17 | 21 | 17 | 92 | 43.9 | 17.5 | M14 | 1.6 | |
| UEP207-22 | 1-3/8 | 47.6 | 167 | 126 | 48 | 17 | 21 | 17 | 92 | 43.9 | 17.5 | M14 | 1.6 | |
| UEP207-23 | 1-7/16 | 47.6 | 167 | 126 | 48 | 17 | 21 | 17 | 92 | 43.9 | 17.5 | M14 | 1.6 | |
| UEP208 | 40 | 49.2 | 180 | 137 | 52 | 17 | 21 | 18 | 99 | 50.2 | 19 | M14 | 2 | |
| UEP208-24 | 1-1/2 | 49.2 | 180 | 137 | 52 | 17 | 21 | 18 | 99 | 50.2 | 19 | M14 | 2 | |
| UEP208-25 | 1-9/16 | 49.2 | 180 | 137 | 52 | 17 | 21 | 18 | 99 | 50.2 | 19 | M14 | 2 | |
| UEP209 | 45 | 54 | 190 | 146 | 54 | 17 | 21 | 20 | 106 | 50.2 | 19 | M14 | 2.32 | |
| UEP209-26 | 1-5/8 | 54 | 190 | 146 | 54 | 17 | 21 | 20 | 106 | 50.2 | 19 | M14 | 2.32 | |
| UEP209-27 | 1-16/11 | 54 | 190 | 146 | 54 | 17 | 21 | 20 | 106 | 50.2 | 19 | M14 | 2.32 | |
| UEP209-28 | 1-3/4 | 54 | 190 | 146 | 54 | 17 | 21 | 20 | 106 | 50.2 | 19 | M14 | 2.32 | |
| UEP210 | 50 | 57.2 | 206 | 159 | 60 | 20 | 25 | 21 | 114 | 52.6 | 19 | M16 | 2.91 | |
| UEP210-30 | 1-7/8 | 57.2 | 206 | 159 | 60 | 20 | 25 | 21 | 114 | 52.6 | 19 | M16 | 2.91 | |
| UEP210-31 | 1-15/16 | 57.2 | 206 | 159 | 60 | 20 | 25 | 21 | 114 | 52.6 | 19 | M16 | 2.91 | |
| UEP210-32 | 2 | 57.2 | 206 | 159 | 60 | 20 | 25 | 21 | 114 | 52.6 | 19 | M16 | 2.91 | |
| UEP211 | 55 | 63.5 | 217 | 172 | 60 | 20 | 25 | 23 | 125 | 56.6 | 22.2 | M16 | 3.65 | |
| UEP211-32 | 2 | 63.5 | 217 | 172 | 60 | 20 | 25 | 23 | 125 | 56.6 | 22.2 | M16 | 3.65 | |
| UEP211-34 | 2-1/8 | 63.5 | 217 | 172 | 60 | 20 | 25 | 23 | 125 | 56.6 | 22.2 | M16 | 3.65 | |
| UEP211-35 | 2-3/16 | 63.5 | 217 | 172 | 60 | 20 | 25 | 23 | 125 | 56.6 | 22.2 | M16 | 3.65 | |
| UEP212 | 60 | 69.9 | 238 | 186 | 70 | 20 | 25 | 24 | 137 | 66.6 | 25.4 | M16 | 4.87 | |
| UEP212-36 | 2-1/4 | 69.9 | 238 | 186 | 70 | 20 | 25 | 24 | 137 | 66.6 | 25.4 | M16 | 4.87 | |
| UEP212-38 | 2-3/8 | 69.9 | 238 | 186 | 70 | 20 | 25 | 24 | 137 | 66.6 | 25.4 | M16 | 4.87 | |
| UEP212-39 | 2-7/16 | 69.9 | 238 | 186 | 70 | 20 | 25 | 24 | 137 | 66.6 | 25.4 | M16 | 4.87 | |


| Número de unidad | Diámetro reel eje | Dimensiones (mm) | Tamaño del pernoe (mm) |
Peso (kg) |
||||||||||
| d | H | L | J | A | N | N1 | H1 | Ho | B3 | S1 | ||||
| (in) | (mm) | |||||||||||||
| UKP205 H2305 | 20 | 36.5 | 140 | 105 | 38 | 13 | 19 | 15 | 71 | 35 | 18.5 | M10 | 0.83 | |
| UKP205 HE2305 | 3/4 | 36.5 | 140 | 105 | 38 | 13 | 19 | 15 | 71 | 35 | 18.5 | M10 | 0.83 | |
| UKP206 H2306 | 25 | 42.9 | 160 | 121 | 44 | 17 | 21 | 6 | 82 | 38 | 20.5 | M14 | 1.3 | |
| UKP206 HS2306 | 7/8 | 42.9 | 160 | 121 | 44 | 17 | 21 | 6 | 82 | 38 | 20.5 | M14 | 1.3 | |
| UKP206 HA2306 | 15/16 | 42.9 | 160 | 121 | 44 | 17 | 21 | 6 | 82 | 38 | 20.5 | M14 | 1.3 | |
| UKP206 HE2306 | 1 | 42.9 | 160 | 121 | 44 | 17 | 21 | 6 | 82 | 38 | 20.5 | M14 | 1.3 | |
| UKP207 H2307 | 30 | 47.6 | 167 | 126 | 48 | 17 | 21 | 17 | 92 | 43 | 22.5 | M14 | 1.5 | |
| UKP207 HE2307 | 1-1/8 | 47.6 | 167 | 126 | 48 | 17 | 21 | 17 | 92 | 43 | 22.5 | M14 | 1.5 | |
| UKP207 HS2307 | 1-3/16 | 47.6 | 167 | 126 | 48 | 17 | 21 | 17 | 92 | 43 | 22.5 | M14 | 1.5 | |
| UKP208 H2308 | 35 | 49.2 | 180 | 137 | 53 | 17 | 21 | 18 | 99 | 46 | 24.5 | M14 | 2 | |
| UKP208 HE2308 | 1-1/4 | 49.2 | 180 | 137 | 53 | 17 | 21 | 18 | 99 | 46 | 24.5 | M14 | 2 | |
| UKP208 HS2308 | 1-3/8 | 49.2 | 180 | 137 | 53 | 17 | 21 | 18 | 99 | 46 | 24.5 | M14 | 2 | |
| UKP209 H2309 | 40 | 54 | 190 | 146 | 54 | 17 | 21 | 20 | 106 | 50 | 26 | M14 | 2.3 | |
| UKP209 HA2309 | 1-7/16 | 54 | 190 | 146 | 54 | 17 | 21 | 20 | 106 | 50 | 26 | M14 | 2.3 | |
| UKP209 HE2309 | 1-1/2 | 54 | 190 | 146 | 54 | 17 | 21 | 20 | 106 | 50 | 26 | M14 | 2.3 | |
| UKP210 H2310 | 45 | 57.2 | 206 | 159 | 60 | 20 | 25 | 21 | 114 | 55 | 27.5 | M16 | 3 | |
| UKP210 HS2310 | 1-5/8 | 57.2 | 206 | 159 | 60 | 20 | 25 | 21 | 114 | 55 | 27.5 | M16 | 3 | |
| UKP210 HA2310 | 1-16/11 | 57.2 | 206 | 159 | 60 | 20 | 25 | 21 | 114 | 55 | 27.5 | M16 | 3 | |
| UKP210 HE2310 | 1-3/4 | 57.2 | 206 | 159 | 60 | 20 | 25 | 21 | 114 | 55 | 27.5 | M16 | 3 | |
| UKP211 H2311 | 50 | 63.5 | 217 | 172 | 60 | 20 | 25 | 23 | 125 | 59 | 28.5 | M16 | 3.5 | |
| UKP211 HS2311 | 1-7/8 | 63.5 | 217 | 172 | 60 | 20 | 25 | 23 | 125 | 59 | 28.5 | M16 | 3.5 | |
| UKP211 HA2311 | 1-15/16 | 63.5 | 217 | 172 | 60 | 20 | 25 | 23 | 125 | 59 | 28.5 | M16 | 3.5 | |
| UKP211 HE2311 | 2 | 63.5 | 217 | 172 | 60 | 20 | 25 | 23 | 125 | 59 | 28.5 | M16 | 3.5 | |
| UKP212 H2312 | 55 | 69.9 | 238 | 186 | 70 | 20 | 25 | 25 | 137 | 62 | 31 | M16 | 4.7 | |
| UKP212 HS2312 | 2-1/8 | 69.9 | 238 | 186 | 70 | 20 | 25 | 25 | 137 | 62 | 31 | M16 | 4.7 | |
| UKP213 H2313 | 60 | 76.2 | 262 | 203 | 70 | 25 | 30 | 26 | 149 | 65 | 32 | M20 | 5.9 | |
| UKP213 HA2313 | 2-3/16 | 76.2 | 262 | 203 | 70 | 25 | 30 | 26 | 149 | 65 | 32 | M20 | 5.9 | |
| UKP213 HE2313 | 2-1/4 | 76.2 | 262 | 203 | 70 | 25 | 30 | 26 | 149 | 65 | 32 | M20 | 5.9 | |
| UKP213 HS2313 | 2-3/8 | 76.2 | 262 | 203 | 70 | 25 | 30 | 26 | 149 | 65 | 32 | M20 | 5.9 | |
| UKP215 H2315 | 65 | 82.6 | 274 | 217 | 74 | 25 | 30 | 28 | 162 | 73 | 35.5 | M20 | 7.6 | |
| UKP215 HA2315 | 2-7/16 | 82.6 | 274 | 217 | 74 | 25 | 30 | 28 | 162 | 73 | 35.5 | M20 | 7.6 | |
| UKP215 HE2315 | 2-1/2 | 82.6 | 274 | 217 | 74 | 25 | 30 | 28 | 162 | 73 | 35.5 | M20 | 7.6 | |
| UKP216 H2316 | 70 | 88.9 | 292 | 232 | 78 | 25 | 30 | 30 | 174 | 78 | 39 | M20 | 9.2 | |
| UKP216 HA2316 | 2-11/16 | 88.9 | 292 | 232 | 78 | 25 | 30 | 30 | 174 | 78 | 39 | M20 | 9.2 | |
| UKP216 HE2316 | 2-3/4 | 88.9 | 292 | 232 | 78 | 25 | 30 | 30 | 174 | 78 | 39 | M20 | 9.2 | |
| UKP217 H2317 | 75 | 95.2 | 310 | 247 | 83 | 25 | 28 | 32 | 186 | 82 | 40 | M20 | 10.93 | |
| UKP218 H2318 | 80 | 101.6 | 326 | 262 | 88 | 27 | 30 | 33 | 198 | 86 | 42 | M22 | 12.65 | |

| Número de unidad | Diámetro reel eje | Dimensiones (mm) | Tamaño del pernoe | Peso | ||||||||||
| d | H | L | J | A | N | N1 | H1 | Ho | B | S | (mm) | (kg) | ||
| (in) | (mm) | |||||||||||||
| UCPX05 | 25 | 44.4 | 159 | 119 | 51 | 17 | 20 | 18 | 85 | 38.1 | 15.9 | M14 | 1.5 | |
| UCPX05-13 | 13/16 | 44.4 | 159 | 119 | 51 | 17 | 20 | 18 | 85 | 38.1 | 15.9 | M14 | 1.5 | |
| UCPX05-14 | 7/8 | 44.4 | 159 | 119 | 51 | 17 | 20 | 18 | 85 | 38.1 | 15.9 | M14 | 1.5 | |
| UCPX05-15 | 15/16 | 44.4 | 159 | 119 | 51 | 17 | 20 | 18 | 85 | 38.1 | 15.9 | M14 | 1.5 | |
| UCPX05-16 | 1 | 44.4 | 159 | 119 | 51 | 17 | 20 | 18 | 85 | 38.1 | 15.9 | M14 | 1.5 | |
| UCPX06 | 30 | 47.6 | 175 | 127 | 57 | 17 | 20 | 20 | 93 | 42.9 | 17.5 | M14 | 2.1 | |
| UCPX06-17 | 1-1/16 | 47.6 | 175 | 127 | 57 | 17 | 20 | 20 | 93 | 42.9 | 17.5 | M14 | 2.1 | |
| UCPX06-18 | 1-1/8 | 47.6 | 175 | 127 | 57 | 17 | 20 | 20 | 93 | 42.9 | 17.5 | M14 | 2.1 | |
| UCPX06-19 | 1-3/16 | 47.6 | 175 | 127 | 57 | 17 | 20 | 20 | 93 | 42.9 | 17.5 | M14 | 2.1 | |
| UCPX06-20 | 1-1/4 | 47.6 | 175 | 127 | 57 | 17 | 20 | 20 | 93 | 42.9 | 17.5 | M14 | 2.1 | |
| UCPX07 | 35 | 54 | 203 | 144 | 57 | 17 | 20 | 21 | 105 | 49.2 | 19 | M14 | 2.7 | |
| UCPX07-21 | 1-5/16 | 54 | 203 | 144 | 57 | 17 | 20 | 21 | 105 | 49.2 | 19 | M14 | 2.7 | |
| UCPX07-22 | 1-3/8 | 54 | 203 | 144 | 57 | 17 | 20 | 21 | 105 | 49.2 | 19 | M14 | 2.7 | |
| UCPX07-23 | 1-7/16 | 54 | 203 | 144 | 57 | 17 | 20 | 21 | 105 | 49.2 | 19 | M14 | 2.7 | |
| UCPX08 | 40 | 58.7 | 222 | 156 | 67 | 20 | 23 | 26 | 112 | 49.2 | 19 | M16 | 3.3 | |
| UCPX08-24 | 1-1/2 | 58.7 | 222 | 156 | 67 | 20 | 23 | 26 | 112 | 49.2 | 19 | M16 | 3.3 | |
| UCPX08-25 | 1-9/16 | 58.7 | 222 | 156 | 67 | 20 | 23 | 26 | 112 | 49.2 | 19 | M16 | 3.3 | |
| UCPX09 | 45 | 58.7 | 222 | 156 | 67 | 20 | 23 | 26 | 116 | 51.6 | 19 | M16 | 3.3 | |
| UCPX09-26 | 1-5/8 | 58.7 | 222 | 156 | 67 | 20 | 23 | 26 | 116 | 51.6 | 19 | M16 | 3.3 | |
| UCPX09-27 | 1-16/11 | 58.7 | 222 | 156 | 67 | 20 | 23 | 26 | 116 | 51.6 | 19 | M16 | 3.3 | |
| UCPX09-28 | 1-3/4 | 58.7 | 222 | 156 | 67 | 20 | 23 | 26 | 116 | 51.6 | 19 | M16 | 3.3 | |
| UCPX09-29 | 1-13/16 | 58.7 | 222 | 156 | 67 | 20 | 23 | 26 | 116 | 51.6 | 19 | M16 | 3.3 | |
| UCPX10 | 50 | 63.5 | 240 | 171 | 73 | 20 | 23 | 27 | 126 | 55.6 | 22.2 | M16 | 4.3 | |
| UCPX10-30 | 1-7/8 | 63.5 | 240 | 171 | 73 | 20 | 23 | 27 | 126 | 55.6 | 22.2 | M16 | 4.3 | |
| UCPX10-31 | 1-15/16 | 63.5 | 240 | 171 | 73 | 20 | 23 | 27 | 126 | 55.6 | 22.2 | M16 | 4.3 | |
| UCPX10-32 | 2 | 63.5 | 240 | 171 | 73 | 20 | 23 | 27 | 126 | 55.6 | 22.2 | M16 | 4.3 | |
| UCPX11 | 55 | 69.8 | 260 | 184 | 79 | 25 | 28 | 30 | 137 | 65.1 | 25.4 | M20 | 5.7 | |
| UCPX11-33 | 2-1/16 | 69.8 | 260 | 184 | 79 | 25 | 28 | 30 | 137 | 65.1 | 25.4 | M20 | 5.7 | |
| UCPX11-34 | 2-1/8 | 69.8 | 260 | 184 | 79 | 25 | 28 | 30 | 137 | 65.1 | 25.4 | M20 | 5.7 | |
| UCPX11-35 | 2-3/16 | 69.8 | 260 | 184 | 79 | 25 | 28 | 30 | 137 | 65.1 | 25.4 | M20 | 5.7 | |
| UCPX11-36 | 2-1/4 | 69.8 | 260 | 184 | 79 | 25 | 28 | 30 | 137 | 65.1 | 25.4 | M20 | 5.7 | |
| UCPX11-37 | 2-5/16 | 69.8 | 260 | 184 | 79 | 25 | 28 | 30 | 137 | 65.1 | 25.4 | M20 | 5.7 | |
| UCPX12 | 60 | 76.2 | 286 | 203 | 83 | 25 | 28 | 34 | 151 | 65.1 | 25.4 | M20 | 7.3 | |
| UCPX12-38 | 2-3/8 | 76.2 | 286 | 203 | 83 | 25 | 28 | 34 | 151 | 65.1 | 25.4 | M20 | 7.3 | |
| UCPX12-39 | 2-7/16 | 76.2 | 286 | 203 | 83 | 25 | 28 | 34 | 151 | 65.1 | 25.4 | M20 | 7.3 | |
| UCPX13 | 65 | 76.2 | 286 | 203 | 83 | 25 | 28 | 34 | 154 | 74.6 | 30.2 | M20 | 7.6 | |
| UCPX13-40 | 2-1/2 | 76.2 | 286 | 203 | 83 | 25 | 28 | 34 | 154 | 74.6 | 30.2 | M20 | 7.6 | |
| UCPX13-41 | 2-9/16 | 76.2 | 286 | 203 | 83 | 25 | 28 | 34 | 154 | 74.6 | 30.2 | M20 | 7.6 | |
| UCPX14 | 70 | 88.9 | 330 | 229 | 89 | 27 | 30 | 34 | 170 | 77.8 | 33.3 | M22 | 9.9 | |
| UCPX14-42 | 2-5/8 | 88.9 | 330 | 229 | 89 | 27 | 30 | 34 | 170 | 77.8 | 33.3 | M22 | 9.9 | |
| UCPX14-43 | 2-11/16 | 88.9 | 330 | 229 | 89 | 27 | 30 | 34 | 170 | 77.8 | 33.3 | M22 | 9.9 | |
| UCPX14-44 | 2-3/4 | 88.9 | 330 | 229 | 89 | 27 | 30 | 34 | 170 | 77.8 | 33.3 | M22 | 9.9 | |
| UCPX15 | 75 | 88.9 | 330 | 229 | 89 | 27 | 30 | 35 | 175 | 82.6 | 33.3 | M22 | 11 | |
| UCPX15-45 | 2-13/16 | 88.9 | 330 | 229 | 89 | 27 | 30 | 35 | 175 | 82.6 | 33.3 | M22 | 11 | |
| UCPX15-46 | 2-7/8 | 88.9 | 330 | 229 | 89 | 27 | 30 | 35 | 175 | 82.6 | 33.3 | M22 | 11 | |
| UCPX15-47 | 2-15/16 | 88.9 | 330 | 229 | 89 | 27 | 30 | 35 | 175 | 82.6 | 33.3 | M22 | 11 | |
| UCPX15-48 | 3 | 88.9 | 330 | 229 | 89 | 27 | 30 | 35 | 175 | 82.6 | 33.3 | M22 | 11 | |
| UCPX16 | 80 | 101.6 | 380 | 283 | 102 | 27 | 30 | 40 | 194 | 85.7 | 34.1 | M22 | 15 | |
| UCPX16-49 | 3-1/16 | 101.6 | 380 | 283 | 102 | 27 | 30 | 40 | 194 | 85.7 | 34.1 | M22 | 15 | |
| UCPX16-50 | 3-1/8 | 101.6 | 380 | 283 | 102 | 27 | 30 | 40 | 194 | 85.7 | 34.1 | M22 | 15 | |
| UCPX16-51 | 3-3/16 | 101.6 | 380 | 283 | 102 | 27 | 30 | 40 | 194 | 85.7 | 34.1 | M22 | 15 | |
| UCPX16-52 | 3-1/4 | 101.6 | 380 | 283 | 102 | 27 | 30 | 40 | 194 | 85.7 | 34.1 | M22 | 15 | |
| UCPX17 | 85 | 101.6 | 384 | 283 | 102 | 27 | 30 | 40 | 202 | 96 | 39.7 | M22 | 16 | |
| UCPX17-53 | 3-5/16 | 101.6 | 384 | 283 | 102 | 27 | 30 | 40 | 202 | 96 | 39.7 | M22 | 16 | |
| UCPX17-55 | 3-7/16 | 101.6 | 384 | 283 | 102 | 27 | 30 | 40 | 202 | 96 | 39.7 | M22 | 16 | |
| UCPX18 | 90 | 101.6 | 384 | 283 | 106 | 27 | 30 | 40 | 206 | 104 | 42.9 | M22 | 19 | |
| UCPX20 | 100 | 127 | 432 | 337 | 120 | 33 | 36 | 45 | 244 | 117.5 | 49.2 | M30 | 24.9 | |

| Número de unidad | Eje d | Dimensiones (mm) | bolt size (mm) | Peso (kg) | |||||||||
| (mm) | H | L | J | A | N | N1 | H1 | Ho | B | s | |||
| UCP305 | 25 | 45 | 175 | 132 | 45 | 17 | 20 | 16 | 85 | 38 | 15 | M14 | 1.4 |
| UCP306 | 30 | 50 | 180 | 140 | 50 | 17 | 20 | 18 | 95 | 43 | 17 | M14 | 1.8 |
| UCP307 | 35 | 56 | 210 | 160 | 56 | 17 | 25 | 20 | 106 | 48 | 19 | M14 | 2.8 |
| UCP308 | 40 | 60 | 220 | 170 | 60 | 17 | 25 | 24 | 116 | 52 | 19 | M14 | 3.08 |
| UCP309 | 45 | 67 | 245 | 190 | 67 | 20 | 30 | 25 | 129 | 57 | 22 | M16 | 4.1 |
| UCP310 | 50 | 75 | 275 | 212 | 75 | 20 | 35 | 27 | 143 | 61 | 22 | M16 | 6 |
| UCP311 | 55 | 80 | 310 | 236 | 80 | 20 | 38 | 30 | 154 | 66 | 25 | M16 | 7.4 |
| UCP312 | 60 | 85 | 330 | 250 | 85 | 25 | 38 | 32 | 165 | 71 | 26 | M20 | 9.4 |
| UCP313 | 65 | 90 | 335 | 260 | 90 | 25 | 38 | 33 | 176 | 75 | 30 | M20 | 10 |
| UCP314 | 70 | 95 | 360 | 280 | 90 | 27 | 40 | 35 | 187 | 78 | 33 | M22 | 12 |
| UCP315 | 75 | 100 | 380 | 290 | 100 | 27 | 40 | 35 | 198 | 82 | 32 | M22 | 14 |
| UCP316 | 80 | 106 | 400 | 300 | 110 | 27 | 40 | 40 | 210 | 86 | 34 | M22 | 18 |
| UCP317 | 85 | 112 | 420 | 320 | 110 | 33 | 45 | 40 | 220 | 96 | 40 | M27 | 20 |
| UCP318 | 90 | 118 | 430 | 330 | 110 | 33 | 45 | 45 | 235 | 96 | 40 | M27 | 24 |
| UCP319 | 95 | 125 | 470 | 360 | 120 | 36 | 50 | 46 | 250 | 103 | 41 | M30 | 26.5 |
| UCP320 | 100 | 140 | 490 | 380 | 120 | 36 | 50 | 50 | 275 | 108 | 42 | M30 | 34.3 |
| UCP321 | 105 | 140 | 490 | 380 | 120 | 36 | 50 | 50 | 280 | 112 | 44 | M30 | 36.6 |
| UCP322 | 110 | 150 | 520 | 400 | 140 | 40 | 55 | 55 | 300 | 117 | 46 | M33 | 42.5 |
| UCP324 | 120 | 160 | 570 | 450 | 140 | 40 | 55 | 65 | 320 | 126 | 51 | M33 | 53.5 |
| UCP326 | 130 | 180 | 600 | 480 | 140 | 40 | 55 | 75 | 355 | 135 | 54 | M33 | 72.1 |
| UCP328 | 140 | 200 | 620 | 500 | 140 | 40 | 55 | 75 | 390 | 145 | 59 | M33 | 89.1 |
0+
años
Experiencia en la industria
0+
Diversidad de modelos
0+
Número de empleados
0
$
Valor anual de las exportaciones
Horario de la exposición: 8-11 de julio de 2024 Lugar de la exposición: Ekaterimburgo, Rusia Número de stand: IS37 Ciclo de exposición: Una vez al añoOrganizador: Ministerio de Industria y...
La aplicación de rodamientos en la industria metalúrgica incluye principalmente las siguientes áreas: 1. Maquinaria de laminación: La maquinaria de laminación en la industria metalúrgica es un e...
El motor es el núcleo del funcionamiento de los equipos industriales y el rodamiento es el componente mecánico clave del motor. El rodamiento soporta todas las cargas y tensiones que se...
Asimismo, es una plataforma esencial para fomentar la cooperación integral, profesional e internacional en sectores como herramientas mecánicas, automoción, maquinaria agrícola, maquinaria de ingenier...