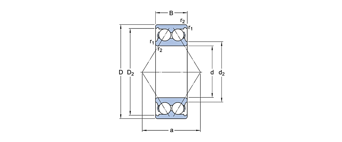
Rodamientos de bolas de contacto angular de dos hileras (DRACBB) El diseño del rodamiento de bolas de contacto angular de dos hileras (DRACBB) es fundamentalmente el mismo que el de dos rodamientos de bolas de contacto angular de una hilera, pero ocupa significativamente menos espacio axial. El DRACBB puede soportar cargas radiales y cargas axiales que actúan en ambas direcciones. Es capaz de restringir el desplazamiento axial bidireccional del eje o carcasa. Con un ángulo de contacto típico de 30°, proporciona una disposición de rodamientos muy rígida y puede soportar momentos de vuelco.
Características del rodamiento
·Espacio Axial Compacto: Requiere un espacio axial mínimo.
·Solución que ahorra espacio: Adecuado para aplicaciones donde el espacio axial es limitado, reemplazando a menudo dos rodamientos de bolas de contacto angular de una hilera montados en una disposición espalda con espalda.
·Capacidad de carga combinada: Acomoda cargas radiales y cargas axiales en ambas direcciones.
·Capacidad de carga de momento: Puede soportar momentos de vuelco.
·Disposición de rodamientos rígidos: Proporciona una alta rigidez al sistema.
Ventajas clave
·Alta Rigidez y Capacidad de Carga: Ofrece una rigidez significativamente mayor en comparación con una configuración de rodamiento de bolas de contacto angular de una hilera.
·Capacidad de carga triple: Capaz de soportar simultáneamente cargas radiales, cargas axiales bidireccionales y momentos de vuelco.
·Ideal para alta rigidez: Muy adecuado para aplicaciones que exigen alta rigidez.
Campos de Aplicación (Aplicaciones)
·Ampliamente utilizado en cubos de ruedas delanteras de automóviles.
·Bombas de aceite, sopladores Roots, compresores de aire.
·Varios tipos de transmisiones/cajas de cambios.
·Husillos de máquinas herramienta.

| Dimensiones básicas | Clasificación de carga básica | Clasificaciones de velocidad | misa | Modelo | ||||
| Dinámico | Estático | Velocidad de referencia | Velocidad límite | Rodamiento No. | ||||
| d [mm] | D [mm] | B [mm] | C [kN] | C0 [kN] | [r/min] | [r/min] | [kg] | |
| 10 | 30 | 14 | 6.849 | 3.87 | 23400 | 21600 | 0.051 | 3200 A-2ZTN9/MT33 Rodamiento |
| 10 | 30 | 14 | 6.849 | 3.87 | 23400 | 21600 | 0.051 | Rodamiento 3200 ATN9 |
| 10 | 30 | 14 | 6.849 | 3.87 | 15300 | 0.051 | 3200 A-2RS1TN9/MT33 Rodamiento | |
| 12 | 32 | 15.9 | 9.09 | 5.04 | 21600 | 19800 | 0.058 | 3201 A-2ZTN9/MT33 Rodamiento |
| 12 | 32 | 15.9 | 9.09 | 5.04 | 21600 | 19800 | 0.058 | 3201 ATN9 Rodamiento |
| 12 | 32 | 15.9 | 9.09 | 5.04 | 13500 | 0.058 | 3201 A-2RS1TN9/MT33 Rodamiento | |
| 15 | 35 | 15.9 | 10.08 | 6.12 | 19800 | 16200 | 0.066 | 3202 A-2ZTN9/MT33 Rodamiento |
| 15 | 35 | 15.9 | 10.08 | 6.12 | 19800 | 16200 | 0.066 | 3202 ATN9 Rodamiento |
| 15 | 35 | 15.9 | 10.08 | 6.12 | 12600 | 0.066 | 3202 A-2RS1TN9/MT33 Rodamiento | |
| 15 | 42 | 19 | 13.59 | 8.37 | 16200 | 14400 | 0.13 | 3302 Rodamiento A-2Z |
| 15 | 42 | 19 | 13.59 | 8.37 | 16200 | 14400 | 0.13 | 3302 A-2ZTN9/MT33 Rodamiento |
| 15 | 42 | 19 | 13.59 | 8.37 | 16200 | 14400 | 0.13 | 3302 ATN9 Rodamiento |
| 15 | 42 | 19 | 13.59 | 8.37 | 10800 | 0.13 | 3302 A-2RS1 Rodamiento | |
| 15 | 42 | 19 | 13.59 | 8.37 | 10800 | 0.13 | 3302 A-2RS1TN9/MT33 Rodamiento | |
| 17 | 40 | 17.5 | 12.87 | 7.92 | 17100 | 14400 | 0.096 | 3203 A-2ZTN9/MT33 Rodamiento |
| 17 | 40 | 17.5 | 12.87 | 7.92 | 17100 | 14400 | 0.096 | 3203 ATN9 Rodamiento |
| 17 | 40 | 17.5 | 12.87 | 7.92 | 10800 | 0.096 | 3203 A-2RS1TN9/MT33 Rodamiento | |
| 17 | 47 | 22.2 | 19.44 | 11.43 | 15300 | 12600 | 0.18 | 3303 Rodamiento A-2Z |
| 17 | 47 | 22.2 | 19.44 | 11.43 | 15300 | 12600 | 0.18 | 3303 A-2ZTN9/MT33 Rodamiento |
| 17 | 47 | 22.2 | 19.44 | 11.43 | 15300 | 12600 | 0.18 | 3303 ATN9 Rodamiento |
| 17 | 47 | 22.2 | 19.44 | 11.43 | 9900 | 0.18 | 3303 A-2RS1 Rodamiento | |
| 17 | 47 | 22.2 | 19.44 | 11.43 | 9900 | 0.18 | 3303 A-2RS1TN9/MT33 Rodamiento | |
| 20 | 47 | 20.6 | 18.36 | 11.61 | 14400 | 12600 | 0.16 | 3204 Un rodamiento |
| 20 | 47 | 20.6 | 18.36 | 11.61 | 14400 | 12600 | 0.16 | 3204 Rodamiento A-2Z |
| 20 | 47 | 20.6 | 18.36 | 11.61 | 14400 | 12600 | 0.16 | 3204 A-2ZTN9/MT33 Rodamiento |
| 20 | 47 | 20.6 | 18.36 | 11.61 | 14400 | 12600 | 0.16 | 3204 ATN9 Rodamiento |
| 20 | 47 | 20.6 | 18.36 | 11.61 | 9000 | 0.16 | 3204 A-2RS1 Rodamiento | |
| 20 | 47 | 20.6 | 18.36 | 11.61 | 9000 | 0.16 | 3204 A-2RS1TN9/MT33 Rodamiento | |
| 20 | 52 | 22.2 | 22.05 | 14.04 | 11700 | 11700 | 0.22 | 3304 Un rodamiento |
| 20 | 52 | 22.2 | 22.05 | 14.04 | 11700 | 11700 | 0.22 | 3304 Rodamiento A-2Z |
| Dimensiones básicas | Clasificación de carga básica | Clasificaciones de velocidad | misa | Modelo | ||||
| Dinámico | Estático | Velocidad de referencia | Velocidad límite | Rodamiento No. | ||||
| d [mm] | D [mm] | B [mm] | C [kN] | C0 [kN] | [r/min] | [r/min] | [kg] | |
| 20 | 52 | 22.2 | 22.05 | 14.04 | 11700 | 11700 | 0.22 | 3304 A-2ZTN9/MT33 Rodamiento |
| 20 | 52 | 22.2 | 22.05 | 14.04 | 11700 | 11700 | 0.22 | 3304 ATN9 Rodamiento |
| 20 | 52 | 22.2 | 22.05 | 14.04 | 8100 | 0.22 | 3304 A-2RS1 Rodamiento | |
| 20 | 52 | 22.2 | 22.05 | 14.04 | 8100 | 0.22 | 3304 A-2RS1TN9/MT33 Rodamiento | |
| 25 | 52 | 20.6 | 19.8 | 13.77 | 10800 | 10800 | 0.18 | 3205 Un rodamiento |
| 25 | 52 | 20.6 | 19.8 | 13.77 | 10800 | 10800 | 0.18 | 3205 Rodamiento A-2Z |
| 25 | 52 | 20.6 | 19.8 | 13.77 | 10800 | 10800 | 0.18 | 3205 A-2ZTN9/MT33 Rodamiento |
| 25 | 52 | 20.6 | 19.8 | 13.77 | 7650 | 0.18 | 3205 A-2RS1 Rodamiento | |
| 25 | 52 | 20.6 | 19.8 | 13.77 | 7650 | 0.18 | 3205 A-2RS1TN9/MT33 Rodamiento | |
| 25 | 62 | 25.4 | 29.25 | 19.8 | 9900 | 9900 | 0.35 | 3305 Un rodamiento |
| 25 | 62 | 25.4 | 29.25 | 19.8 | 9900 | 9900 | 0.35 | 3305 Rodamiento A-2Z |
| 25 | 62 | 25.4 | 29.25 | 19.8 | 9900 | 9900 | 0.35 | 3305 A-2ZTN9/MT33 Rodamiento |
| 25 | 62 | 25.4 | 29.25 | 19.8 | 9900 | 9900 | 0.35 | 3305 ATN9 Rodamiento |
| 25 | 62 | 25.4 | 29.25 | 19.8 | 6750 | 0.35 | 3305 A-2RS1 Rodamiento | |
| 25 | 62 | 25.4 | 29.25 | 19.8 | 6750 | 0.35 | 3305 A-2RS1TN9/MT33 Rodamiento | |
| 30 | 62 | 23.8 | 27.45 | 19.8 | 9000 | 9000 | 0.29 | 3206 Un rodamiento |
| 30 | 62 | 23.8 | 27.45 | 19.8 | 9000 | 9000 | 0.29 | 3206 Rodamiento A-2Z |
| 30 | 62 | 23.8 | 27.45 | 19.8 | 9000 | 9000 | 0.29 | 3206 A-2ZTN9/MT33 Rodamiento |
| 30 | 62 | 23.8 | 27.45 | 19.8 | 9000 | 9000 | 0.29 | 3206 ATN9 Rodamiento |
| 30 | 62 | 23.8 | 27.45 | 19.8 | 6750 | 0.29 | 3206 A-2RS1 Rodamiento | |
| 30 | 62 | 23.8 | 27.45 | 19.8 | 6750 | 0.29 | 3206 A-2RS1TN9/MT33 Rodamiento | |
| 30 | 72 | 30.2 | 38.25 | 27 | 9000 | 8100 | 0.52 | 3306 Un rodamiento |
| 30 | 72 | 30.2 | 38.25 | 27 | 9000 | 8100 | 0.52 | 3306 Rodamiento A-2Z |
| 30 | 72 | 30.2 | 38.25 | 27 | 9000 | 8100 | 0.52 | 3306 A-2ZTN9/MT33 Rodamiento |
| 30 | 72 | 30.2 | 38.25 | 27 | 9000 | 8100 | 0.52 | 3306 ATN9 Rodamiento |
| 30 | 72 | 30.2 | 38.25 | 27 | 5670 | 0.52 | 3306 A-2RS1 Rodamiento | |
| 30 | 72 | 30.2 | 38.25 | 27 | 5670 | 0.52 | 3306 A-2RS1TN9/MT33 Rodamiento | |
| 35 | 72 | 27 | 36.45 | 27 | 8100 | 8100 | 0.44 | 3207 Un rodamiento |
| 35 | 72 | 27 | 36.45 | 27 | 8100 | 8100 | 0.44 | 3207 Rodamiento A-2Z |
| 35 | 72 | 27 | 36.45 | 27 | 8100 | 8100 | 0.44 | 3207 A-2ZTN9/MT33 Rodamiento |
| Dimensiones básicas | Clasificación de carga básica | Clasificaciones de velocidad | misa | Modelo | ||||
| Dinámico | Estático | Velocidad de referencia | Velocidad límite | Rodamiento No. | ||||
| d [mm] | D [mm] | B [mm] | C [kN] | C0 [kN] | [r/min] | [r/min] | [kg] | |
| 35 | 72 | 27 | 36.45 | 27 | 8100 | 8100 | 0.44 | 3207 ATN9 Rodamiento |
| 35 | 72 | 27 | 36.45 | 27 | 5670 | 0.44 | 3207 A-2RS1 Rodamiento | |
| 35 | 72 | 27 | 36.45 | 27 | 5670 | 0.44 | 3207 A-2RS1TN9/MT33 Rodamiento | |
| 35 | 80 | 34.9 | 47.43 | 37.35 | 8100 | 7200 | 0.74 | 3307 DJ1 Rodamiento |
| 35 | 80 | 34.9 | 48.6 | 34.2 | 7650 | 7650 | 0.74 | 3307 Un rodamiento |
| 35 | 80 | 34.9 | 48.6 | 34.2 | 7650 | 7650 | 0.74 | 3307 Rodamiento A-2Z |
| 35 | 80 | 34.9 | 48.6 | 34.2 | 7650 | 7650 | 0.74 | 3307 A-2ZTN9/MT33 Rodamiento |
| 35 | 80 | 34.9 | 48.6 | 34.2 | 7650 | 7650 | 0.74 | 3307 ATN9 Rodamiento |
| 35 | 80 | 34.9 | 48.6 | 34.2 | 5400 | 0.74 | 3307 A-2RS1 Rodamiento | |
| 35 | 80 | 34.9 | 48.6 | 34.2 | 5400 | 0.74 | 3307 A-2RS1TN9/MT33 Rodamiento | |
| 40 | 80 | 30.2 | 43.2 | 32.85 | 8100 | 7200 | 0.57 | 3208 Un rodamiento |
| 40 | 80 | 30.2 | 43.2 | 32.85 | 8100 | 7200 | 0.57 | 3208 Rodamiento A-2Z |
| 40 | 80 | 30.2 | 43.2 | 32.85 | 8100 | 7200 | 0.57 | 3208 A-2ZTN9/MT33 Rodamiento |
| 40 | 80 | 30.2 | 43.2 | 32.85 | 8100 | 7200 | 0.57 | 3208 ATN9 Rodamiento |
| 40 | 80 | 30.2 | 43.2 | 32.85 | 5040 | 0.57 | 3208 A-2RS1 Rodamiento | |
| 40 | 80 | 30.2 | 43.2 | 32.85 | 5040 | 0.57 | 3208 A-2RS1TN9/MT33 Rodamiento | |
| 40 | 90 | 36.5 | 44.46 | 37.35 | 7200 | 6300 | 0.93 | 3308 DNRCBM Rodamiento |
| 40 | 90 | 36.5 | 58.95 | 43.2 | 6750 | 6750 | 0.93 | 3308 Un rodamiento |
| 40 | 90 | 36.5 | 58.95 | 43.2 | 6750 | 6750 | 0.93 | 3308 Rodamiento A-2Z |
| 40 | 90 | 36.5 | 58.95 | 43.2 | 6750 | 6750 | 0.93 | 3308 A-2ZTN9/MT33 Rodamiento |
| 40 | 90 | 36.5 | 58.95 | 43.2 | 6750 | 6750 | 0.93 | 3308 ATN9 Rodamiento |
| 40 | 90 | 36.5 | 58.95 | 43.2 | 4500 | 0.93 | 3308 A-2RS1 Rodamiento | |
| 40 | 90 | 36.5 | 58.95 | 43.2 | 4500 | 0.93 | 3308 A-2RS1TN9/MT33 Rodamiento | |
| 40 | 90 | 36.5 | 62.01 | 51.3 | 7200 | 6300 | 0.93 | 3308 DMA Rodamiento |
| 40 | 90 | 36.5 | 62.01 | 51.3 | 7200 | 6300 | 0.93 | 3308 DTN9 Rodamiento |
| 45 | 85 | 30.2 | 46.8 | 37.35 | 6750 | 6750 | 0.63 | 3209 Un rodamiento |
| 45 | 85 | 30.2 | 46.8 | 37.35 | 6750 | 6750 | 0.63 | 3209 Rodamiento A-2Z |
| 45 | 85 | 30.2 | 46.8 | 37.35 | 6750 | 6750 | 0.63 | 3209 A-2ZTN9/MT33 Rodamiento |
| 45 | 85 | 30.2 | 46.8 | 37.35 | 6750 | 6750 | 0.63 | 3209 ATN9 Rodamiento |
| 45 | 85 | 30.2 | 46.8 | 37.35 | 4770 | 0.63 | 3209 A-2RS1 Rodamiento | |
| Dimensiones básicas | Clasificación de carga básica | Clasificaciones de velocidad | misa | Modelo | ||||
| Dinámico | Estático | Velocidad de referencia | Velocidad límite | Rodamiento No. | ||||
| d [mm] | D [mm] | B [mm] | C [kN] | C0 [kN] | [r/min] | [r/min] | [kg] | |
| 45 | 85 | 30.2 | 46.8 | 37.35 | 4770 | 0.63 | 3209 A-2RS1TN9/MT33 Rodamiento | |
| 45 | 100 | 39.7 | 55.62 | 46.8 | 6750 | 5670 | 1.25 | 3309 DNRCBM Rodamiento |
| 45 | 100 | 39.7 | 67.5 | 47.7 | 6750 | 6030 | 1.25 | 3309 Un rodamiento |
| 45 | 100 | 39.7 | 67.5 | 47.7 | 6750 | 6030 | 1.25 | 3309 Rodamiento A-2Z |
| 45 | 100 | 39.7 | 67.5 | 47.7 | 6750 | 6030 | 1.25 | 3309 ATN9 Rodamiento |
| 45 | 100 | 39.7 | 67.5 | 47.7 | 4320 | 1.25 | 3309 A-2RS1 Rodamiento | |
| 45 | 100 | 39.7 | 71.37 | 62.55 | 6750 | 5670 | 1.25 | 3309 DMA Rodamiento |
| 50 | 90 | 30.2 | 45.9 | 38.25 | 7200 | 6300 | 0.65 | 3210 Un rodamiento |
| 50 | 90 | 30.2 | 45.9 | 38.25 | 7200 | 6300 | 0.65 | 3210 Rodamiento A-2Z |
| 50 | 90 | 30.2 | 45.9 | 38.25 | 7200 | 6300 | 0.65 | 3210 A-2ZTN9/MT33 Rodamiento |
| 50 | 90 | 30.2 | 45.9 | 38.25 | 7200 | 6300 | 0.65 | 3210 ATN9 Rodamiento |
| 50 | 90 | 30.2 | 45.9 | 38.25 | 4320 | 0.65 | 3210 A-2RS1 Rodamiento | |
| 50 | 90 | 30.2 | 45.9 | 38.25 | 4320 | 0.65 | 3210 A-2RS1TN9/MT33 Rodamiento | |
| 50 | 110 | 44.4 | 73.71 | 62.55 | 6030 | 5040 | 1.95 | 3310 DNRCBM Rodamiento |
| 50 | 110 | 44.4 | 84.24 | 76.5 | 6030 | 5040 | 1.95 | Rodamiento 3310 DMA |
| 50 | 110 | 44.4 | 85.5 | 62.55 | 5400 | 5400 | 1.95 | 3310 Un rodamiento |
| 50 | 110 | 44.4 | 85.5 | 62.55 | 5400 | 5400 | 1.95 | 3310 Rodamiento A-2Z |
| 50 | 110 | 44.4 | 85.5 | 62.55 | 5400 | 5400 | 1.95 | 3310 ATN9 Rodamiento |
| 50 | 110 | 44.4 | 85.5 | 62.55 | 3870 | 1.95 | 3310 A-2RS1 Rodamiento | |
| 55 | 100 | 33.3 | 54.9 | 46.8 | 5670 | 5670 | 0.91 | 3211 Un rodamiento |
| 55 | 100 | 33.3 | 54.9 | 46.8 | 5670 | 5670 | 0.91 | 3211 Rodamiento A-2Z |
| 55 | 100 | 33.3 | 54.9 | 46.8 | 5670 | 5670 | 0.91 | 3211 ATN9 Rodamiento |
| 55 | 100 | 33.3 | 54.9 | 46.8 | 4050 | 0.91 | 3211 A-2RS1 Rodamiento | |
| 55 | 120 | 49.2 | 86.04 | 74.7 | 5400 | 4770 | 2.65 | 3311 DNRCBM Rodamiento |
| 55 | 120 | 49.2 | 99.9 | 90 | 5400 | 4500 | 2.65 | 3311 DMA Rodamiento |
| 55 | 120 | 49.2 | 100.8 | 73.35 | 5400 | 4770 | 2.65 | 3311 Un rodamiento |
| 55 | 120 | 49.2 | 100.8 | 73.35 | 5400 | 4770 | 2.65 | 3311 Rodamiento A-2Z |
| 55 | 120 | 49.2 | 100.8 | 73.35 | 5400 | 4770 | 2.65 | 3311 ATN9 Rodamiento |
| 55 | 120 | 49.2 | 100.8 | 73.35 | 3420 | 2.65 | 3311 A-2RS1 Rodamiento | |
| 60 | 110 | 36.5 | 67.5 | 57.6 | 5040 | 5040 | 1.2 | 3212 Un rodamiento |
| Dimensiones básicas | Clasificación de carga básica | Clasificaciones de velocidad | misa | Modelo | ||||
| Dinámico | Estático | Velocidad de referencia | Velocidad límite | Rodamiento No. | ||||
| d [mm] | D [mm] | B [mm] | C [kN] | C0 [kN] | [r/min] | [r/min] | [kg] | |
| 60 | 110 | 36.5 | 67.5 | 57.6 | 5040 | 5040 | 1.2 | 3212 Rodamiento A-2Z |
| 60 | 110 | 36.5 | 67.5 | 57.6 | 5040 | 5040 | 1.2 | 3212 ATN9 Rodamiento |
| 60 | 110 | 36.5 | 67.5 | 57.6 | 3600 | 1.2 | 3212 A-2RS1 Rodamiento | |
| 60 | 110 | 36.5 | 67.5 | 57.6 | 3600 | 1.2 | 3212 A-2RS1TN9/MT33 Rodamiento | |
| 60 | 130 | 54 | 114.3 | 85.5 | 5040 | 4500 | 2.8 | 3312 Un rodamiento |
| 60 | 130 | 54 | 114.3 | 85.5 | 5040 | 4500 | 2.8 | 3312 Rodamiento A-2Z |
| 65 | 120 | 38.1 | 72.54 | 66.15 | 5040 | 4320 | 1.75 | 3213 Un rodamiento |
| 65 | 120 | 38.1 | 72.54 | 66.15 | 5040 | 4320 | 1.75 | 3213 Rodamiento A-2Z |
| 65 | 120 | 38.1 | 72.54 | 66.15 | 3240 | 1.75 | 3213 A-2RS1 Rodamiento | |
| 65 | 140 | 58.7 | 124.2 | 109.8 | 4770 | 4050 | 4.1 | 3313 DNRCBM Rodamiento |
| 65 | 140 | 58.7 | 131.4 | 99 | 4770 | 4050 | 4.1 | 3313 Un rodamiento |
| 65 | 140 | 58.7 | 131.4 | 99 | 4770 | 4050 | 4.1 | 3313 Rodamiento A-2Z |
| 70 | 125 | 39.7 | 79.56 | 72 | 5040 | 4050 | 1.9 | 3214 Un rodamiento |
| 70 | 125 | 39.7 | 79.56 | 72 | 5040 | 4050 | 1.9 | 3214 Rodamiento A-2Z |
| 70 | 150 | 63.5 | 146.7 | 112.5 | 4500 | 3870 | 5.05 | 3314 Un rodamiento |
| 70 | 150 | 63.5 | 146.7 | 112.5 | 4500 | 3870 | 5.05 | 3314 Rodamiento A-2Z |
| 75 | 130 | 41.3 | 86.04 | 79.2 | 4770 | 4050 | 2.1 | 3215 Un rodamiento |
| 75 | 130 | 41.3 | 86.04 | 79.2 | 4770 | 4050 | 2.1 | 3215 Rodamiento A-2Z |
| 75 | 160 | 68.3 | 158.4 | 126 | 4050 | 3600 | 5.6 | 3315 Un rodamiento |
| 75 | 160 | 68.3 | 158.4 | 126 | 4050 | 3600 | 5.6 | 3315 Rodamiento A-2Z |
| 80 | 140 | 44.4 | 95.4 | 85.5 | 4500 | 3870 | 2.65 | 3216 Un rodamiento |
| 80 | 170 | 68.3 | 173.7 | 140.4 | 3870 | 3420 | 6.8 | 3316 Un rodamiento |
| 85 | 150 | 49.2 | 111.6 | 99 | 4050 | 3420 | 3.4 | 3217 Un rodamiento |
| 85 | 180 | 73 | 187.2 | 158.4 | 3600 | 3240 | 8.3 | 3317 Un rodamiento |
| 90 | 160 | 52.4 | 117 | 108 | 3870 | 3240 | 4.15 | 3218 Un rodamiento |
| 90 | 190 | 73 | 187.2 | 162 | 3420 | 3060 | 9.25 | 3318 Un rodamiento |
| 95 | 170 | 55.6 | 143.1 | 131.4 | 3600 | 3060 | 5 | 3219 Un rodamiento |
| 95 | 200 | 77.8 | 216 | 194.4 | 3240 | 2880 | 11 | 3319 Un rodamiento |
| 100 | 180 | 60.3 | 160.2 | 149.4 | 3420 | 2880 | 6.1 | 3220 Un rodamiento |
| 100 | 215 | 82.6 | 229.5 | 229.5 | 3060 | 2520 | 13.5 | 3320 Un rodamiento |
| Dimensiones básicas | Clasificación de carga básica | Clasificaciones de velocidad | misa | Modelo | ||||
| Dinámico | Estático | Velocidad de referencia | Velocidad límite | Rodamiento No. | ||||
| d [mm] | D [mm] | B [mm] | C [kN] | C0 [kN] | [r/min] | [r/min] | [kg] | |
| 110 | 200 | 69.8 | 190.8 | 190.8 | 3060 | 2520 | 8.8 | 3222 Un rodamiento |
| 110 | 240 | 92.1 | 261.9 | 274.5 | 2700 | 2340 | 19 | 3322 Un rodamiento |
| 120 | 190 | 66 | 163.8 | 208.8 | 3060 | 3240 | 7.08 | 305256 D Rodamiento |
| 150 | 225 | 73 | 163.8 | 238.5 | 1530 | 1800 | 5.52 | 305286 D Rodamiento |
| 150 | 230 | 70 | 182.7 | 256.5 | 2520 | 2700 | 10.6 | 305283 D Rodamiento |
| 150 | 230 | 70 | 182.7 | 256.5 | 2520 | 2700 | 10.6 | 305283 DA Rodamiento |
| 160 | 215 | 56 | 121.5 | 198 | 2520 | 2700 | 5.67 | 305608 Rodamiento |
| 160 | 215 | 56 | 121.5 | 198 | 2520 | 2700 | 5.45 | 305608B Rodamiento |
| 160 | 240 | 76 | 210.6 | 301.5 | 2340 | 2520 | 11.4 | 305183 Rodamiento |
| 170 | 260 | 84 | 252.9 | 364.5 | 2160 | 2340 | 16.8 | 305180 Rodamiento |
| 180 | 250 | 70 | 171 | 256.5 | 2160 | 2340 | 9.67 | 305288 DA Rodamiento |
| 180 | 259.5 | 66 | 202.5 | 279 | 2160 | 2340 | 11 | 305262 D Rodamiento |
| 190 | 269.5 | 66 | 243 | 373.5 | 1980 | 2160 | 11 | 305338 D Rodamiento |
| 200 | 279.5 | 76 | 217.8 | 342 | 1710 | 2160 | 13.7 | 305428 D Rodamiento |
| 200 | 280 | 80 | 217.8 | 342 | 1980 | 2160 | 15.9 | 305393 Rodamiento |
| 200 | 289.5 | 76 | 271.8 | 427.5 | 1620 | 1980 | 16.4 | 305263 D Rodamiento |
| 200 | 289.5 | 76 | 271.8 | 427.5 | 1620 | 1980 | 16.4 | 305263 DA Rodamiento |
| 220 | 309.5 | 76 | 280.8 | 468 | 1800 | 1800 | 17.7 | 305272 D Rodamiento |
| 220 | 309.5 | 76 | 280.8 | 468 | 1800 | 1800 | 17.7 | 305272 DA Rodamiento |
| 220 | 309.5 | 76 | 280.8 | 468 | 1800 | 1800 | 17.7 | 305272 DB Rodamiento |
| 230 | 329.5 | 80 | 315.9 | 540 | 1710 | 1800 | 21.9 | 305264 D Rodamiento |
| 260 | 369.5 | 92 | 357.3 | 639 | 1530 | 1530 | 30 | 305270 D Rodamiento |
| 280 | 389.5 | 92 | 362.7 | 675 | 1440 | 1440 | 33.2 | 305269 D Rodamiento |
0+
años
Experiencia en la industria
0+
Diversidad de modelos
0+
Número de empleados
0
$
Valor anual de las exportaciones
Horario de la exposición: 8-11 de julio de 2024 Lugar de la exposición: Ekaterimburgo, Rusia Número de stand: IS37 Ciclo de exposición: Una vez al añoOrganizador: Ministerio de Industria y...
La aplicación de rodamientos en la industria metalúrgica incluye principalmente las siguientes áreas: 1. Maquinaria de laminación: La maquinaria de laminación en la industria metalúrgica es un e...
El motor es el núcleo del funcionamiento de los equipos industriales y el rodamiento es el componente mecánico clave del motor. El rodamiento soporta todas las cargas y tensiones que se...
Asimismo, es una plataforma esencial para fomentar la cooperación integral, profesional e internacional en sectores como herramientas mecánicas, automoción, maquinaria agrícola, maquinaria de ingenier...